E
EPC Data

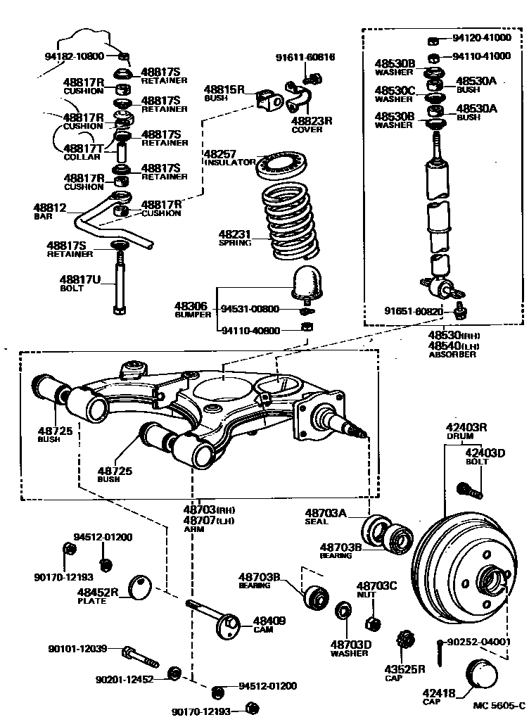
REAR SPRING & SHOCK ABSORBER

Parts diagram
42403DBOLT, HUB (FOR REAR DRUM & WHEEL SETTING)
main90942-02035×8i197901-198203
main90942-02047×8i198203-198204
42403RDRUM SUB-ASSY, BRAKE
main42403-16010×2i197901-198204
42418CAP, REAR HUB GREASE
main42418-16010×2i197901-198204
43525RCAP, REAR WHEEL ADJUSTING LOCK
main43525-20011×2i197901-198204
48231SPRING, COIL, REAR
main48231-16030×2i197901-198204
48257INSULATOR, REAR COIL SPRING
main48257-16010×2i197901-198204
48306BUMPER SUB-ASSY, REAR SPRING
main48306-19045×2i197901-198204
48409CAM SUB-ASSY, REAR SUSPENSION TOE ADJUST
main48409-16010×2i197901-198204
48452RPLATE, REAR SUSPENSION TOE ADJUST, NO.2
main48452-16010×2i197901-198204
48530ABSORBER ASSY, SHOCK, REAR RH
main48531-19625i197901-198008
main48531-19626i198008-198204
48530ABUSH(FOR REAR SHOCK ABSORBER)
main90948-01003×4i197901-198204
48530BWASHER, REAR SHOCK ABSORBER CUSHION, NO.1
main90948-02002×4i197901-198204
48530CWASHER, REAR SHOCK ABSORBER CUSHION, NO.2
main90948-02007×2i197901-198204
48540ABSORBER ASSY, SHOCK, REAR LH
main48531-19625i197901-198008
main48531-19626i198008-198204
48703ARM SUB-ASSY, REAR SUSPENSION, RH
main48703-16901i197901-198204
48703ASEAL(FOR REAR SUSPENSION ARM)
main90311-36001×2i197901-198204
48703BBEARING(FOR REAR SUSPENSION ARM)
main90366-25003×2i197901-198204
INNER
main90368-17017×2i197901-198204
OUTER
48703CNUT(FOR REAR SUSPENSION ARM)
main90170-16137×2i197901-198204
48703DWASHER(FOR REAR SUSPENSION ARM)
main90214-16010×2i197901-198204
48707ARM SUB-ASSY, REAR SUSPENSION, LH
main48707-16901i197901-198204
48725BUSH, LOWER CONTROL ARM
main48725-16010×2i197901-198204
INNER
main48725-16030×2i197901-198204
OUTER
48812BAR, STABILIZER, REAR
main48812-16030i197901-198204
48815RBUSH, STABILIZER(FOR REAR)
main48818-16020×2i197901-198204
48817RCUSHION, STABILIZER(FOR REAR)
main48817-10010×8i197901-198204
48817SRETAINER, CUSHION, NO.1(FOR STABILIZER REAR BAR)
main90948-02024×8i197901-198204
H=3.5,ID=8.5
main90948-02025×2i197901-198204
H=5,ID=13
48817TCOLLAR(FOR STABILIZER REAR BAR)
main90387-09003×2i197901-198204
48817UBOLT(FOR REAR STABILIZER)
main90101-08037×2i197901-198204
48823RCOVER, STABILIZER LINK(FOR REAR)
main48832-16010×2i197901-198204
9010112039
9017012193
9020112452
9025204001
9161160816
9165160820
9411040800
9411041000
9412041000
9418210800
9451201200
9453100800

40 parts on this diagram · 1 diagram in section

REAR SPRING & SHOCK ABSORBER — Toyota Parts Diagram with OEM Numbers & Prices | EPC Data