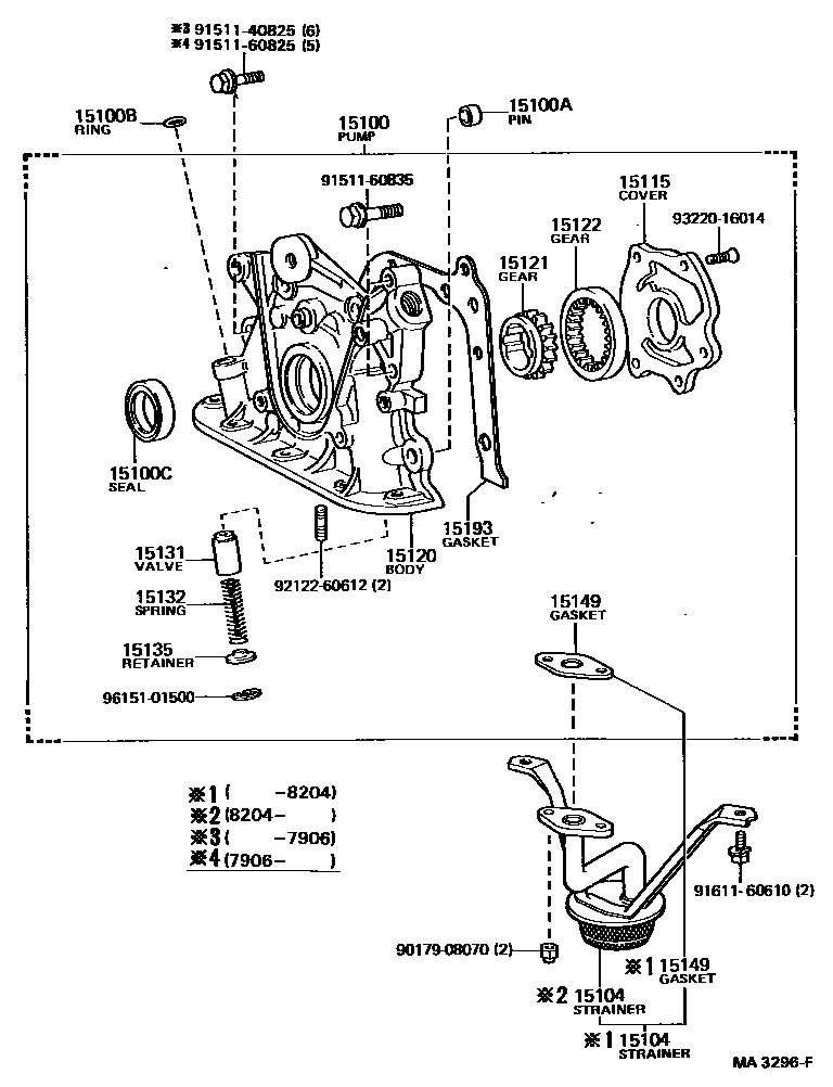
ENGINE OIL PUMP

15100PUMP ASSY, OIL
15100APIN, RING(FOR OIL PUMP SET)
15100BRING, O(FOR OIL PUMP)
15100CSEAL(FOR OIL PUMP)
15104STRAINER SUB-ASSY, OIL
15115COVER, OIL PUMP
15120BODY SUB-ASSY, OIL PUMP
15121GEAR, OIL PUMP DRIVE
15122GEAR, OIL PUMP DRIVEN
15131VALVE, OIL PUMP RELIEF
15132SPRING, OIL PUMP RELIEF VALVE
15135RETAINER, OIL PUMP RELIEF VALVE
15149GASKET, OIL STRAINER FLANGE
9017908070
main90179-08070
9151140825
main91511-40825
9151160825
main91511-60825
9151160835
main91511-60835
9161160610
main91611-60610
9212260612
main92122-60612
9322016014
main93220-16014
9615101500
main96151-01500
22 parts on this diagram · 1 diagram in section