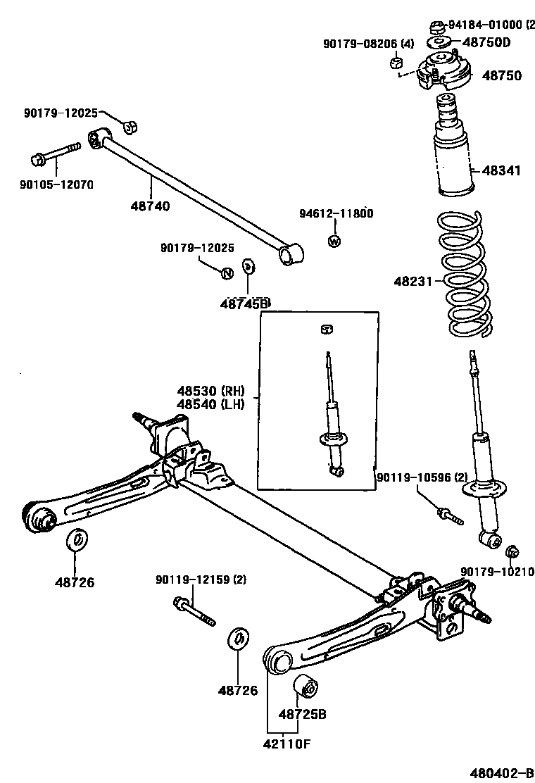
REAR SPRING & SHOCK ABSORBER

48530ABSORBER ASSY, SHOCK, REAR RH
48540ABSORBER ASSY, SHOCK, REAR LH
48725BBUSH, REAR SUSPENSION ARM, NO.1
48740ROD ASSY, REAR LATERAL CONTROL
48745BWASHER, LATERAL CONTROL ROD CUSHION
48750SUPPORT ASSY, REAR SUSPENSION
48750DRETAINER(FOR REAR SUPPORT TO REAR SHOCK ABSORBER)
9010512070
main90105-12070
9011910596
main90119-10596
9011912159
main90119-12159
9017908206
main90179-08206
9017910210
main90179-10210
9017912025
main90179-12025
9418401000
main94184-01000
9461211800
main94612-11800
19 parts on this diagram · 1 diagram in section