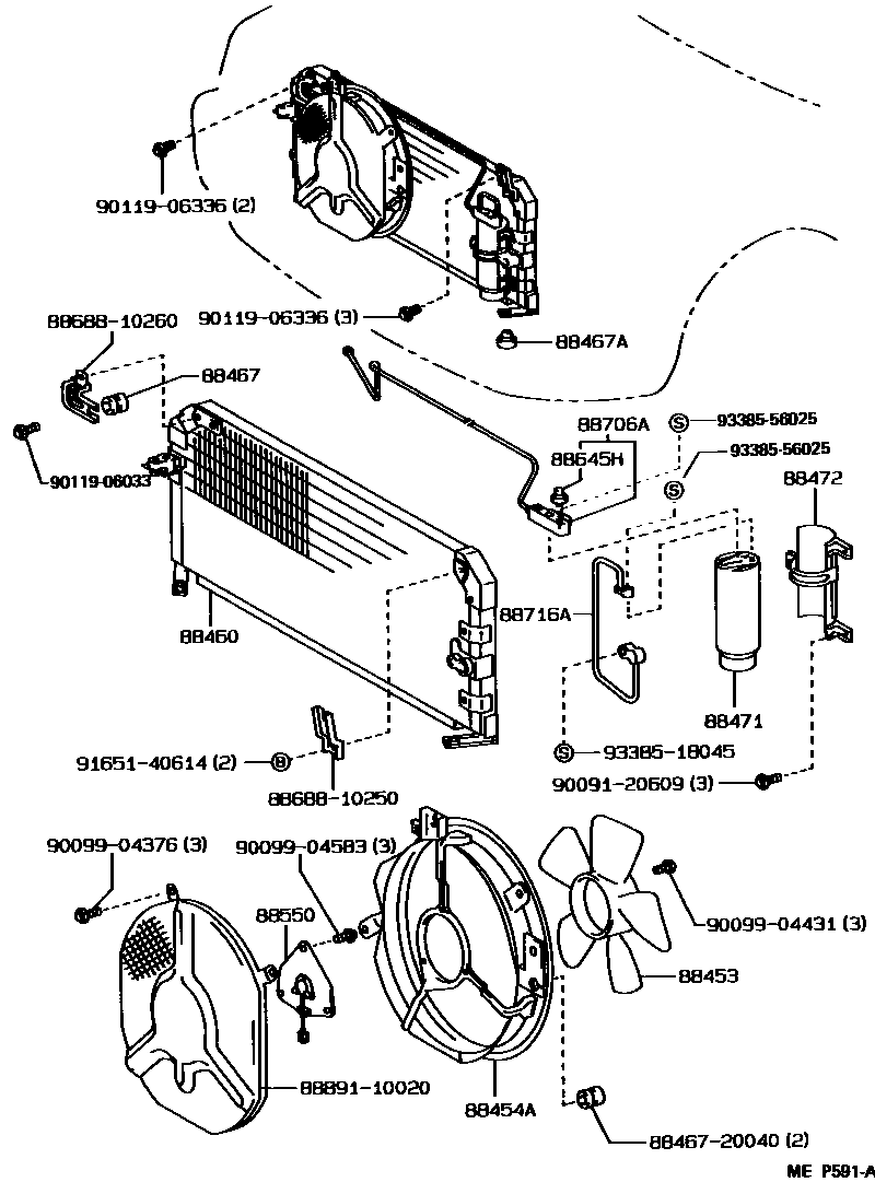
HEATING & AIR CONDITIONING - COOLER PIPING

88453FAN, COOLING (FOR CONDENSER)
88454ASHROUD, FAN
88460CONDENSER ASSY, COOLER
88467CUSHION, COOLER CONDENSER, NO.1
88467ACUSHION, COOLER CONDENSER, NO.2
88471TANK, RECEIVER AIR CONDITIONER
88472BRACKET, RECEIVER TANK, NO.1
88550MOTOR ASSY, BLOWER (FOR CONDENSER)
88645HSWITCH, PRESSURE NO.1
88706ATUBE SUB-ASSY, LIQUID, A
88716APIPE, COOLER REFRIGERANT LIQUID, A
8846720040CUSHION, COOLER CONDENSER, NO.1
main88467-20040
8868810250BRACKET, COOLER DIAPHRAGM
main88688-10250
8868810260BRACKET, COOLER DIAPHRAGM
main88688-10260
8889110020PACKING (FOR COOLER)
main88891-10020
9009120609
main90091-20609
9009904376
main90099-04376
9009904431
main90099-04431
9009904583
main90099-04583
9011906033
main90119-06033
9011906336
main90119-06336
9165140614
main91651-40614
9338518045
main93385-18045
9338556025
main93385-56025
24 parts on this diagram · 5 diagrams in section