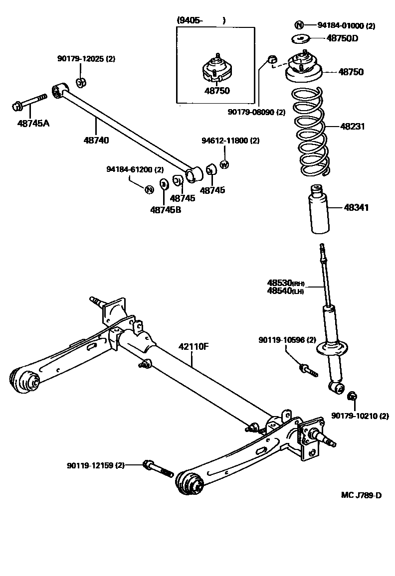
REAR SPRING & SHOCK ABSORBER

42110FBEAM ASSY, REAR AXLE
W(165/70R13 TIRE)
W(155SR13 TIRE)
ILELAND SPEC
W(165/70R13 TIRE)
W(ABS)
W(ABS)
48231SPRING, COIL, REAR
W(ABS) OR W(13X5J DISC WHEEL)
ILELAND SPEC
ILELAND SPEC
48341BUMPER, REAR SPRING
48530ABSORBER ASSY, SHOCK, REAR RH
MARK 48530-10211
MARK 48530-10221
MARK 48530-10221,BELGIUM SPEC
MARK 48530-10330
MARK 48530-10340
MARK 48530-10340,BELGIUM SPEC
48540ABSORBER ASSY, SHOCK, REAR LH
MARK 48530-10211
MARK 48530-10221
MARK 48530-10221,BELGIUM SPEC
MARK 48530-10330
MARK 48530-10340,BELGIUM SPEC
MARK 48530-10340
48740ROD ASSY, REAR LATERAL CONTROL
48745BUSH, LATERAL CONTROL ROD
48745ABOLT, HEXAGON(FOR LATERAL CONTROL ROD)
48745BWASHER, LATERAL CONTROL ROD CUSHION
48750SUPPORT ASSY, REAR SUSPENSION
48750DRETAINER(FOR REAR SUPPORT TO REAR SHOCK ABSORBER)
9011910596
main90119-10596
9011912159
main90119-12159
9017908090
main90179-08090
9017910210
main90179-10210
9017912025
main90179-12025
9418401000
main94184-01000
9418461200
main94184-61200
9461211800
main94612-11800
19 parts on this diagram · 1 diagram in section