E
EPC Data

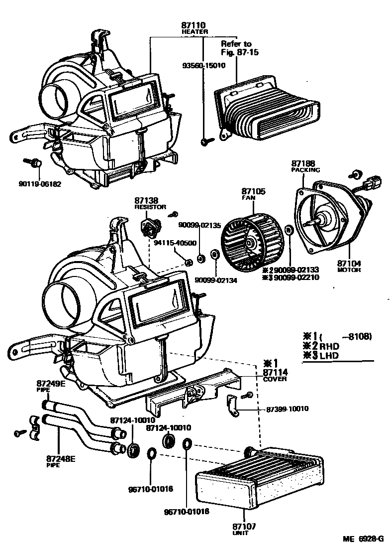
HEATING & AIR CONDITIONING - HEATER UNIT & BLOWER

Parts diagram
87104MOTOR SUB-ASSY, HEATER BLOWER
main87104-10090i198108-198208
W/BOOST VENTILATOR
main87104-10130i198208-198409
W/COOLER
main87104-10140i198208-198409
W/BOOST VENTILATOR
main87104-95403i197810-198005
HEAVY DUTY
main87104-95A00i198108-198208
main88550-87701i197810-198208
COOLER
87105FAN SUB-ASSY, HEATER BLOWER
main87105-12030i197802-198208
main87105-12040i197802-198208
main87105-12060i198208-198409
main87105-16020i198208-198409
87107UNIT SUB-ASSY, HEATER RADIATOR
main87107-10100i198005-198208
main87107-10110i197802-198005
main87107-10120i198005-198208
HEAVY DUTY
main87107-10130i198208-198409
main87107-10150i198208-198409
main87107-10160i198208-198409
FIN PICH=3.5
main87107-10170i198208-198409
FIN PICH=3.2
87110HEATER ASSY
main87110-10130i197802-198005
main87110-10140i198005-198108
main87110-10142i198108-198208
main87110-10150i197802-198005
HEAVY DUTY,W/RR DUCT
main87110-10160i198005-198108
HEAVY DUTY,W/RR DUCT
main87110-10162i198108-198208
HEAVY DUTY,W/RR DUCT
main87110-10170i197810-198208
HEAVY DUTY,W/O RR DUCT
main87110-10190i197807-198108
HEAVY DUTY
main87110-10192i198108-198208
HEAVY DUTY
main87110-10220i198005-198208
main87110-10230i198005-198108
main87110-10231i198108-198208
87114COVER, HEATER
main87114-10010i197802-198005
main87114-10020i198005-198108
87138RESISTOR, HEATER BLOWER
main87138-10070i198108-198208
main87138-10080i198208-198409
main87138-14020i197810-198208
COOLER
main87138-16010i197802-198108
main87138-16020i197810-198005
HEAVY DUTY
8715HEATING & AIR CONDITIONING - CONTROL & AIR DUCT
87188PACKING, HEATER BLOWER MOTOR
main87127-12020i198208-198409
main87128-22010i197802-198208
87248EPIPE, HEATER WATER INLET, E
main87291-10100i197802-198208
87249EPIPE, HEATER WATER OUTLET, E (FOR HEATER UNIT)
main87291-10090i197802-198208
8712410010CLAMP, HEATER
8739910010BAND ASSY (FOR COMBUSTION HEATER)
9009902133
9009902134
9009902135
9009902210
9011906182
9356015010
9411540500
9671001016

20 parts on this diagram · 4 diagrams in section

HEATING & AIR CONDITIONING - HEATER UNIT & BLOWER — Toyota Parts Diagram with OEM Numbers & Prices | EPC Data