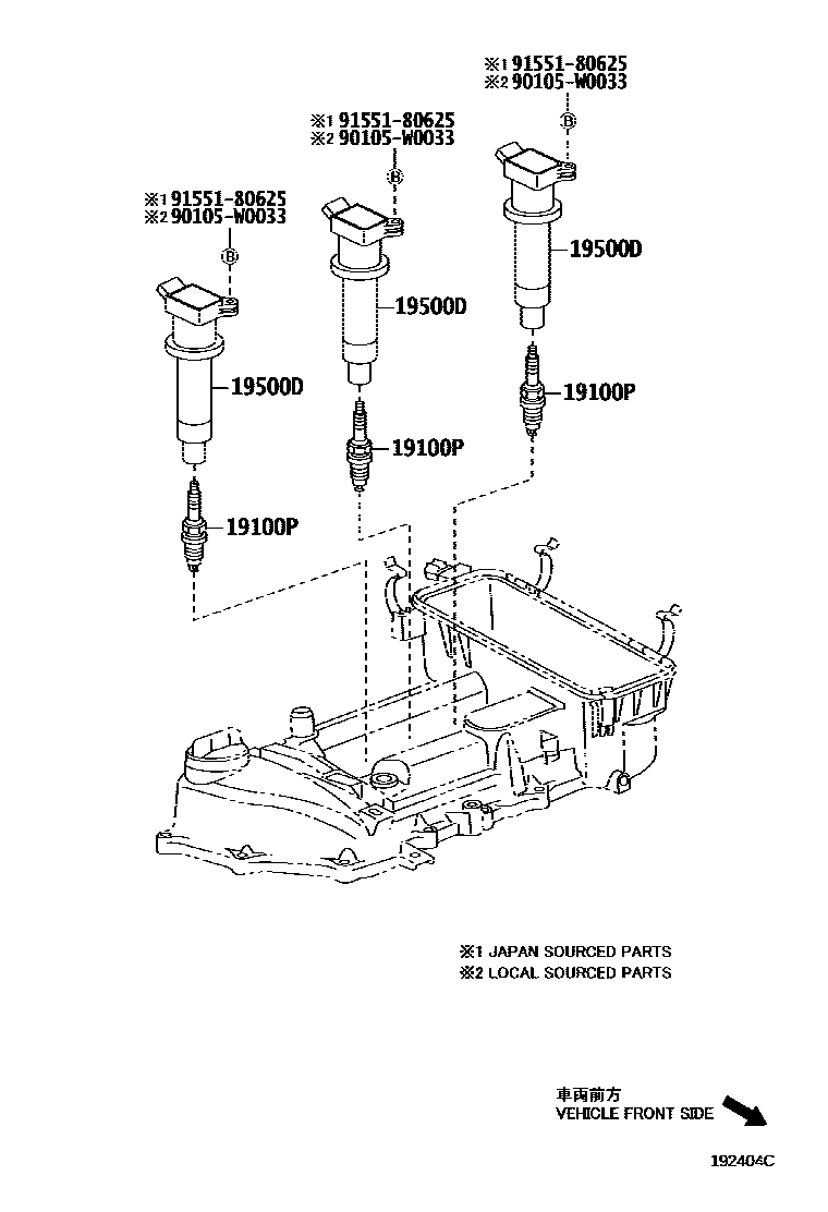
IGNITION COIL & SPARK PLUG / GLOW PLUG

19100PPLUG, SPARK
K16R-U,(L)
K16R-U,(J)
SK16HR11,(J)
SC20HR11
K20HR-U11
SK20HR11,(L)
SK16HR11,(L)
19500COIL ASSY, IGNITION
(L)
(J)
19500DCOIL, IGNITION, NO.1
MARK 90080-19019
MARK 90919-02239
(J)
MARK 90919-T2002
(L)
90105W0033
main90105-W0033
9155180625
main91551-80625
5 parts on this diagram · 5 diagrams in section