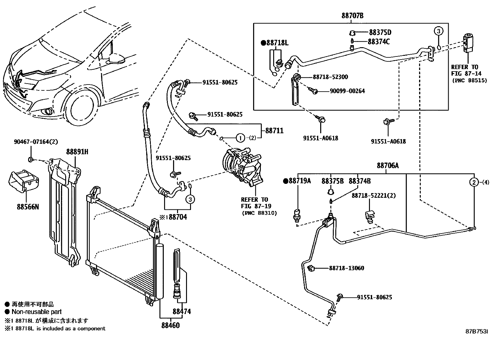
HEATING & AIR CONDITIONING - COOLER PIPING

8714HEATING & AIR CONDITIONING - COOLER UNIT
8719HEATING & AIR CONDITIONING - COMPRESSOR
88374BVALVE, SERVICE, NO.1
FRONT AIR CONDITIONER-DEALER OPTION; FRONT AIR CONDITIONER-WITHOUT(UNIT(W/H ONLY))
88374CVALVE, SERVICE, NO.2
FRONT AIR CONDITIONER-DEALER OPTION; FRONT AIR CONDITIONER-WITHOUT(UNIT(W/H ONLY))
88375BCAP, SERVICE VALVE, NO.1
FRONT AIR CONDITIONER-DEALER OPTION; FRONT AIR CONDITIONER-WITHOUT(UNIT(W/H ONLY))
88375DCAP, SERVICE VALVE, NO.2
FRONT AIR CONDITIONER-DEALER OPTION; FRONT AIR CONDITIONER-WITHOUT(UNIT(W/H ONLY))
88460CONDENSER ASSY, COOLER
FRONT AIR CONDITIONER-DEALER OPTION; FRONT AIR CONDITIONER-WITHOUT(UNIT(W/H ONLY))
88474DRYER, COOLER
FRONT AIR CONDITIONER-DEALER OPTION; FRONT AIR CONDITIONER-WITHOUT(UNIT(W/H ONLY))
88704HOSE SUB-ASSY, SUCTION
FRONT AIR CONDITIONER-DEALER OPTION; FRONT AIR CONDITIONER-WITHOUT(UNIT(W/H ONLY))
FRONT AIR CONDITIONER-DEALER OPTION; FRONT AIR CONDITIONER-WITHOUT(UNIT(W/H ONLY))
88706ATUBE SUB-ASSY, LIQUID, A
FRONT AIR CONDITIONER-DEALER OPTION; FRONT AIR CONDITIONER-WITHOUT(UNIT(W/H ONLY))
FRONT AIR CONDITIONER-DEALER OPTION
88707BTUBE SUB-ASSY, SUCTION, B
FRONT AIR CONDITIONER-DEALER OPTION; FRONT AIR CONDITIONER-WITHOUT(UNIT(W/H ONLY))
88711HOSE, COOLER REFRIGERANT DISCHARGE, NO.1
FRONT AIR CONDITIONER-DEALER OPTION; FRONT AIR CONDITIONER-WITHOUT(UNIT(W/H ONLY))
FRONT AIR CONDITIONER-DEALER OPTION; FRONT AIR CONDITIONER-WITHOUT(UNIT(W/H ONLY))
88718LCLAMP, PIPING
FRONT AIR CONDITIONER-DEALER OPTION; FRONT AIR CONDITIONER-WITHOUT(UNIT(W/H ONLY))
88719ASENSOR, AIR CONDITIONER PRESSURE
FRONT AIR CONDITIONER-DEALER OPTION; FRONT AIR CONDITIONER-WITHOUT(UNIT(W/H ONLY))
88891HCOVER, COOLER, NO.1
8871813060PIPE, COOLER REFRIGERANT SUCTION, NO.2
main88718-13060
8871852221PIPE, COOLER REFRIGERANT SUCTION, NO.2
main88718-52221
8871852300PIPE, COOLER REFRIGERANT SUCTION, NO.2
main88718-52300
9009900264
main90099-00264
9046707164
main90467-07164
9155180625
main91551-80625
91551A0618
main91551-A0618
23 parts on this diagram · 5 diagrams in section