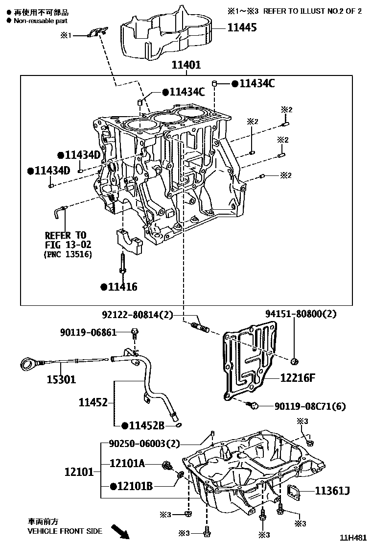
CYLINDER BLOCK

11361JCOVER, FLYWHEEL HOUSING UNDER
11401BLOCK SUB-ASSY, CYLINDER
11416BOLT(FOR CRANKSHAFT BEARING CAP SET)
11434CPIN, STRAIGHT (FOR CYLINDER HEAD SET)
L=12,OD=12
11434DPIN, STRAIGHT(FOR ENGINE REAR OIL SEAL)
L=14,OD=6
11445SPACER, CYLINDER BLOCK WATER JACKET
11452GUIDE, OIL LEVEL GAGE
11452BRING, O(FOR OIL LEVEL GAGE GUIDE)
12101PAN SUB-ASSY, OIL
12101APLUG(FOR OIL PAN DRAIN)
12101BGASKET(FOR OIL PAN DRAIN PLUG)
12216FPLATE, VENTILATION BAFFLE
1302CAMSHAFT & VALVE
15301GAGE SUB-ASSY, OIL LEVEL
9011906861
main90119-06861
9011908C71
main90119-08C71
9025006003
main90250-06003
9212280814
main92122-80814
9415180800
main94151-80800
19 parts on this diagram · 4 diagrams in section