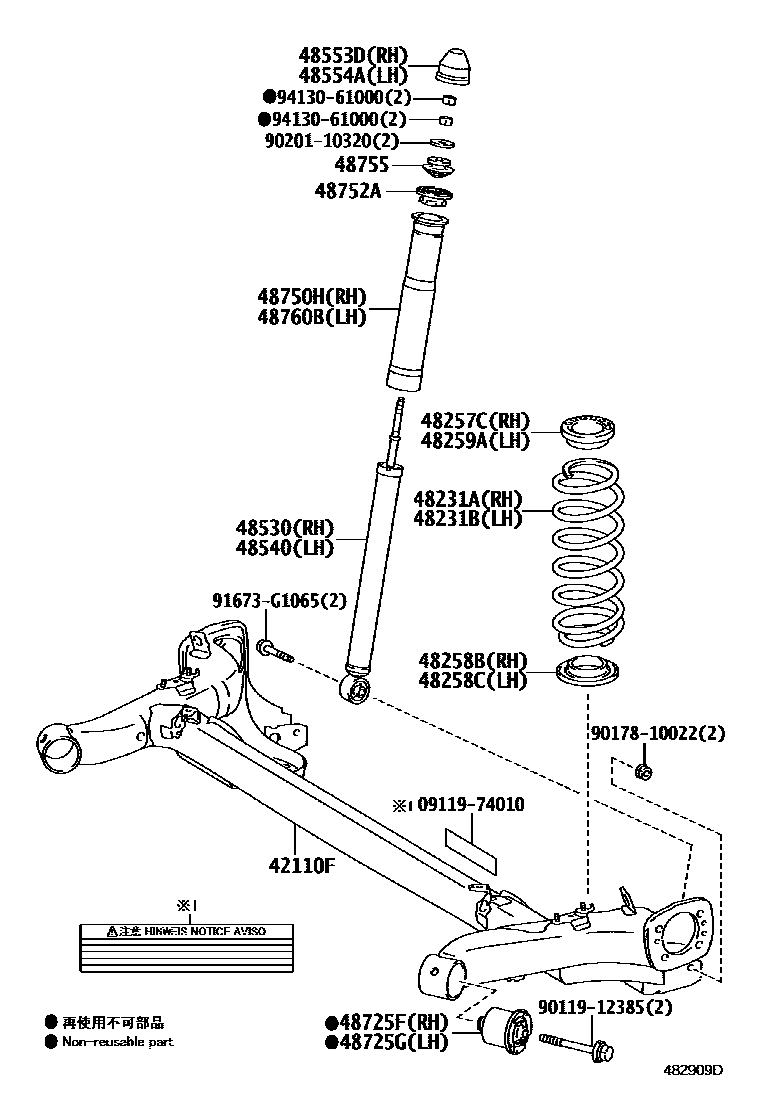
REAR SPRING & SHOCK ABSORBER

42110FBEAM ASSY, REAR AXLE
WITH(REAR DRUM BRAKE)
48231ASPRING, COIL, REAR RH
48231BSPRING, COIL, REAR LH
48257CINSULATOR, REAR COIL SPRING, UPPER RH
48258BINSULATOR, REAR COIL SPRING, LOWER RH
48258CINSULATOR, REAR COIL SPRING, LOWER LH
48259AINSULATOR, REAR COIL SPRING, UPPER LH
48530ABSORBER ASSY, SHOCK, REAR RH
MARK 48530-74010
MARK 48530-74020
MARK 48530-74030
MARK 48530-74040
MARK 48530-74060
48540ABSORBER ASSY, SHOCK, REAR LH
MARK 48530-74010
MARK 48530-74020
MARK 48530-74030
MARK 48530-74040
MARK 48530-74060
48553DCAP, REAR SHOCK ABSORBER, RH
48554ACAP, REAR SHOCK ABSORBER, LH
48725FBUSH, REAR AXLE CARRIER, RH
48725GBUSH, REAR AXLE CARRIER, LH
48750HSUPPORT ASSY, REAR SUSPENSION, RH
48752ASTOPPER, REAR SUSPENSION SUPPORT
48755SUPPORT, REAR SUSPENSION
48760BSUPPORT ASSY REAR SUSPENSION, LH
0911974010LABEL, JACK CAUTION
main09119-74010
9011912385
main90119-12385
9017810022
main90178-10022
9020110320
main90201-10320
91673G1065
main91673-G1065
9413061000
main94130-61000
23 parts on this diagram · 1 diagram in section