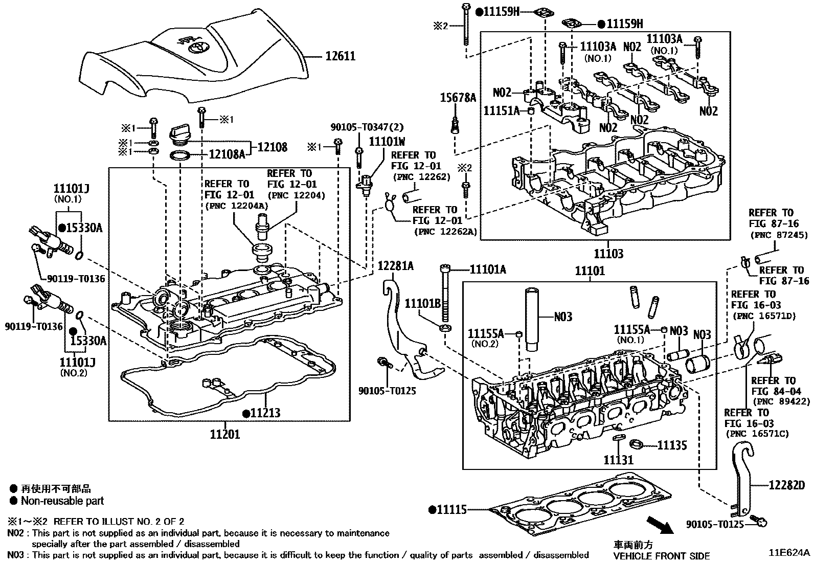
Toyota YARIS — CYLINDER HEAD

11101HEAD SUB-ASSY, CYLINDER
11101ABOLT(FOR CYLINDER HEAD SET)
11101BWASHER, PLATE(FOR CYLINDER HEAD SET)
11101JVALVE ASSY, CAMSHAFT TIMING OIL CONTROL
NO.1:REFER ILLUST.
NO.2:REFER ILLUST.
11101WSENSOR, CRANK POSITION, NO.1
11103HOUSING SUB-ASSY, CAMSHAFT
11103ABOLT(FOR CAMSHAFT HOUSING SET)
NO.2:REFER ILLUST.
NO.1:REFER ILLUST.
11115GASKET, CYLINDER HEAD
11131SEAT, INTAKE VALVE
STD
11135SEAT, EXHAUST VALVE
STD
11151APIN, RING(FOR CAMSHAFT BEARING CAP SETTING)
L=12.5,OD=8
11155APIN, RING W/HEAD
NO.1:REFER ILLUST.
NO.2:REFER ILLUST.
11159HGASKET, CAMSHAFT BEARING CAP OIL HOLE
11201COVER SUB-ASSY, CYLINDER HEAD
11213GASKET, CYLINDER HEAD COVER
1201
12108CAP SUB-ASSY, OIL FILLER
12108AGASKET(FOR OIL FILLER CAP)
12281AHANGER, ENGINE, NO.1
12282DHANGER, ENGINE, NO.2
12611COVER, ENGINE, NO.1
15330ARING, O(FOR CAM TIMING OIL CONTROL VALVE)
15678AFILTER, OIL CONTROL VALVE
1603
8404
8716
90105T0125
90105T0347
90119T0136
main90119-T0136
29 parts on this diagram · 2 diagrams in section