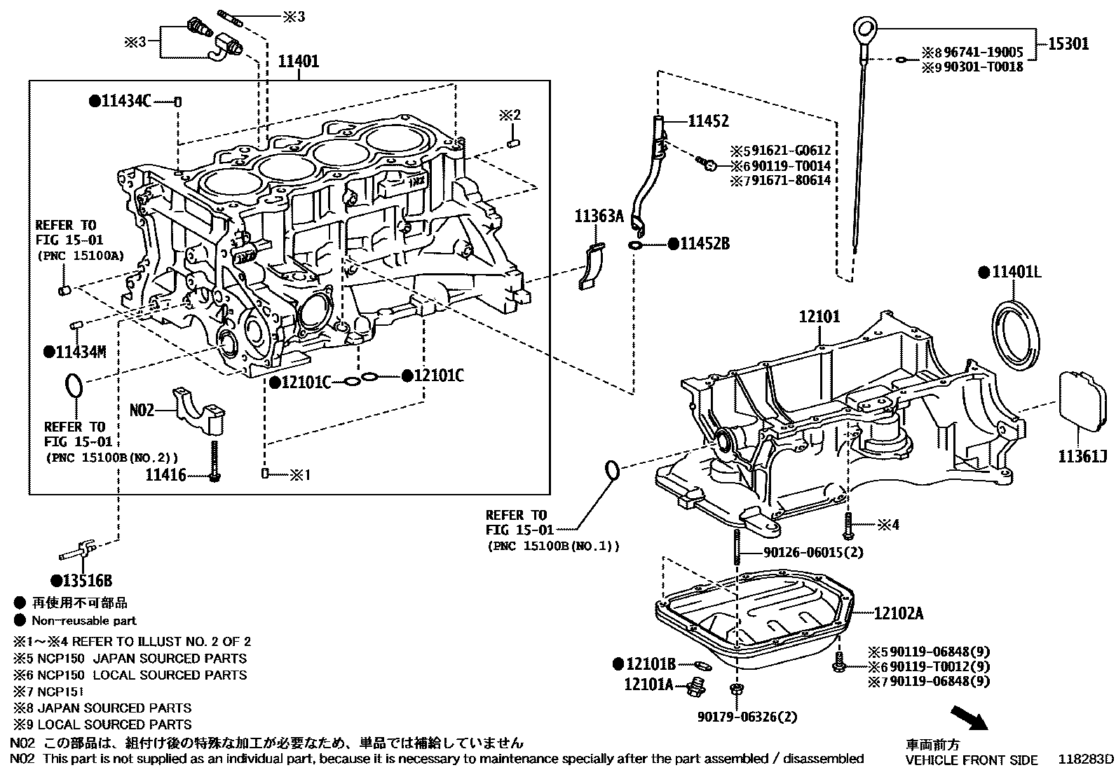
Toyota YARIS/VIOS/LIMO — CYLINDER BLOCK

11361JCOVER, FLYWHEEL HOUSING UNDER
(L)
(L)
(L)
(L)
(L)
(L)
(J)
(J)
(J)
(J)
(J)
11363ACOVER, FLYWHEEL HOUSING SIDE
(L)
(L)
(L)
(L)
(L)
(L)
main11363-0Y020i1NRFE..NSP150..GCC;2NRFE..NSP151..(D,R)..C;2NRFE..NSP151..GCC..R..B;2NRFE..NSP151..(GCC,IDN)..G201604-201712
main11363-0Y020i1NRFE..NSP150..5F..G..A;2NRFE..NSP151..CVT..D..C;1NRFE..NSP150..5F..GCC..D..(A,C)201708-202108
main11363-0Y020i2NRFE..NSP151..A;2NRFE..NSP151..5F..IDN;1NRFE..NSP150..5F..R..(A,C);1NRFE..NSP150..5F..GEN..D..A;1NRFE,3NRFKE..NSP150,152..CVT..(A,C);2NRFE..NSP151..CVT..(GCC,IDN).201708-202207
main11363-0Y020i2NRFE..NSP151..D,E;2NRFE..NSP151..IND,MA,PKN;1NRFE,3NRFE..NSP150,152..(PH,PKN,TH,VN)..(A,D,E,I)201708-202406
(J)
(J)
(J)
(J)
(J)
11401BLOCK SUB-ASSY, CYLINDER
*264
*264
*264
*264
main11410-09700i2NRFE..NSP151..LHD..CVT..GEN..A;2NRFE..NSP151..RHD..(GEN,IND,MA);2NRFE..NSP151..5F..(GEN,IDN)..(A,C);2NRFE..NSP151..(GCC,PH,TH,VN)..(A,D,E);2NRFE..NSP151..CVT..(GCC201708-202207
*264
main11410-09700i2NRFE..NSP151..(D,R)..C;2NRFE..NSP151..GCC..R..B;2NRFE..NSP151..(GCC,IDN)..G201604-201712
*264
*264
*264
*264
*264
*264
*264
*264
*264
*264
*264
main11410-09710i1NRFE..NSP150..CVT..GEN..G;1NRFE..NSP150..CVT..GCC..(A,C);1NRFE..NSP150..5F..GCC..R..(A,C);1NRFE..NSP150..(GEN,PH,VN)..(D,R)..(A,D,E)201710-202207
*264
(L)
*230 OR *432
*230 OR *432
*230 OR *432
*230 OR *432
*230 OR *432
*230 OR *432
main11410-09740i2NRFE..NSP151..(D,R)..C;2NRFE..NSP151..GCC..R..B;2NRFE..NSP151..(GCC,IDN)..G201607-201712
*230 OR *432
*230 OR *432
*230 OR *432
main11410-09740i2NRFE..NSP151..LHD..CVT..GEN..A;2NRFE..NSP151..RHD..(GEN,IND,MA);2NRFE..NSP151..5F..(GEN,IDN)..(A,C);2NRFE..NSP151..(GCC,PH,TH,VN)..(A,D,E);2NRFE..NSP151..CVT..(GCC201708-202207
*230 OR *432
*230 OR *432
*230 OR *432
*230 OR *432
*230 OR *432
*230 OR *432
*230 OR *432
main11410-09750i1NRFE..NSP150..CVT..GEN..G;1NRFE..NSP150..CVT..GCC..(A,C);1NRFE..NSP150..5F..GCC..R..(A,C);1NRFE..NSP150..(GEN,PH,VN)..(D,R)..(A,D,E)201710-202207
*230 OR *432
*419
*419
11401LSEAL, ENGINE REAR OIL
(J)
(J)
(J)
(J)
(L)
(L)
(L)
(L)
(L)
*230 OR *432
*230 OR *432
*230 OR *432
*230 OR *432
*230 OR *432
main90311-T0073i1NRFE..NSP150..5F..G..A;2NRFE..NSP151..CVT..D..C;1NRFE..NSP150..5F..GCC..D..(A,C)201708-202108
*230 OR *432
main90311-T0073i1NRFE..NSP150..CVT..GEN..G..A;1NRFE..NSP150..CVT..GCC..(A,C);2NRFE..NSP151..LHD..CVT..GEN..A;2NRFE..NSP151..RHD..(GEN,IND,MA);1NRFE..NSP150..5F..GCC..R..(A,C);2NRFE201708-202207
*230 OR *432
*230 OR *432
main90311-T0073i1NRFE..NSP150..GCC;2NRFE..NSP151..(D,R)..C;2NRFE..NSP151..GCC..R..B;2NRFE..NSP151..(GCC,IDN)..G201607-201712
*230 OR *432
*230 OR *432
*230 OR *432
main90311-T0074i1NRFE..NSP150..5F..G..A;2NRFE..NSP151..CVT..D..C;1NRFE..NSP150..5F..GCC..D..(A,C)¥1,390201708-202108
*264
*264
*264
main90311-T0074i1NRFE..NSP150..GCC;2NRFE..NSP151..(D,R)..C;2NRFE..NSP151..GCC..R..B;2NRFE..NSP151..(GCC,IDN)..G¥1,390201604-201712
*264
*264
*264
*264
*264
*419
*264
*419
*264
main90311-T0074i1NRFE..NSP150..CVT..GEN..G..A;1NRFE..NSP150..CVT..GCC..(A,C);2NRFE..NSP151..LHD..CVT..GEN..A;2NRFE..NSP151..RHD..(GEN,IND,MA);1NRFE..NSP150..5F..GCC..R..(A,C);2NRFE¥1,390201708-202207
*264
11416BOLT(FOR CRANKSHAFT BEARING CAP SET)
(J)
*230 OR *432
*264
*230 OR *432
main90910-T2013i1NRFE..NSP150..GCC;2NRFE..NSP151..(D,R)..C;2NRFE..NSP151..GCC..R..B;2NRFE..NSP151..(GCC,IDN)..G201604-201712
*264
main90910-T2013i1NRFE..NSP150..GCC;2NRFE..NSP151..(D,R)..C;2NRFE..NSP151..GCC..R..B;2NRFE..NSP151..(GCC,IDN)..G201607-201712
*230 OR *432
*264
*230 OR *432
*264
*230 OR *432
*264
*230 OR *432
*264
*230 OR *432
*419
*264
*230 OR *432
(L)
*419
*230 OR *432,*264
main90910-T2013i1NRFE..NSP150..5F..G..A;2NRFE..NSP151..CVT..D..C;1NRFE..NSP150..5F..GCC..D..(A,C)201708-202108
*230 OR *432,*264
*230 OR *432,*264
*264
11434CPIN, STRAIGHT (FOR CYLINDER HEAD SET)
L=18,OD=8
L=18,OD=8,(J)
L=18,OD=8,(J)
L=18,OD=8
L=18,OD=8,(J)
L=18,OD=8
L=18,OD=8
L=18,OD=8,(L)
L=18,OD=8,(L)
L=18,OD=8,(L)
L=18,OD=8,(L)
L=18,OD=8,(L)
L=18,OD=8,(L)
11434MPIN, STRAIGHT(FOR CHAIN TENSIONER)
(J)
(J)
(J)
(L)
(L)
(L)
(L)
(L)
(L)
11452GUIDE, OIL LEVEL GAGE
(L)
(L)
(L)
(L)
(L)
(L)
*264
*419
main11452-0Y020i1NRFE..NSP150..GCC;2NRFE..NSP151..(D,R)..C;2NRFE..NSP151..GCC..R..B;2NRFE..NSP151..(GCC,IDN)..G201604-201712
*264
*264
*264
*419
*264
*264
*264
*264
main11452-0Y020i1NRFE..NSP150..CVT..GEN..G..A;1NRFE..NSP150..CVT..GCC..(A,C);2NRFE..NSP151..LHD..CVT..GEN..A;2NRFE..NSP151..RHD..(GEN,IND,MA);1NRFE..NSP150..5F..GCC..R..(A,C);2NRFE201708-202207
*264
*264
main11452-0Y020i1NRFE..NSP150..5F..G..A;2NRFE..NSP151..CVT..D..C;1NRFE..NSP150..5F..GCC..D..(A,C)201708-202108
*264
*230 OR *432
*230 OR *432
*230 OR *432
main11452-0Y030i1NRFE..NSP150..GCC;2NRFE..NSP151..(D,R)..C;2NRFE..NSP151..GCC..R..B;2NRFE..NSP151..(GCC,IDN)..G201607-201712
*230 OR *432
*230 OR *432
*230 OR *432
*230 OR *432
*230 OR *432
*230 OR *432
main11452-0Y030i1NRFE..NSP150..5F..G..A;2NRFE..NSP151..CVT..D..C;1NRFE..NSP150..5F..GCC..D..(A,C)201708-202108
*230 OR *432
main11452-0Y030i1NRFE..NSP150..CVT..GEN..G..A;1NRFE..NSP150..CVT..GCC..(A,C);2NRFE..NSP151..LHD..CVT..GEN..A;2NRFE..NSP151..RHD..(GEN,IND,MA);1NRFE..NSP150..5F..GCC..R..(A,C);2NRFE201708-202207
*230 OR *432
(J)
(J)
(J)
(J)
(J)
(J)
11452BRING, O(FOR OIL LEVEL GAGE GUIDE)
*419
*419
main90301-T0025i1NRFE..NSP150..5F..G..A;2NRFE..NSP151..CVT..D..C;1NRFE..NSP150..5F..GCC..D..(A,C)201708-202108
*230 OR *432
*230 OR *432
*230 OR *432
main90301-T0025i1NRFE..NSP150..CVT..GEN..G..A;1NRFE..NSP150..CVT..GCC..(A,C);2NRFE..NSP151..LHD..CVT..GEN..A;2NRFE..NSP151..RHD..(GEN,IND,MA);1NRFE..NSP150..5F..GCC..R..(A,C);2NRFE201708-202207
*230 OR *432
(L)
(L)
(L)
(L)
(L)
*230 OR *432
*230 OR *432
main90301-T0025i1NRFE..NSP150..GCC;2NRFE..NSP151..(D,R)..C;2NRFE..NSP151..GCC..R..B;2NRFE..NSP151..(GCC,IDN)..G201607-201712
*230 OR *432
*230 OR *432
*230 OR *432
*230 OR *432
*230 OR *432
main90301-T0060i1NRFE..NSP150..GCC;2NRFE..NSP151..(D,R)..C;2NRFE..NSP151..GCC..R..B;2NRFE..NSP151..(GCC,IDN)..G¥130201604-201712
*264
*264
*264
*264
*264
main90301-T0060i1NRFE..NSP150..CVT..GEN..G..A;1NRFE..NSP150..CVT..GCC..(A,C);2NRFE..NSP151..LHD..CVT..GEN..A;2NRFE..NSP151..RHD..(GEN,IND,MA);1NRFE..NSP150..5F..GCC..R..(A,C);2NRFE¥130201708-202207
*264
main90301-T0060i1NRFE..NSP150..5F..G..A;2NRFE..NSP151..CVT..D..C;1NRFE..NSP150..5F..GCC..D..(A,C)¥130201708-202108
*264
*264
*264
*264
*264
(J)
(J)
(J)
(J)
(J)
12101PAN SUB-ASSY, OIL
*264
main12101-0Y040i2NRFE..NSP151..LHD..CVT..GEN..A;2NRFE..NSP151..RHD..(GEN,IND,MA);1NRFE..NSP150..5F..GCC..R..(A,C);2NRFE..NSP151..5F..(GEN,IDN)..(A,C);2NRFE..NSP151..(GCC,PH,TH,VN).201708-202207
*264
main12101-0Y040i1NRFE..NSP150..5F..G..A;2NRFE..NSP151..CVT..D..C;1NRFE..NSP150..5F..GCC..D..(A,C)201708-202108
*264
*264
*419
*264
*419
*264
*264
*264
*264
main12101-0Y040i1NRFE..NSP150..5F..GCC;2NRFE..NSP151..(D,R)..C;2NRFE..NSP151..GCC..R..B;2NRFE..NSP151..(GCC,IDN)..G201604-201712
*264
*264
*230 OR *432
*230 OR *432
main12101-0Y070i1NRFE..NSP150..5F..GCC;2NRFE..NSP151..(D,R)..C;2NRFE..NSP151..GCC..R..B;2NRFE..NSP151..(GCC,IDN)..G201607-201712
*230 OR *432
*230 OR *432
*230 OR *432
*230 OR *432
*230 OR *432
*230 OR *432
*230 OR *432
main12101-0Y070i1NRFE..NSP150..5F..G..A;2NRFE..NSP151..CVT..D..C;1NRFE..NSP150..5F..GCC..D..(A,C)201708-202108
*230 OR *432
main12101-0Y070i2NRFE..NSP151..LHD..CVT..GEN..A;2NRFE..NSP151..RHD..(GEN,IND,MA);1NRFE..NSP150..5F..GCC..R..(A,C);2NRFE..NSP151..5F..(GEN,IDN)..(A,C);2NRFE..NSP151..(GCC,PH,TH,VN).201708-202207
*230 OR *432
*264
*264
*264
*264
*230 OR *432
*230 OR *432
*230 OR *432
*230 OR *432
(L)
(L)
(L)
(L)
(L)
(L)
(J)
(J)
(J)
(J)
(J)
(J)
12101APLUG(FOR OIL PAN DRAIN)
*230 OR *432
*230 OR *432
*230 OR *432
main90341-12032i1NRFE..NSP150..GCC;2NRFE..NSP151..(D,R)..C;2NRFE..NSP151..GCC..R..B;2NRFE..NSP151..(GCC,IDN)..G¥190201607-201712
*230 OR *432
*230 OR *432
*230 OR *432
*230 OR *432
*230 OR *432
*230 OR *432
main90341-12032i1NRFE..NSP150..5F..G..A;2NRFE..NSP151..CVT..D..C;1NRFE..NSP150..5F..GCC..D..(A,C)¥190201708-202108
*230 OR *432
main90341-12032i1NRFE..NSP150..CVT..GEN..G..A;1NRFE..NSP150..CVT..GCC..(A,C);2NRFE..NSP151..LHD..CVT..GEN..A;2NRFE..NSP151..RHD..(GEN,IND,MA);1NRFE..NSP150..5F..GCC..R..(A,C);2NRFE¥190201708-202207
*230 OR *432
main90341-T0017i1NRFE..NSP150..5F..G..A;2NRFE..NSP151..CVT..D..C;1NRFE..NSP150..5F..GCC..D..(A,C)201708-202108
*264
*264
main90341-T0017i1NRFE..NSP150..CVT..GEN..G..A;1NRFE..NSP150..CVT..GCC..(A,C);2NRFE..NSP151..LHD..CVT..GEN..A;2NRFE..NSP151..RHD..(GEN,IND,MA);1NRFE..NSP150..5F..GCC..R..(A,C);2NRFE201708-202207
*264
*264
*264
*264
*419
*264
*264
main90341-T0017i1NRFE..NSP150..GCC;2NRFE..NSP151..(D,R)..C;2NRFE..NSP151..GCC..R..B;2NRFE..NSP151..(GCC,IDN)..G201604-201712
*264
*264
*264
*419
12101BGASKET(FOR OIL PAN DRAIN PLUG)
main90430-T0024i1NRFE..NSP150..CVT..GEN..G..A;1NRFE..NSP150..CVT..GCC..(A,C);2NRFE..NSP151..LHD..CVT..GEN..A;2NRFE..NSP151..RHD..(GEN,IND,MA);1NRFE..NSP150..5F..GCC..R..(A,C);2NRFE201708-202207
*230 OR *432
main90430-T0024i1NRFE..NSP150..CVT..GEN..G..A;1NRFE..NSP150..CVT..GCC..(A,C);2NRFE..NSP151..LHD..CVT..GEN..A;2NRFE..NSP151..RHD..(GEN,IND,MA);1NRFE..NSP150..5F..GCC..R..(A,C);2NRFE201708-202207
*264
*264
*230 OR *432
*264
*230 OR *432
main90430-T0024i1NRFE..NSP150..GCC;2NRFE..NSP151..(D,R)..C;2NRFE..NSP151..GCC..R..B;2NRFE..NSP151..(GCC,IDN)..G201604-201712
*264
main90430-T0024i1NRFE..NSP150..GCC;2NRFE..NSP151..(D,R)..C;2NRFE..NSP151..GCC..R..B;2NRFE..NSP151..(GCC,IDN)..G201607-201712
*230 OR *432
*264
*230 OR *432
*264
*230 OR *432
*264
*230 OR *432
*264
*230 OR *432
*264
*230 OR *432
*419
*230 OR *432,*264
main90430-T0024i1NRFE..NSP150..5F..G..A;2NRFE..NSP151..CVT..D..C;1NRFE..NSP150..5F..GCC..D..(A,C)201708-202108
*230 OR *432,*264
12101CRING, O(FOR OIL PAN)
(L)
(L)
(L)
(L)
(L)
(L)
*230 OR *432,NO.1
*230 OR *432,NO.1
*230 OR *432,NO.1
*230 OR *432,NO.1
main90301-T0054i1NRFE..NSP150..GCC;2NRFE..NSP151..(D,R)..C;2NRFE..NSP151..GCC..R..B;2NRFE..NSP151..(GCC,IDN)..G201607-201712
*230 OR *432,NO.1
*230 OR *432,NO.1
main90301-T0054i1NRFE..NSP150..CVT..GEN..G..A;1NRFE..NSP150..CVT..GCC..(A,C);2NRFE..NSP151..LHD..CVT..GEN..A;2NRFE..NSP151..RHD..(GEN,IND,MA);1NRFE..NSP150..5F..GCC..R..(A,C);2NRFE201708-202207
*230 OR *432,NO.1
main90301-T0054i1NRFE..NSP150..5F..G..A;2NRFE..NSP151..CVT..D..C;1NRFE..NSP150..5F..GCC..D..(A,C)201708-202108
*230 OR *432,NO.1
*230 OR *432,NO.1
*230 OR *432,NO.1
*230 OR *432,NO.1
*264,NO.1
*264,NO.1
*264,NO.1
main90301-T0055i1NRFE..NSP150..GCC;2NRFE..NSP151..(D,R)..C;2NRFE..NSP151..GCC..R..B;2NRFE..NSP151..(GCC,IDN)..G201604-201712
*264,NO.1
*264,NO.1
*264,NO.1
*264,NO.1
*419,NO.2
*264,NO.1
NO.1:REFER ILLUST.
*419,NO.2
*264,NO.1
main90301-T0055i1NRFE..NSP150..5F..G..A;2NRFE..NSP151..CVT..D..C;1NRFE..NSP150..5F..GCC..D..(A,C)201708-202108
*264,NO.1
main90301-T0055i1NRFE..NSP150..CVT..GEN..G..A;1NRFE..NSP150..CVT..GCC..(A,C);2NRFE..NSP151..LHD..CVT..GEN..A;2NRFE..NSP151..RHD..(GEN,IND,MA);1NRFE..NSP150..5F..GCC..R..(A,C);2NRFE201708-202207
*264,NO.1
NO.1
*230 OR *432,NO.2
*230 OR *432,NO.2
main90301-T0056i1NRFE..NSP150..5F..G..A;2NRFE..NSP151..CVT..D..C;1NRFE..NSP150..5F..GCC..D..(A,C)201708-202108
*230 OR *432,NO.2
*230 OR *432,NO.2
*230 OR *432,NO.2
main90301-T0056i1NRFE..NSP150..CVT..GEN..G..A;1NRFE..NSP150..CVT..GCC..(A,C);2NRFE..NSP151..LHD..CVT..GEN..A;2NRFE..NSP151..RHD..(GEN,IND,MA);1NRFE..NSP150..5F..GCC..R..(A,C);2NRFE201708-202207
*230 OR *432,NO.2
*230 OR *432,NO.2
*230 OR *432,NO.2
*230 OR *432,NO.2
main90301-T0056i1NRFE..NSP150..GCC;2NRFE..NSP151..(D,R)..C;2NRFE..NSP151..GCC..R..B;2NRFE..NSP151..(GCC,IDN)..G201607-201712
*230 OR *432,NO.2
*230 OR *432,NO.2
NO.2
*264,NO.2
*264,NO.2
*264,NO.2
*264,NO.2
*419,NO.1
*264,NO.2
NO.2:REFER ILLUST.
*264,NO.2
*419,NO.1
*264,NO.2
*264,NO.2
main90301-T0057i1NRFE..NSP150..5F..G..A;2NRFE..NSP151..CVT..D..C;1NRFE..NSP150..5F..GCC..D..(A,C)201708-202108
*264,NO.2
main90301-T0057i1NRFE..NSP150..GCC;2NRFE..NSP151..(D,R)..C;2NRFE..NSP151..GCC..R..B;2NRFE..NSP151..(GCC,IDN)..G201604-201712
*264,NO.2
main90301-T0057i1NRFE..NSP150..CVT..GEN..G..A;1NRFE..NSP150..CVT..GCC..(A,C);2NRFE..NSP151..LHD..CVT..GEN..A;2NRFE..NSP151..RHD..(GEN,IND,MA);1NRFE..NSP150..5F..GCC..R..(A,C);2NRFE201708-202207
*264,NO.2
(J)
(J)
(J)
12102APAN SUB-ASSY, OIL, NO.2
(L)
(L)
(L)
(L)
(L)
(L)
(J)
(J)
(J)
13516BJET, OIL
1501
15301GAGE SUB-ASSY, OIL LEVEL
main15301-0Y010i2NRFE..NSP151..LHD..CVT..GEN..A;2NRFE..NSP151..RHD..(GEN,IND,MA);1NRFE..NSP150..5F..GCC..R..(A,C);2NRFE..NSP151..5F..(GEN,IDN)..(A,C);2NRFE..NSP151..(GCC,PH,TH,VN).201708-202207
*264
*264
*264
main15301-0Y010i1NRFE..NSP150..5F..GCC;2NRFE..NSP151..(D,R)..C;2NRFE..NSP151..GCC..R..B;2NRFE..NSP151..(GCC,IDN)..G201604-201712
*264
*264
*264
*264
*264
*419
*264
*419
*264
main15301-0Y010i1NRFE..NSP150..5F..G..A;2NRFE..NSP151..CVT..D..C;1NRFE..NSP150..5F..GCC..D..(A,C)201708-202108
*264
main15301-0Y040i1NRFE..NSP150..5F..G..A;2NRFE..NSP151..CVT..D..C;1NRFE..NSP150..5F..GCC..D..(A,C)201708-202108
*230 OR *432
*230 OR *432
*230 OR *432
*230 OR *432
main15301-0Y040i1NRFE..NSP150..5F..GCC;2NRFE..NSP151..(D,R)..C;2NRFE..NSP151..GCC..R..B;2NRFE..NSP151..(GCC,IDN)..G201607-201712
*230 OR *432
*230 OR *432
*230 OR *432
*230 OR *432
*230 OR *432
main15301-0Y040i2NRFE..NSP151..LHD..CVT..GEN..A;2NRFE..NSP151..RHD..(GEN,IND,MA);1NRFE..NSP150..5F..GCC..R..(A,C);2NRFE..NSP151..5F..(GEN,IDN)..(A,C);2NRFE..NSP151..(GCC,PH,TH,VN).201708-202207
*230 OR *432
*230 OR *432
*230 OR *432
*264
*230 OR *432
*264
*230 OR *432
*264
*230 OR *432
*264
9011906848
90119T0012
main90119-T0012
90119T0014
main90119-T0014
9012606015
9017906326
90301T0018
main90301-T0018
91621G0612
9167180614
9674119005
26 parts on this diagram · 4 diagrams in section