Toyota VIOS/YARIS/YARISATIV — AIR CLEANER

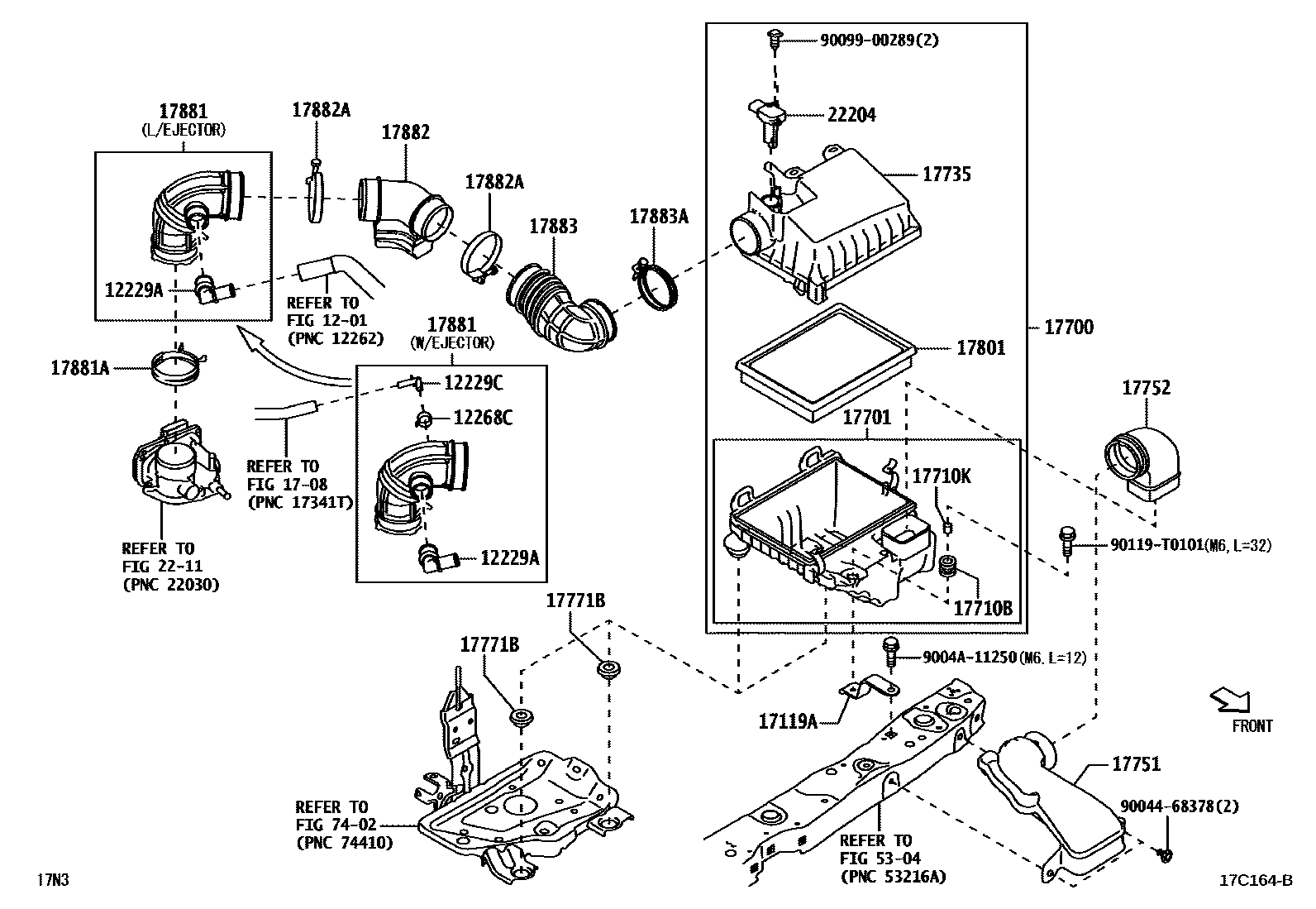
1201
12229APIPE, VENTILATION
12229CPIPE, VENTILATION, NO.2
main12229-0Y110i1NRVE..NGC101..5F..L;2NRVE..NGC102..CVT..L;1NRVE,2NRVE..NGC101,102..H..GCC202208-202310
MEXICO
main12229-0Y110i1NRVE..NGC101..5F..L;2NRVE..NGC102..CVT..L;1NRVE,2NRVE..NGC101,102..H..GCC202208-202310
ECUADOR
main12229-0Y110i1NRVE..NGC101..5F..L;2NRVE..NGC102..CVT..L;1NRVE,2NRVE..NGC101,102..H..GCC202208-202310
YEMEN,JORDAN,LEBANON&GRADE PACKAGE-MID+ALPHA(SAUDI ARABIA)
PERU
12268CCLIP, HOSE
ECUADOR
main96136-41901i1NRVE..NGC101..5F..L;2NRVE..NGC102..CVT..L;1NRVE,2NRVE..NGC101,102..H..GCC¥120202208-202310
PERU
main96136-41901i1NRVE..NGC101..5F..L;2NRVE..NGC102..CVT..L;1NRVE,2NRVE..NGC101,102..H..GCC¥120202208-202310
MEXICO
main96136-41901i1NRVE..NGC101..5F..L;2NRVE..NGC102..CVT..L;1NRVE,2NRVE..NGC101,102..H..GCC¥120202208-202310
YEMEN,JORDAN,LEBANON&GRADE PACKAGE-MID+ALPHA(SAUDI ARABIA)
1708
17119ABRACKET, AIR CLEANER
17700CLEANER ASSY, AIR
17701CASE SUB-ASSY, AIR CLEANER
17710BGROMMET
17710KCOLLAR(FOR AIR CLEANER)
17735CAP, AIR CLEANER
17751INLET, AIR CLEANER, NO.1
17752INLET, AIR CLEANER, NO.2
17771BGROMMET(FOR AIR CLEANER BRACKET)
17801ELEMENT SUB-ASSY, AIR CLEANER FILTER
17881HOSE, AIR CLEANER, NO.1
main17881-BZ340i1NRVE..NGC101..5F..M;2NRVE..NGC102..5F..L;2NRVE..NGC102..M..GCC;1NRVE..NGC101..H..GEN;1NRVE..NGC101..CVT..(L,M);2NRVE..NGC102..(H,M)..(GEN,MA,PHL)202208
PERU
MEXICO
ECUADOR
YEMEN,JORDAN,LEBANON&GRADE PACKAGE-MID+ALPHA(SAUDI ARABIA)
17881ACLAMP(FOR AIR CLEANER HOSE, NO.1)
17882HOSE, AIR CLEANER, NO.2
17882ACLAMP(FOR AIR CLEANER HOSE, NO.2)
17883HOSE, AIR CLEANER, NO.3
17883ACLAMP(FOR AIR CLEANER HOSE, NO.3)
2211
22204METER SUB-ASSY, INTAKE AIR FLOW
5304
7402
9004468378
9004A11250
main9004A-11250
9009900289
90119T0101
29 parts on this diagram · 3 diagrams in section