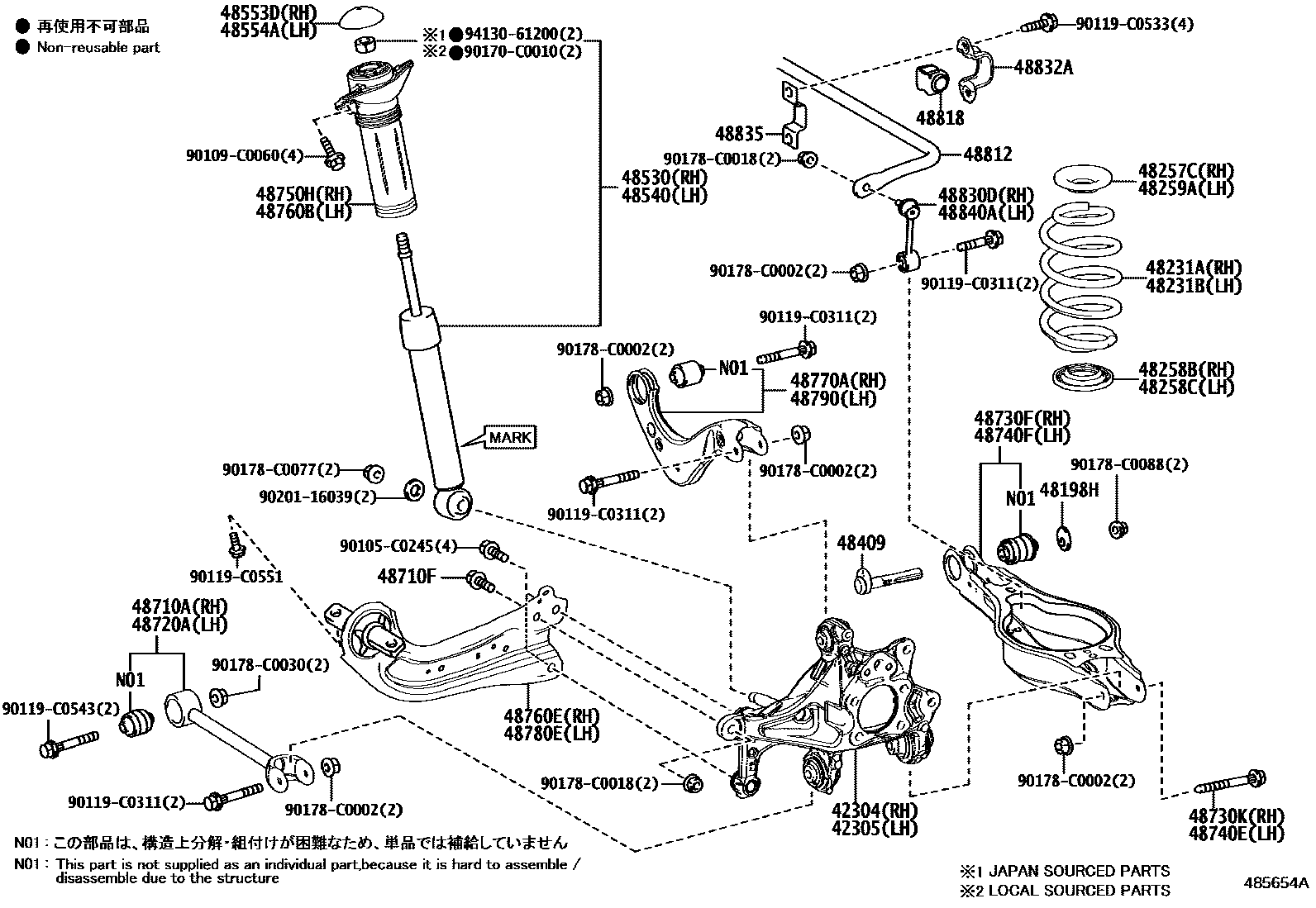
Toyota VENZA — REAR SPRING & SHOCK ABSORBER

42304CARRIER SUB-ASSY, REAR AXLE, RH
42305CARRIER SUB-ASSY, REAR AXLE, LH
48198HCAM, CAMBER ADJUST, NO.2
(L)
(J)
48257CINSULATOR, REAR COIL SPRING, UPPER RH
48258BINSULATOR, REAR COIL SPRING, LOWER RH
48258CINSULATOR, REAR COIL SPRING, LOWER LH
48259AINSULATOR, REAR COIL SPRING, UPPER LH
48409CAM SUB-ASSY, REAR SUSPENSION TOE ADJUST
48530ABSORBER ASSY, SHOCK, REAR RH
MARK 48530-0E190
MARK 48530-0E200
MARK 48530-0E210
MARK 48530-0E220
48540ABSORBER ASSY, SHOCK, REAR LH
MARK 48530-0E190
MARK 48530-0E200
MARK 48530-0E210
MARK 48530-0E220
48553DCAP, REAR SHOCK ABSORBER, RH
48554ACAP, REAR SHOCK ABSORBER, LH
48710AARM ASSY, REAR SUSPENSION, NO.1 RH
48710FBOLT(FOR REAR TRAILING ARM)
48720AARM ASSY, REAR SUSPENSION, NO.1 LH
48730FARM ASSY, REAR SUSPENSION, NO.2 RH
48730KBOLT(FOR REAR SUSPENSION ARM NO.2 RH)
48740EBOLT(FOR REAR SUSPENSION ARM NO.2 LH)
48740FARM ASSY, REAR SUSPENSION, NO.2 LH
48750HSUPPORT ASSY, REAR SUSPENSION, RH
48760BSUPPORT ASSY REAR SUSPENSION, LH
48760EARM ASSY, TRAILING, REAR RH
48770AARM ASSY, UPPER CONTROL, REAR RH
48780EARM ASSY, TRAILING, REAR LH
48790ARM ASSY, UPPER CONTROL, REAR LH
48812BAR, STABILIZER, REAR
48818BUSH, STABILIZER, REAR
48830DLINK ASSY, REAR STABILIZER, RH
48832ABRACKET, REAR STABILIZER BAR, NO.1
48835BRACKET, REAR STABILIZER, LOWER
48840ALINK ASSY, REAR STABILIZER, LH
90105C0245
main90105-C0245
90109C0060
main90109-C0060
90119C0311
main90119-C0311
90119C0533
main90119-C0533
90119C0543
main90119-C0543
90119C0551
main90119-C0551
90170C0010
main90170-C0010
90178C0002
main90178-C0002
90178C0018
main90178-C0018
90178C0030
main90178-C0030
90178C0077
main90178-C0077
90178C0088
main90178-C0088
9020116039
9413061200
47 parts on this diagram · 1 diagram in section