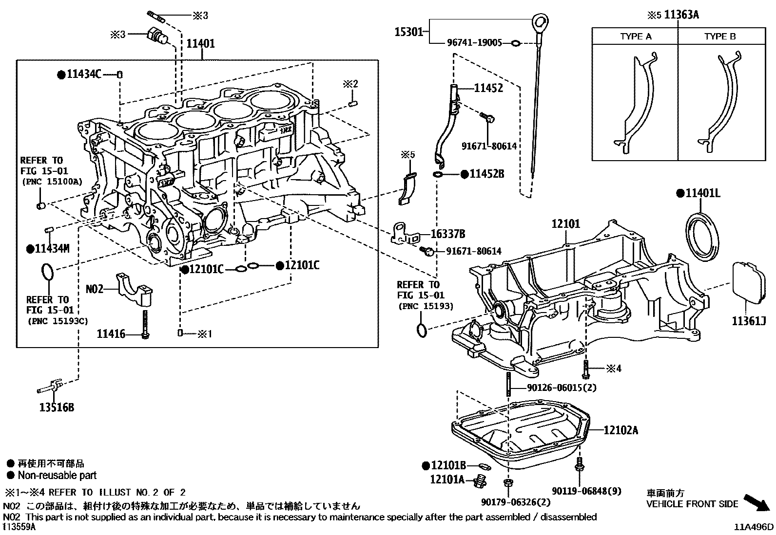
Toyota SIENTA — CYLINDER BLOCK

11361JCOVER, FLYWHEEL HOUSING UNDER
11363ACOVER, FLYWHEEL HOUSING SIDE
�s�x�o�d�@�`�F�C���X�g�Q��
�s�x�o�d�@�`�F�C���X�g�Q��
�s�x�o�d�@�a�F�C���X�g�Q��
�s�x�o�d�@�a�F�C���X�g�Q��
11401BLOCK SUB-ASSY, CYLINDER
11401LSEAL, ENGINE REAR OIL
11416BOLT(FOR CRANKSHAFT BEARING CAP SET)
11434CPIN, STRAIGHT (FOR CYLINDER HEAD SET)
�������P�W�C�O�a���W
�������P�W�C�O�a���W
11434MPIN, STRAIGHT(FOR CHAIN TENSIONER)
11452GUIDE, OIL LEVEL GAGE
11452BRING, O(FOR OIL LEVEL GAGE GUIDE)
12101PAN SUB-ASSY, OIL
12101APLUG(FOR OIL PAN DRAIN)
12101BGASKET(FOR OIL PAN DRAIN PLUG)
12101CRING, O(FOR OIL PAN)
�m�n�D�Q�F�C���X�g�Q��
�m�n�D�Q�F�C���X�g�Q��
�m�n�D�P�F�C���X�g�Q��
�m�n�D�P�F�C���X�g�Q��
12102APAN SUB-ASSY, OIL, NO.2
13516BJET, OIL
1501
15301GAGE SUB-ASSY, OIL LEVEL
16337BSTAY, WATER OUTLET, NO.1
9011906848
9012606015
9017906326
9167180614
9674119005
23 parts on this diagram · 6 diagrams in section