Toyota SIENTA (JPP) — STEERING COLUMN & SHAFT

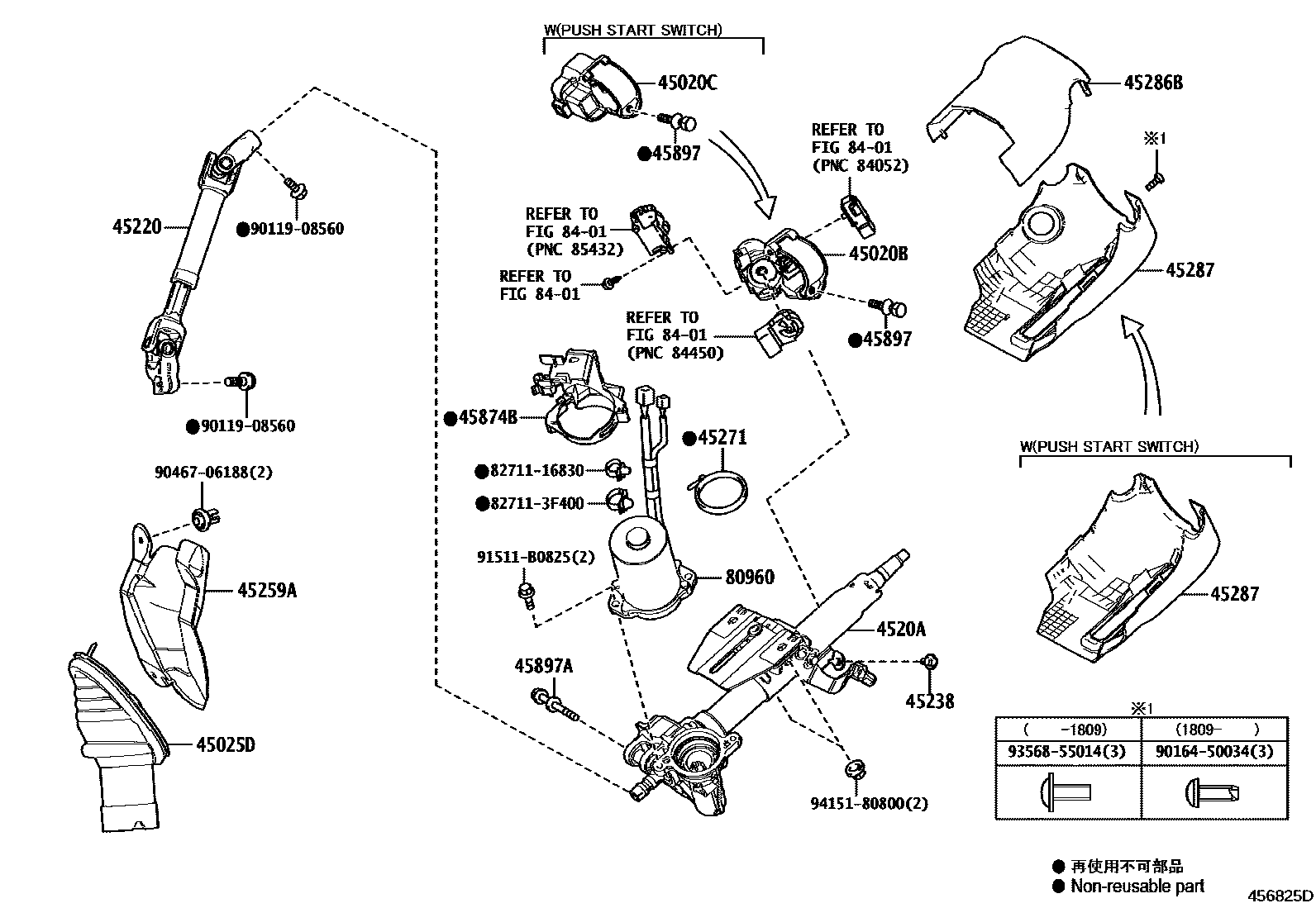
45020BACTUATOR OR UPPER BRACKET ASSY, STEERING LOCK
45020CACTUATOR ASSY, STEERING LOCK(W/ECU)
SMART ENTRY-WITH(FRONT DOOR & BACK DOOR)
45025DCOVER SUB-ASSY, STEERING COLUMN HOLE, NO.1
4520ACOLUMN SUB-ASSY, ELECTRIC POWER STEERING
SMART ENTRY-WITH(FRONT DOOR & BACK DOOR)
45220SHAFT ASSY, STEERING INTERMEDIATE
45238CLAMP, BOLT(FOR STEERING FLEXIBLE COUPLING)
45259ASHEET, COLUMN HOLE COVER SILENCER
45271CLAMP, STEERING COLUMN, UPPER
45286BCOVER, STEERING COLUMN, UPR
SMART ENTRY-WITH(FRONT DOOR & BACK DOOR),BLACK,TRIM0#,2#
BLACK,TRIM0#,2#
BLACK,TRIM2#
45287COVER, STEERING COLUMN, LWR
BLACK,TRIM0#,2#
SMART ENTRY-WITH(FRONT DOOR & BACK DOOR),BLACK,TRIM0#,2#
45874BPROTECTOR, STEERING COLUMN, NO.1
45897BOLT, STEERING LOCK SET
45897ABOLT, TILT STEERING PAWL SET
80960MOTOR ASSY, POWER STEERING
8401
8271116830WIRE, FUSE TO FUSE(FOR COMBUSTION HEATER)
827113F400WIRE, FUSE TO FUSE(FOR COMBUSTION HEATER)
9011908560
9016450034
9046706188
91511B0825
9356855014
9415180800
23 parts on this diagram · 1 diagram in section