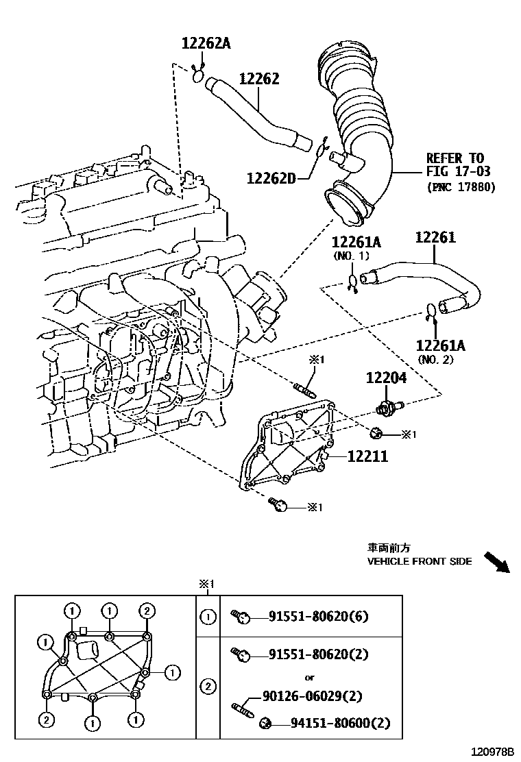
Toyota NOAH/VOXY — VENTILATION HOSE

12204VALVE SUB-ASSY, VENTILATION
12211CASE, VENTILATION, NO.1
12261HOSE, VENTILATION
12261ACLIP OR CLAMP(FOR VENTILATION HOSE)
NO.2
NO.1
12262HOSE, VENTILATION, NO.2
12262ACLIP(FOR VENTILATION HOSE NO.2)
12262DCLIP(FOR VENTILATION HOSE NO.2)
1703
9012606029
9155180620
9415180600
11 parts on this diagram · 1 diagram in section