Toyota LITEACE — REAR BODY SIDE PANEL

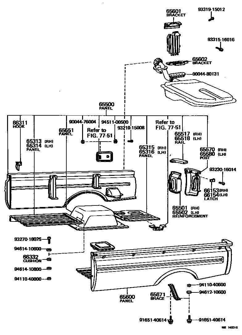
65313PANEL, FLOOR FRONT CORNER, RH
65314PANEL, FLOOR FRONT CORNER, LH
65315PANEL, FLOOR REAR CORNER, RH
65316PANEL, FLOOR REAR CORNER, LH
65501REINFORCEMENT SUB-ASSY, REAR END POST, INNER RH
65502REINFORCEMENT SUB-ASSY, REAR END POST, INNER LH
65517RAIL, SIDE PANEL TOP, REAR RH
65518RAIL, SIDE PANEL TOP, REAR LH
65570POST ASSY, SIDE PANEL REAR END, RH
65580POST ASSY, SIDE PANEL REAR END, LH
65601BRACKET SUB-ASSY, FUEL EXPANSION TANK, NO.1
65602BRACKET, FUEL EXPANSION TANK, NO.2
65671BRACE, SIDE PANEL SKIRT, FRONT
RH.
LH.
66153LATCH, TAIL GATE FEMALE, RH
66154LATCH, TAIL GATE FEMALE, LH
66311HOOK, ROPE
66332CUSHION, RUBBER
7751
9004476004
main90044-76004
9004480131
main90044-80131
9165140614
9321915008
main93219-15008
9323016014
9327018025
9331516016
9331915012
9411040600
9411040800
9451100500
9461210600
9461410800
34 parts on this diagram · 2 diagrams in section