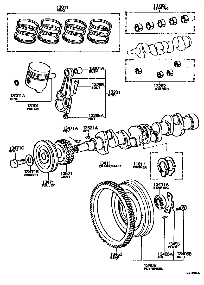
Toyota LITEACE — CRANKSHAFT & PISTON

11011WASHER SET, CRANKSHAFT THRUST
STD,STD
O/S 0.125,O/S 0.125
O/S 0.250,O/S 0.25
11702BEARING SET, CRANKSHAFT
STD
U/S 0.05
U/S 0.25,U/S 0.25
U/S 0.50
U/S 0.75
13011RING SET, PISTON
13101PISTON SUB-ASSY, W/PIN
STD,STD
O/S 0.50,O/S 0.50
O/S 0.75,O/S 0.75
O/S 1.00,O/S 1.00
13101ARING, HOLE SNAP(FOR PISTON PIN)
13201ROD SUB-ASSY, CONNECTING
13201ABUSH(FOR CONNECTING ROD SMALL END)
13202BEARING SET, CONNECTING ROD
13265BOLT, CONNECTING ROD
13265ANUT, HEXAGON(FOR CONNECTING ROD BOLT)
13405FLYWHEEL SUB-ASSY
N=106
13405APIN, STRAIGHT(FOR FLYWHEEL)
L=18,OD=8
13405BBOLT, FLYWHEEL SETTING
13411ABEARING(FOR INPUT SHAFT FRONT)
6001 ZZ C3
13453GEAR, FLYWHEEL RING
13455PLATE, FLYWHEEL BOLT LOCK, NO.1
13471PULLEY, CRANKSHAFT
13471AKEY, CRANKSHAFT(FOR CRANKSHAFT PULLEY SET)
13471BWASHER, PLATE(FOR CRANKSHAFT PULLEY SET)
13471CBOLT(FOR CRANKSHAFT PULLEY SET)
13521GEAR OR SPROCKET, CRANKSHAFT TIMING
13521AKEY(FOR CRANKSHAFT TIMING GEAR)
23 parts on this diagram · 1 diagram in section