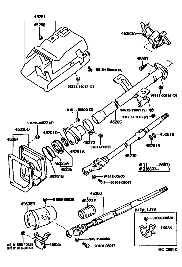
Toyota LAND CRUISER — STEERING COLUMN & SHAFT

45025DCOVER SUB-ASSY, STEERING COLUMN HOLE, NO.1
RIGID
COLLAPSIBLE
45201BRING, SHAFT SNAP(FOR STEERING MAIN SHAFT)
T=1.20,FLAT TYPE
T=1.20,CURVED TYPE
45201DRING(FOR STEERING MAIN SHAFT)
45205TUBE SUB-ASSY, STEERING COLUMN
W/TILT STRG(RIGID)
W/TILT STRG(COLLAPSIBLE)
45210SHAFT ASSY, STEERING MAIN
45222FCOVER, DUST
45225BLOCK, BEARING
45225ARING, O(FOR BEARING BLOCK)
45254SHIELD, STEERING COLUMN HOLE
45260SHAFT ASSY, STEERING INTERMEDIATE, NO.2
RIGID STEERING
COLLAPSIBLE STEERING
RIGID STEERING
COLLAPSIBLE STEERING
45272CLAMP, STEERING COLUMN, LOWER
45280ABRACKET ASSY, STEERING COLUMN, UPPER
45281HOUSING, STEERING COLUMN
GRAY,SHADOW GRAY
BROWN,SEPIA BROWN
GRAY,W/TILT STRG,SHADOW GRAY
BROWN,W/TILT STRG,SEPIA BROWN
GRAY,W/*DTY WINDOW,SHADOW GRAY
BROWN,W/*DTY WINDOW,SEPIA BROWN
GRAY,W/*DTY WINDOW & TILT STRG,SHADOW GRAY
BROWN,W/*DTY WINDOW & TILT STR,SEPIA BROWN
45291SEAL, MAIN SHAFT UPPER DUST
COLLAPSIBLE
RIGID
45291ASUPPORT, STEERING COLUMN TUBE
45291BRING, O(FOR STEERING COLUMN TUBE SUPPORT)
45298PLUG, STEERING COLUMN COVER
45635SUPPORT, INTERMEDIATE LINK JOINT PROTECTOR
45636BPROTECTOR, INTERMEDIATE LINK JOINT
45897BOLT, STEERING LOCK SET
9010108047
9016450048
9017910178
9161160616
9161160820
9161160825
9161661025
9165560620
9165640822
9165640825
9165660825
9331514012
9451200800
9461211001
34 parts on this diagram · 4 diagrams in section