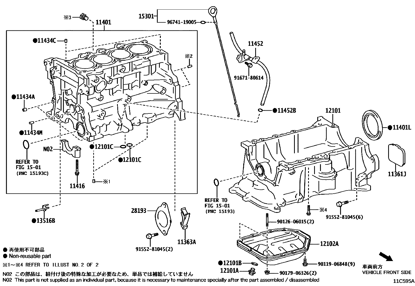
Toyota JPNTAXI — CYLINDER BLOCK

11361JCOVER, FLYWHEEL HOUSING UNDER
11363ACOVER, FLYWHEEL HOUSING SIDE
11401BLOCK SUB-ASSY, CYLINDER
11401LSEAL, ENGINE REAR OIL
11416BOLT(FOR CRANKSHAFT BEARING CAP SET)
11434APIN, STRAIGHT(FOR TIMING GEAR COVER SET)
�������W�C�O�a���W
11434CPIN, STRAIGHT (FOR CYLINDER HEAD SET)
�������P�W�C�O�a���W
11434MPIN, STRAIGHT(FOR CHAIN TENSIONER)
11452GUIDE, OIL LEVEL GAGE
11452BRING, O(FOR OIL LEVEL GAGE GUIDE)
12101PAN SUB-ASSY, OIL
12101APLUG(FOR OIL PAN DRAIN)
12101BGASKET(FOR OIL PAN DRAIN PLUG)
12101CRING, O(FOR OIL PAN)
12102APAN SUB-ASSY, OIL, NO.2
13516BJET, OIL
1501
15301GAGE SUB-ASSY, OIL LEVEL
28193INSULATOR, STARTER HOLE
9011906848
9012606015
9017906326
9155281045
9167180614
9674119005
25 parts on this diagram · 2 diagrams in section