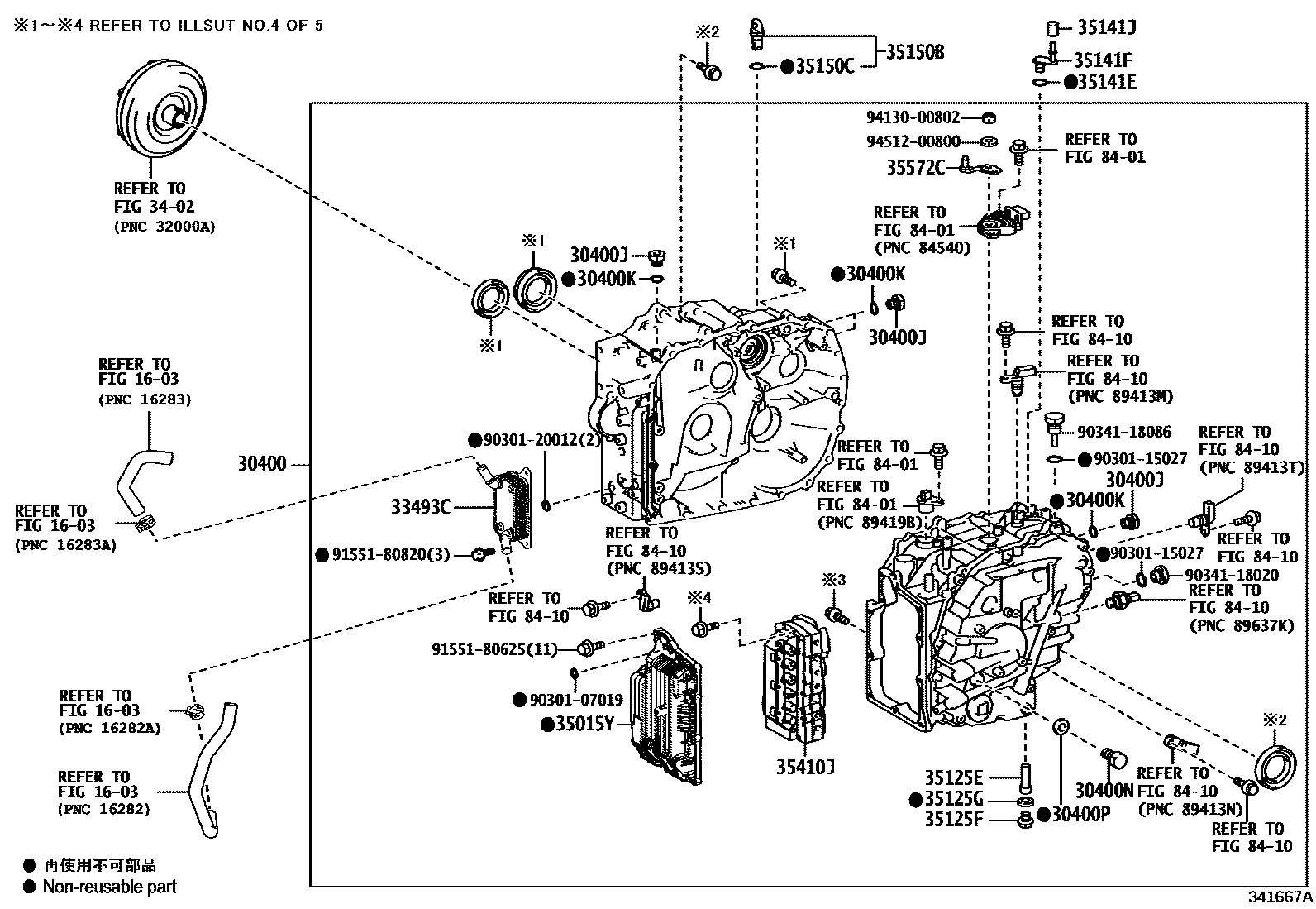
Toyota INNOVA — TRANSAXLE ASSY(CVT)

1603
30400TRANSAXLE ASSY, CONTINUOUSLY VARIABLE
K120
30400JPLUG, TRANSAXLE HOLE
30400KGASKET, TRANSAXLE HOLE PLUG
30400NPLUG, REFILL(CVT)
30400PGASKET, REFILL PLUG(CVT)
33493CCOOLER, TRANSMISSION OIL
3402
35015YCOVER SUB-ASSY, TRANSAXLE SIDE
35125ETUBE, OVERFLOW(CVT)
35125FPLUG, OVERFLOW(CVT)
35125GGASKET, OVERFLOW PLUG(CVT)
35141ERING, O(FOR BREATHER PLUG)
35141FPLUG, BREATHER, NO.1(CVT)
35141JPLUG, BREATHER, NO.2(CVT)
35150BPLUG ASSY, TRANSMISSION CASE
35150CRING, O (FOR TRANSMISSION CASE PLUG)
35410JBODY ASSY, TRANSMISSION VALVE
35572CLEVER, TRANSMISSION CONTROL SHAFT
8401
8410
9030107019
9030115027
9030120012
9034118020
9034118086
9155180625
9155180820
9413000802
9451200800
30 parts on this diagram · 5 diagrams in section