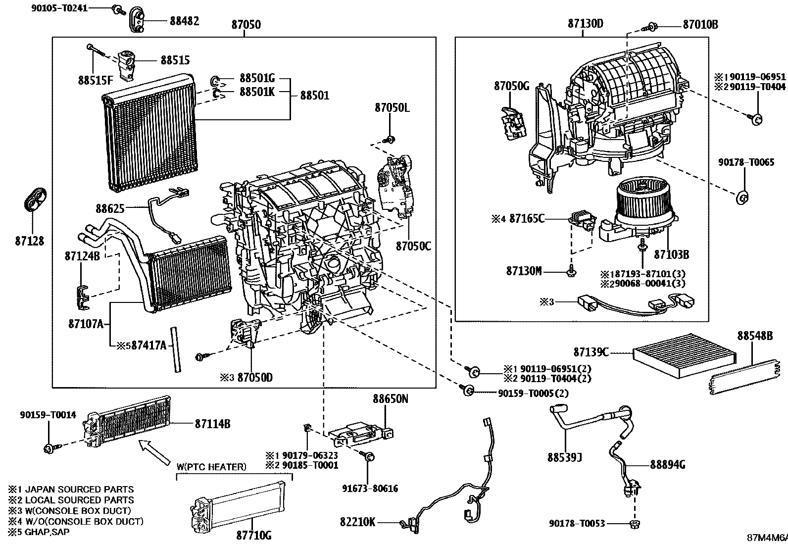
Toyota HILUX (DOUBLE CAB) — HEATING & AIR CONDITIONING - COOLER UNIT

82210KHARNESS ASSY, AIR CONDITIONER
main82212-0K050iGUN126..S..MHV;GUN126..6FC..KEN;GUN126..RHD..H..SA;GGN125,GUN125,136..RHD..H..(GEN,IDN,SA)¥900202408
TOYOTA STOP & START SYSTEM-WITH&FRONT AIR CONDITIONER-AUTO
FRONT AIR CONDITIONER-AUTO
FRONT AIR CONDITIONER-MANUAL(DOP - DEALERSHIP INSTALL)
FRONT AIR CONDITIONER-AUTO
MLM ADVENTURE PACKAGE&SEAT COVER MATERIAL-NATURAL LEATHER&ACCESSORY CONNECTOR(NO.1)-12V:2 & USB SOCKET(REAR)
MLM ADVENTURE PACKAGE&SEAT COVER MATERIAL-NATURAL LEATHER
MLM ADVENTURE PACKAGE&FRONT AIR CONDITIONER-AUTO&SEAT COVER MATERIAL-NATURAL LEATHER
ACCESSORY CONNECTOR(NO.1)-12V:2 & USB SOCKET(REAR)
FRONT AIR CONDITIONER-AUTO(DOP - DEALERSHIP INSTALL)
HEATER CONTROL PANEL-AUTO AIR CONDITIONER(DOP)&FRONT AIR CONDITIONER-AUTO(DOP - DEALERSHIP INSTALL)
GR SPORT WIDE TREAD&SEAT COVER MATERIAL-SUEDE & LEATHER(FOR GR SPORT)
MLM ADVENTURE WIDE TREAD&SEAT COVER MATERIAL-NATURAL LEATHER
87010BSCREW(FOR AIR CONDITIONER UNIT)
main90068-00042iGUN126..S..IV3;GUN126..H..MHV..IV3;GUN136,TGN121..6FC..ARL;GUN136,TGN121..LHD..THP;GUN126..(CAMP,INDP,MMRP,THP)..CBU;GGN125,GUN120,121,122,125,135,TGN120,126,136..T202408
HEATER CONTROL PANEL-AUTO AIR CONDITIONER(DOP)&FRONT AIR CONDITIONER-AUTO(DOP - DEALERSHIP INSTALL)
main90068-00042iGUN126..S..IV3;GUN126..H..MHV..IV3;GUN136,TGN121..6FC..ARL;GUN136,TGN121..LHD..THP;GUN126..(CAMP,INDP,MMRP,THP)..CBU;GGN125,GUN120,121,122,125,135,TGN120,126,136..T202408
FRONT AIR CONDITIONER-MANUAL(DOP - DEALERSHIP INSTALL)
main90068-00042iGUN126..S..IV3;GUN126..H..MHV..IV3;GUN136,TGN121..6FC..ARL;GUN136,TGN121..LHD..THP;GUN126..(CAMP,INDP,MMRP,THP)..CBU;GGN125,GUN120,121,122,125,135,TGN120,126,136..T202408
FRONT AIR CONDITIONER-AUTO(DOP - DEALERSHIP INSTALL)
FRONT AIR CONDITIONER-MANUAL(DOP - DEALERSHIP INSTALL)
main90099-00968iGUN125..MA;GUN126..6FC..KEN;GUN126..H..DCRL..(GHA,MA,SA);GGN125,GUN125,136..H..(DCRL,HTWC)..SA202409
87050RADIATOR ASSY, AIR CONDITIONER
FRONT AIR CONDITIONER-MANUAL
FRONT AIR CONDITIONER-MANUAL
FRONT AIR CONDITIONER-MANUAL(DOP - PLANT INSTALL)
FRONT AIR CONDITIONER-MANUAL(DOP - DEALERSHIP INSTALL)
main87050-0KD10iTGN121..GEN;TGN121..5F..S;GUN122,125..MTM..L..GCC;GUN125,135..THP..6F..LA;TGN126..THP..5F..(L,S)..(GCC,LA)202408
HEATER CONTROL PANEL-MANUAL AIR CONDITIONER&FRONT AIR CONDITIONER-MANUAL
ASIA COLD COUNTRY SPEC
ASIA COLD COUNTRY SPEC&FRONT AIR CONDITIONER-MANUAL
FRONT AIR CONDITIONER-MANUAL(DOP - DEALERSHIP INSTALL)
FRONT AIR CONDITIONER-MANUAL(DOP - PLANT INSTALL)
FRONT AIR CONDITIONER-MANUAL
main87050-0KP30iGUN135..6FC..PH;GUN126,135..6F..H..PH;GUN126..LHD..6FC..S..GEN;GUN126..THP..6FC..H..DCRL..(LA,PH,VN);GUN125,136,TGN126..LHD..THP..MTM..H..(GEN,LA)202408
FRONT AIR CONDITIONER-AUTO
main87050-0KP30iGUN135..6FC..PH;GUN126,135..6F..H..PH;GUN126..LHD..6FC..S..GEN;GUN126..THP..6FC..H..DCRL..(LA,PH,VN);GUN125,136,TGN126..LHD..THP..MTM..H..(GEN,LA)202408
FRONT AIR CONDITIONER-MANUAL(DOP - DEALERSHIP INSTALL)
ASIA COLD COUNTRY SPEC
GR SPORT WIDE TREAD&SEAT COVER MATERIAL-SUEDE & LEATHER(FOR GR SPORT)
HEATER CONTROL PANEL-AUTO AIR CONDITIONER(DOP)&FRONT AIR CONDITIONER-AUTO(DOP - DEALERSHIP INSTALL)
FRONT AIR CONDITIONER-AUTO(DOP - DEALERSHIP INSTALL)
MLM ADVENTURE WIDE TREAD&SEAT COVER MATERIAL-NATURAL LEATHER
MLM ADVENTURE PACKAGE&SEAT COVER MATERIAL-NATURAL LEATHER
MLM ADVENTURE PACKAGE&FRONT AIR CONDITIONER-AUTO&SEAT COVER MATERIAL-NATURAL LEATHER
FRONT AIR CONDITIONER-AUTO
TOYOTA STOP & START SYSTEM-WITH&FRONT AIR CONDITIONER-AUTO
TOYOTA STOP & START SYSTEM-WITHOUT
TOYOTA STOP & START SYSTEM-WITH
FRONT AIR CONDITIONER-AUTO
FRONT AIR CONDITIONER-MANUAL(DOP - DEALERSHIP INSTALL)
SEAT COVER MATERIAL-SUEDE & LEATHER(FOR GR SPORT)
87050CDAMPER SERVO SUB-ASSY, AIR CONDITIONER RADIATOR, NO.1
main87106-F4060iGUN135..H..TH;GUN135..LHD..6F..H;GUN126..H..MHV..IV3;GUN135..6FC..(GEN,PH);GUN126..LHD..6FC..S..GEN;GUN126..6FC..H..(KEN,LA);GGN125,GUN122,125,136,TGN121,126..H;GUN202408
HEATER CONTROL PANEL-AUTO AIR CONDITIONER(DOP)&FRONT AIR CONDITIONER-AUTO(DOP - DEALERSHIP INSTALL)
main87106-F4060iGUN135..H..TH;GUN135..LHD..6F..H;GUN126..H..MHV..IV3;GUN135..6FC..(GEN,PH);GUN126..LHD..6FC..S..GEN;GUN126..6FC..H..(KEN,LA);GGN125,GUN122,125,136,TGN121,126..H;GUN202408
MLM ADVENTURE PACKAGE&FRONT AIR CONDITIONER-AUTO&SEAT COVER MATERIAL-NATURAL LEATHER
main87106-F4060iGUN135..H..TH;GUN135..LHD..6F..H;GUN126..H..MHV..IV3;GUN135..6FC..(GEN,PH);GUN126..LHD..6FC..S..GEN;GUN126..6FC..H..(KEN,LA);GGN125,GUN122,125,136,TGN121,126..H;GUN202408
TOYOTA STOP & START SYSTEM-WITH&FRONT AIR CONDITIONER-AUTO
main87106-F4060iGUN135..H..TH;GUN135..LHD..6F..H;GUN126..H..MHV..IV3;GUN135..6FC..(GEN,PH);GUN126..LHD..6FC..S..GEN;GUN126..6FC..H..(KEN,LA);GGN125,GUN122,125,136,TGN121,126..H;GUN202408
FRONT AIR CONDITIONER-AUTO
main87106-F4060iGUN135..H..TH;GUN135..LHD..6F..H;GUN126..H..MHV..IV3;GUN135..6FC..(GEN,PH);GUN126..LHD..6FC..S..GEN;GUN126..6FC..H..(KEN,LA);GGN125,GUN122,125,136,TGN121,126..H;GUN202408
FRONT AIR CONDITIONER-MANUAL(DOP - DEALERSHIP INSTALL)
main87106-F4060iGUN135..H..TH;GUN135..LHD..6F..H;GUN126..H..MHV..IV3;GUN135..6FC..(GEN,PH);GUN126..LHD..6FC..S..GEN;GUN126..6FC..H..(KEN,LA);GGN125,GUN122,125,136,TGN121,126..H;GUN202408
FRONT AIR CONDITIONER-AUTO(DOP - DEALERSHIP INSTALL)
87050DDAMPER SERVO SUB-ASSY, AIR CONDITIONER RADIATOR, NO.2
MLM ADVENTURE PACKAGE&FRONT AIR CONDITIONER-AUTO&SEAT COVER MATERIAL-NATURAL LEATHER
MLM ADVENTURE PACKAGE&SEAT COVER MATERIAL-NATURAL LEATHER
ACCESSORY CONNECTOR(NO.1)-12V:2 & USB SOCKET(REAR)
FRONT AIR CONDITIONER-AUTO(DOP - DEALERSHIP INSTALL)
HEATER CONTROL PANEL-AUTO AIR CONDITIONER(DOP)&FRONT AIR CONDITIONER-AUTO(DOP - DEALERSHIP INSTALL)
GR SPORT WIDE TREAD&SEAT COVER MATERIAL-SUEDE & LEATHER(FOR GR SPORT)
MLM ADVENTURE WIDE TREAD&SEAT COVER MATERIAL-NATURAL LEATHER
MLM ADVENTURE PACKAGE&SEAT COVER MATERIAL-NATURAL LEATHER&ACCESSORY CONNECTOR(NO.1)-12V:2 & USB SOCKET(REAR)
87050GDAMPER SERVO SUB-ASSY, AIR CONDITIONER RADIATOR, NO.5
main87106-0K241iGUN126..6FC..H..(BZAG,LA);GGN125,GUN122,125,136,TGN121,126..LHD..H;GUN126,135..LHD..6F..H..(BZAG,GCC,GEN,PH);GUN135,TGN136..(5F,6FC)..(H,S)..(GEN,LA,PH);GUN126..LHD202408
MLM ADVENTURE PACKAGE&FRONT AIR CONDITIONER-AUTO&SEAT COVER MATERIAL-NATURAL LEATHER
FRONT AIR CONDITIONER-AUTO(DOP - DEALERSHIP INSTALL)
FRONT AIR CONDITIONER-MANUAL(DOP - DEALERSHIP INSTALL)
FRONT AIR CONDITIONER-AUTO
HEATER CONTROL PANEL-AUTO AIR CONDITIONER(DOP)&FRONT AIR CONDITIONER-AUTO(DOP - DEALERSHIP INSTALL)
main87106-0K251iGUN126..S..MHV;GUN126..6FC..KEN;GUN126..H..MHV..IV3;GGN125,GUN125,126,13#..RHD..(INDP,MAP,SAP,THP)..H..CBU¥6,600202408
FRONT AIR CONDITIONER-AUTO
TOYOTA STOP & START SYSTEM-WITH&FRONT AIR CONDITIONER-AUTO
87050LSCREW(FOR AIR CONDITIONER RADIATOR)
FRONT AIR CONDITIONER-AUTO
FRONT AIR CONDITIONER-MANUAL(DOP - DEALERSHIP INSTALL)
FRONT AIR CONDITIONER-AUTO(DOP - DEALERSHIP INSTALL)
FRONT AIR CONDITIONER-MANUAL
TOYOTA STOP & START SYSTEM-WITH&FRONT AIR CONDITIONER-MANUAL
ASIA COLD COUNTRY SPEC&FRONT AIR CONDITIONER-MANUAL
TOYOTA STOP & START SYSTEM-WITHOUT
HEATER CONTROL PANEL-MANUAL AIR CONDITIONER&FRONT AIR CONDITIONER-MANUAL
FRONT AIR CONDITIONER-MANUAL(DOP - PLANT INSTALL)
TOYOTA STOP & START SYSTEM-WITH
TOYOTA STOP & START SYSTEM-WITH&FRONT AIR CONDITIONER-AUTO
MLM ADVENTURE PACKAGE&FRONT AIR CONDITIONER-AUTO&SEAT COVER MATERIAL-NATURAL LEATHER
HEATER CONTROL PANEL-AUTO AIR CONDITIONER(DOP)&FRONT AIR CONDITIONER-AUTO(DOP - DEALERSHIP INSTALL)
FRONT AIR CONDITIONER-MANUAL(DOP - DEALERSHIP INSTALL)
FRONT AIR CONDITIONER-AUTO
FRONT AIR CONDITIONER-MANUAL(DOP - PLANT INSTALL)
87103BMOTOR SUB-ASSY, BLOWER W/FAN
TOYOTA STOP & START SYSTEM-WITH&FRONT AIR CONDITIONER-AUTO
FRONT AIR CONDITIONER-MANUAL
FRONT AIR CONDITIONER-AUTO
TOYOTA STOP & START SYSTEM-WITH&FRONT AIR CONDITIONER-MANUAL
main87103-0K391iTGN121..GEN;TGN121..5F..S;GUN122,125..MTM..L..GCC;GUN125,135..THP..6F..LA;GUN126..THP..6FC..H..DCRL..LA;TGN126..THP..5F..(L,S)..(GCC,LA)202408
FRONT AIR CONDITIONER-AUTO
main87103-0K391iGUN135..6F..H..PH;GUN135..6FC..(PH,VN);GUN135..THP..6F..(LA,VN);GUN126..THP..H..(LA,PH,VN);GUN125,136,TGN126..LHD..THP..H..(GEN,LA);GUN122,125,126,TGN12#,136..LHD..202408
HEATER CONTROL PANEL-MANUAL AIR CONDITIONER&FRONT AIR CONDITIONER-MANUAL
main87103-0K391iGUN135..6F..H..PH;GUN135..6FC..(PH,VN);GUN135..THP..6F..(LA,VN);GUN126..THP..H..(LA,PH,VN);GUN125,136,TGN126..LHD..THP..H..(GEN,LA);GUN122,125,126,TGN12#,136..LHD..202408
FRONT AIR CONDITIONER-MANUAL(DOP - DEALERSHIP INSTALL)
GR SPORT WIDE TREAD&SEAT COVER MATERIAL-SUEDE & LEATHER(FOR GR SPORT)
MLM ADVENTURE PACKAGE&FRONT AIR CONDITIONER-AUTO&SEAT COVER MATERIAL-NATURAL LEATHER
MLM ADVENTURE PACKAGE&SEAT COVER MATERIAL-NATURAL LEATHER
MLM ADVENTURE PACKAGE&SEAT COVER MATERIAL-NATURAL LEATHER&ACCESSORY CONNECTOR(NO.1)-12V:2 & USB SOCKET(REAR)
MLM ADVENTURE WIDE TREAD&SEAT COVER MATERIAL-NATURAL LEATHER
HEATER CONTROL PANEL-AUTO AIR CONDITIONER(DOP)&FRONT AIR CONDITIONER-AUTO(DOP - DEALERSHIP INSTALL)
FRONT AIR CONDITIONER-AUTO(DOP - DEALERSHIP INSTALL)
ACCESSORY CONNECTOR(NO.1)-12V:2 & USB SOCKET(REAR)
FRONT AIR CONDITIONER-MANUAL(DOP - DEALERSHIP INSTALL)
SEAT COVER MATERIAL-SUEDE & LEATHER(FOR GR SPORT)
87107AUNIT SUB-ASSY, HEATER RADIATOR
TOYOTA STOP & START SYSTEM-WITH&FRONT AIR CONDITIONER-MANUAL
TOYOTA STOP & START SYSTEM-WITH&FRONT AIR CONDITIONER-AUTO
HEATER CONTROL PANEL-AUTO AIR CONDITIONER(DOP)&FRONT AIR CONDITIONER-AUTO(DOP - DEALERSHIP INSTALL)
FRONT AIR CONDITIONER-MANUAL
FRONT AIR CONDITIONER-AUTO
FRONT AIR CONDITIONER-MANUAL(DOP - DEALERSHIP INSTALL)
FRONT AIR CONDITIONER-AUTO(DOP - DEALERSHIP INSTALL)
FRONT AIR CONDITIONER-MANUAL(DOP - DEALERSHIP INSTALL)
87114BCOVER, HEATER
main87114-0K040iGUN126..S..IV3;GUN126..H..MHV..IV3;GUN136,TGN121..6FC..ARL;GUN136,TGN121..LHD..THP;GUN126..(CAMP,MMRP,THP)..CBU;GGN125,GUN120,121,122,125,135,TGN120,126,136..THP202408-202411
87124BCLAMP, HEATER
HEATER CONTROL PANEL-AUTO AIR CONDITIONER(DOP)&FRONT AIR CONDITIONER-AUTO(DOP - DEALERSHIP INSTALL)
main87124-06140iGUN126..S..IV3;TGN121..LHD..THP;GUN135..6F..H..PH;GUN126..H..MHV..IV3;GUN135..THP..6F..(GEN,LA,VN);GUN13#,TGN121..6FC..(ARL,GEN,PH,VN);GUN126..(CAMP,INDP,MAP,MMRP,T¥390202408
TOYOTA STOP & START SYSTEM-WITH&FRONT AIR CONDITIONER-MANUAL
main87124-06140iGUN126..S..IV3;TGN121..LHD..THP;GUN135..6F..H..PH;GUN126..H..MHV..IV3;GUN135..THP..6F..(GEN,LA,VN);GUN13#,TGN121..6FC..(ARL,GEN,PH,VN);GUN126..(CAMP,INDP,MAP,MMRP,T¥390202408
TOYOTA STOP & START SYSTEM-WITH&FRONT AIR CONDITIONER-AUTO
main87124-06140iGUN126..S..IV3;TGN121..LHD..THP;GUN135..6F..H..PH;GUN126..H..MHV..IV3;GUN135..THP..6F..(GEN,LA,VN);GUN13#,TGN121..6FC..(ARL,GEN,PH,VN);GUN126..(CAMP,INDP,MAP,MMRP,T¥390202408
FRONT AIR CONDITIONER-MANUAL
main87124-06140iGUN126..S..IV3;TGN121..LHD..THP;GUN135..6F..H..PH;GUN126..H..MHV..IV3;GUN135..THP..6F..(GEN,LA,VN);GUN13#,TGN121..6FC..(ARL,GEN,PH,VN);GUN126..(CAMP,INDP,MAP,MMRP,T¥390202408
FRONT AIR CONDITIONER-AUTO
main87124-06140iGUN126..S..IV3;TGN121..LHD..THP;GUN135..6F..H..PH;GUN126..H..MHV..IV3;GUN135..THP..6F..(GEN,LA,VN);GUN13#,TGN121..6FC..(ARL,GEN,PH,VN);GUN126..(CAMP,INDP,MAP,MMRP,T¥390202408
FRONT AIR CONDITIONER-MANUAL(DOP - DEALERSHIP INSTALL)
main87124-06140iGUN126..S..IV3;TGN121..LHD..THP;GUN135..6F..H..PH;GUN126..H..MHV..IV3;GUN135..THP..6F..(GEN,LA,VN);GUN13#,TGN121..6FC..(ARL,GEN,PH,VN);GUN126..(CAMP,INDP,MAP,MMRP,T¥390202408
FRONT AIR CONDITIONER-AUTO(DOP - DEALERSHIP INSTALL)
FRONT AIR CONDITIONER-MANUAL(DOP - DEALERSHIP INSTALL)
87128GROMMET, HEATER
main87128-0K180iGUN126..S..IV3;TGN121..LHD..THP;GUN135..6F..H..PH;GUN126..H..MHV..IV3;GUN126..(CAMP,MMRP,THP)..CBU;GUN135..THP..6F..(GEN,LA,VN);GUN125,13#..THP..H..(IDN,LA,TH);GUN1¥260202408
HEATER CONTROL PANEL-AUTO AIR CONDITIONER(DOP)&FRONT AIR CONDITIONER-AUTO(DOP - DEALERSHIP INSTALL)
main87128-0K180iGUN126..S..IV3;TGN121..LHD..THP;GUN135..6F..H..PH;GUN126..H..MHV..IV3;GUN126..(CAMP,MMRP,THP)..CBU;GUN135..THP..6F..(GEN,LA,VN);GUN125,13#..THP..H..(IDN,LA,TH);GUN1¥260202408
FRONT AIR CONDITIONER-MANUAL
main87128-0K180iGUN126..S..IV3;TGN121..LHD..THP;GUN135..6F..H..PH;GUN126..H..MHV..IV3;GUN126..(CAMP,MMRP,THP)..CBU;GUN135..THP..6F..(GEN,LA,VN);GUN125,13#..THP..H..(IDN,LA,TH);GUN1¥260202408
FRONT AIR CONDITIONER-AUTO
main87128-0K180iGUN126..S..IV3;TGN121..LHD..THP;GUN135..6F..H..PH;GUN126..H..MHV..IV3;GUN126..(CAMP,MMRP,THP)..CBU;GUN135..THP..6F..(GEN,LA,VN);GUN125,13#..THP..H..(IDN,LA,TH);GUN1¥260202408
FRONT AIR CONDITIONER-MANUAL(DOP - DEALERSHIP INSTALL)
main87128-0K180iGUN126..S..IV3;TGN121..LHD..THP;GUN135..6F..H..PH;GUN126..H..MHV..IV3;GUN126..(CAMP,MMRP,THP)..CBU;GUN135..THP..6F..(GEN,LA,VN);GUN125,13#..THP..H..(IDN,LA,TH);GUN1¥260202408
FRONT AIR CONDITIONER-AUTO(DOP - DEALERSHIP INSTALL)
TOYOTA STOP & START SYSTEM-WITH&FRONT AIR CONDITIONER-MANUAL
TOYOTA STOP & START SYSTEM-WITH&FRONT AIR CONDITIONER-AUTO
FRONT AIR CONDITIONER-MANUAL(DOP - DEALERSHIP INSTALL)
87130DBLOWER ASSY
main87130-0K561iGUN136,TGN121..6FC..(L,S)..ARL;GUN122,125,126,135..RHD..(L,S)..DCRL..(ARL,GEN,IND)202408
TOYOTA STOP & START SYSTEM-WITH&FRONT AIR CONDITIONER-MANUAL
main87130-0K561iGUN136,TGN121..6FC..(L,S)..ARL;GUN122,125,126,135..RHD..(L,S)..DCRL..(ARL,GEN,IND)202408
FRONT AIR CONDITIONER-MANUAL
main87130-0K581iGUN126..THP..(L,S)..LA;GUN126..THP..6F..H..LA;GUN126..LHD..6F..S..GEN;GUN122,125,135,TGN12#,136..LHD..THP..(L,S)..(GCC,GEN,LA,SA,VN)202408
FRONT AIR CONDITIONER-MANUAL(DOP - PLANT INSTALL)
main87130-0K581iGUN126..THP..(L,S)..LA;GUN126..THP..6F..H..LA;GUN126..LHD..6F..S..GEN;GUN122,125,135,TGN12#,136..LHD..THP..(L,S)..(GCC,GEN,LA,SA,VN)202408
ASIA COLD COUNTRY SPEC&FRONT AIR CONDITIONER-MANUAL
main87130-0K581iGUN126..THP..(L,S)..LA;GUN126..THP..6F..H..LA;GUN126..LHD..6F..S..GEN;GUN122,125,135,TGN12#,136..LHD..THP..(L,S)..(GCC,GEN,LA,SA,VN)202408
HEATER CONTROL PANEL-MANUAL AIR CONDITIONER&FRONT AIR CONDITIONER-MANUAL
main87130-0K581iGUN126..THP..(L,S)..LA;GUN126..THP..6F..H..LA;GUN126..LHD..6F..S..GEN;GUN122,125,135,TGN12#,136..LHD..THP..(L,S)..(GCC,GEN,LA,SA,VN)202408
FRONT AIR CONDITIONER-MANUAL
main87130-0K581iGUN126..THP..(L,S)..LA;GUN126..THP..6F..H..LA;GUN126..LHD..6F..S..GEN;GUN122,125,135,TGN12#,136..LHD..THP..(L,S)..(GCC,GEN,LA,SA,VN)202408
FRONT AIR CONDITIONER-MANUAL(DOP - DEALERSHIP INSTALL)
TOYOTA STOP & START SYSTEM-WITH&FRONT AIR CONDITIONER-AUTO
FRONT AIR CONDITIONER-AUTO
main87130-0K631iGUN135..6FC..PH;GUN126,135..6F..H..PH;GUN126..LHD..6FC..S..GEN;GUN126..THP..6FC..H..(LA,PH,VN);GUN125,136,TGN126..LHD..THP..H..(GEN,LA)202408
FRONT AIR CONDITIONER-AUTO
FRONT AIR CONDITIONER-MANUAL(DOP - DEALERSHIP INSTALL)
FRONT AIR CONDITIONER-AUTO(DOP - DEALERSHIP INSTALL)
ACCESSORY CONNECTOR(NO.1)-12V:2 & USB SOCKET(REAR)
MLM ADVENTURE PACKAGE&FRONT AIR CONDITIONER-AUTO&SEAT COVER MATERIAL-NATURAL LEATHER
MLM ADVENTURE PACKAGE&SEAT COVER MATERIAL-NATURAL LEATHER
MLM ADVENTURE PACKAGE&SEAT COVER MATERIAL-NATURAL LEATHER&ACCESSORY CONNECTOR(NO.1)-12V:2 & USB SOCKET(REAR)
MLM ADVENTURE WIDE TREAD&SEAT COVER MATERIAL-NATURAL LEATHER
GR SPORT WIDE TREAD&SEAT COVER MATERIAL-SUEDE & LEATHER(FOR GR SPORT)
HEATER CONTROL PANEL-AUTO AIR CONDITIONER(DOP)&FRONT AIR CONDITIONER-AUTO(DOP - DEALERSHIP INSTALL)
FRONT AIR CONDITIONER-MANUAL(DOP - DEALERSHIP INSTALL)
FRONT AIR CONDITIONER-MANUAL(DOP - PLANT INSTALL)
FRONT AIR CONDITIONER-MANUAL(DOP - DEALERSHIP INSTALL)
FRONT AIR CONDITIONER-AUTO
SEAT COVER MATERIAL-SUEDE & LEATHER(FOR GR SPORT)
FRONT AIR CONDITIONER-MANUAL
87130MSCREW(FOR BLOWER)
main90068-00042iGUN135..(L,S)..TH;GUN135..6F..S..PH;TGN126..THP..S..LA;GUN126..THP..6F..H..LA;GUN125,126..RHD..S..(GEN,TH)202408
HEATER CONTROL PANEL-MANUAL AIR CONDITIONER&FRONT AIR CONDITIONER-MANUAL
main90068-00042iGUN136..6FC..S;GUN126..THP..6F..H..LA;GUN126..THP..(L,S)..LA;TGN121..LHD..THP..(L,S);GUN126,135..LHD..6F..S..(GEN,PH);GUN135..THP..(L,S)..(ARL,LA,TH,VN);GUN120,121,202408
ASIA COLD COUNTRY SPEC&FRONT AIR CONDITIONER-MANUAL
main90068-00042iGUN136..6FC..S;GUN126..THP..6F..H..LA;GUN126..THP..(L,S)..LA;TGN121..LHD..THP..(L,S);GUN126,135..LHD..6F..S..(GEN,PH);GUN135..THP..(L,S)..(ARL,LA,TH,VN);GUN120,121,202408
FRONT AIR CONDITIONER-MANUAL
main90068-00042iGUN136..6FC..S;GUN126..THP..6F..H..LA;GUN126..THP..(L,S)..LA;TGN121..LHD..THP..(L,S);GUN126,135..LHD..6F..S..(GEN,PH);GUN135..THP..(L,S)..(ARL,LA,TH,VN);GUN120,121,202408
FRONT AIR CONDITIONER-MANUAL(DOP - PLANT INSTALL)
main90068-00042iGUN136..6FC..S;GUN126..THP..6F..H..LA;GUN126..THP..(L,S)..LA;TGN121..LHD..THP..(L,S);GUN126,135..LHD..6F..S..(GEN,PH);GUN135..THP..(L,S)..(ARL,LA,TH,VN);GUN120,121,202408
FRONT AIR CONDITIONER-MANUAL(DOP - DEALERSHIP INSTALL)
main90068-00042iGUN136..6FC..S;GUN126..THP..6F..H..LA;GUN126..THP..(L,S)..LA;TGN121..LHD..THP..(L,S);GUN126,135..LHD..6F..S..(GEN,PH);GUN135..THP..(L,S)..(ARL,LA,TH,VN);GUN120,121,202408
MLM ADVENTURE PACKAGE&FRONT AIR CONDITIONER-AUTO&SEAT COVER MATERIAL-NATURAL LEATHER
main90068-00042iGUN136..6FC..S;GUN126..THP..6F..H..LA;GUN126..THP..(L,S)..LA;TGN121..LHD..THP..(L,S);GUN126,135..LHD..6F..S..(GEN,PH);GUN135..THP..(L,S)..(ARL,LA,TH,VN);GUN120,121,202408
TOYOTA STOP & START SYSTEM-WITH&FRONT AIR CONDITIONER-AUTO
main90068-00042iGUN136..6FC..S;GUN126..THP..6F..H..LA;GUN126..THP..(L,S)..LA;TGN121..LHD..THP..(L,S);GUN126,135..LHD..6F..S..(GEN,PH);GUN135..THP..(L,S)..(ARL,LA,TH,VN);GUN120,121,202408
HEATER CONTROL PANEL-AUTO AIR CONDITIONER(DOP)&FRONT AIR CONDITIONER-AUTO(DOP - DEALERSHIP INSTALL)
main90068-00042iGUN136..6FC..S;GUN126..THP..6F..H..LA;GUN126..THP..(L,S)..LA;TGN121..LHD..THP..(L,S);GUN126,135..LHD..6F..S..(GEN,PH);GUN135..THP..(L,S)..(ARL,LA,TH,VN);GUN120,121,202408
FRONT AIR CONDITIONER-AUTO
main90068-00042iGUN136..6FC..S;GUN126..THP..6F..H..LA;GUN126..THP..(L,S)..LA;TGN121..LHD..THP..(L,S);GUN126,135..LHD..6F..S..(GEN,PH);GUN135..THP..(L,S)..(ARL,LA,TH,VN);GUN120,121,202408
FRONT AIR CONDITIONER-AUTO(DOP - DEALERSHIP INSTALL)
FRONT AIR CONDITIONER-MANUAL(DOP - PLANT INSTALL)
FRONT AIR CONDITIONER-MANUAL(DOP - DEALERSHIP INSTALL)
FRONT AIR CONDITIONER-AUTO
87139CFILTER, CLEAN AIR
MICRO DUST FILTER
POLLEN FILTER
main87139-0K070iGUN126..S..IV3;GUN126..H..MHV..IV3;GUN136,TGN121..6FC..ARL;GUN136,TGN121..LHD..THP;GUN126..(CAMP,MMRP,THP)..(ARL,GCC,GEN,LA,MMR,TWN,VN)..CBU;GGN125,GUN122,125,135,T¥2,000202408-202411
POLLEN FILTER
POLLEN FILTER
POLLEN FILTER
POLLEN FILTER
DEODORANT FILTER
87165CCONTROL, BLOWER MOTOR
FRONT AIR CONDITIONER-AUTO
main87165-0K060iGUN126..LHD..SA;GUN135..6FC..PH;GUN126..H..MHV..IV3;GUN126,135..6F..H..PH;GUN126..LHD..6FC..S..GEN;GGN125,GUN125..H..(GEN,IDN,MA,SA);GUN136,TGN126..H..(ARL,GEN,LA,S¥7,800202408
TOYOTA STOP & START SYSTEM-WITH&FRONT AIR CONDITIONER-AUTO
main87165-0K060iGUN126..LHD..SA;GUN135..6FC..PH;GUN126..H..MHV..IV3;GUN126,135..6F..H..PH;GUN126..LHD..6FC..S..GEN;GGN125,GUN125..H..(GEN,IDN,MA,SA);GUN136,TGN126..H..(ARL,GEN,LA,S¥7,800202408
FRONT AIR CONDITIONER-MANUAL(DOP - DEALERSHIP INSTALL)
87417APACKING, AIR DUCT
87710GQUICK HEATER ASSY
88501EVAPORATOR SUB-ASSY, COOLER, NO.1
main88501-0K320iGUN126..MHV..GCC;GUN136..6FC..ARL;GUN122,125..RHD..THP;GUN122,125,TGN126..H..GCC;GUN126..RHD..(INDP,THP)..6F;GUN126..RHD..THP..6FC..S..DCRL;GUN126,TGN121..LHD..MTM.¥20,300202408
MLM ADVENTURE PACKAGE&FRONT AIR CONDITIONER-AUTO&SEAT COVER MATERIAL-NATURAL LEATHER
main88501-0K320iGUN126..MHV..GCC;GUN136..6FC..ARL;GUN122,125..RHD..THP;GUN122,125,TGN126..H..GCC;GUN126..RHD..(INDP,THP)..6F;GUN126..RHD..THP..6FC..S..DCRL;GUN126,TGN121..LHD..MTM.¥20,300202408
MLM ADVENTURE PACKAGE&SEAT COVER MATERIAL-NATURAL LEATHER
main88501-0K320iGUN126..MHV..GCC;GUN136..6FC..ARL;GUN122,125..RHD..THP;GUN122,125,TGN126..H..GCC;GUN126..RHD..(INDP,THP)..6F;GUN126..RHD..THP..6FC..S..DCRL;GUN126,TGN121..LHD..MTM.¥20,300202408
MLM ADVENTURE WIDE TREAD&SEAT COVER MATERIAL-NATURAL LEATHER
main88501-0K320iGUN126..MHV..GCC;GUN136..6FC..ARL;GUN122,125..RHD..THP;GUN122,125,TGN126..H..GCC;GUN126..RHD..(INDP,THP)..6F;GUN126..RHD..THP..6FC..S..DCRL;GUN126,TGN121..LHD..MTM.¥20,300202408
GR SPORT WIDE TREAD&SEAT COVER MATERIAL-SUEDE & LEATHER(FOR GR SPORT)
main88501-0K320iGUN126..MHV..GCC;GUN136..6FC..ARL;GUN122,125..RHD..THP;GUN122,125,TGN126..H..GCC;GUN126..RHD..(INDP,THP)..6F;GUN126..RHD..THP..6FC..S..DCRL;GUN126,TGN121..LHD..MTM.¥20,300202408
TOYOTA STOP & START SYSTEM-WITHOUT
main88501-0K320iGUN126..MHV..GCC;GUN136..6FC..ARL;GUN122,125..RHD..THP;GUN122,125,TGN126..H..GCC;GUN126..RHD..(INDP,THP)..6F;GUN126..RHD..THP..6FC..S..DCRL;GUN126,TGN121..LHD..MTM.¥20,300202408
HEATER CONTROL PANEL-AUTO AIR CONDITIONER(DOP)&FRONT AIR CONDITIONER-AUTO(DOP - DEALERSHIP INSTALL)
main88501-0K320iGUN126..MHV..GCC;GUN136..6FC..ARL;GUN122,125..RHD..THP;GUN122,125,TGN126..H..GCC;GUN126..RHD..(INDP,THP)..6F;GUN126..RHD..THP..6FC..S..DCRL;GUN126,TGN121..LHD..MTM.¥20,300202408
FRONT AIR CONDITIONER-AUTO(DOP - DEALERSHIP INSTALL)
MLM ADVENTURE PACKAGE&SEAT COVER MATERIAL-NATURAL LEATHER
MLM ADVENTURE PACKAGE&SEAT COVER MATERIAL-NATURAL LEATHER&ACCESSORY CONNECTOR(NO.1)-12V:2 & USB SOCKET(REAR)
TOYOTA STOP & START SYSTEM-WITH
TOYOTA STOP & START SYSTEM-WITH&FRONT AIR CONDITIONER-AUTO
ACCESSORY CONNECTOR(NO.1)-12V:2 & USB SOCKET(REAR)
FRONT AIR CONDITIONER-MANUAL(DOP - DEALERSHIP INSTALL)
HEATER CONTROL PANEL-MANUAL AIR CONDITIONER&FRONT AIR CONDITIONER-MANUAL
FRONT AIR CONDITIONER-MANUAL
FRONT AIR CONDITIONER-MANUAL(DOP - DEALERSHIP INSTALL)
88501GO-RING, COOLER EVAPORATOR NO.1(SUCTION)
ID=10.2,OD=15.0
main90068-14044iGUN126..S..IV3;GUN126..H..MHV..IV3;GUN136,TGN121..6FC..ARL;GUN136,TGN121..LHD..THP;GUN126..(CAMP,INDP,MMRP,THP)..CBU;GGN125,GUN120,121,122,125,135,TGN120,126,136..T¥190202408
ID=10.2,OD=15.0,HEATER CONTROL PANEL-AUTO AIR CONDITIONER(DOP)&FRONT AIR CONDITIONER-AUTO(DOP - DEALERSHIP INSTALL)
main90068-14044iGUN126..S..IV3;GUN126..H..MHV..IV3;GUN136,TGN121..6FC..ARL;GUN136,TGN121..LHD..THP;GUN126..(CAMP,INDP,MMRP,THP)..CBU;GGN125,GUN120,121,122,125,135,TGN120,126,136..T¥190202408
ID=10.2,OD=15.0,FRONT AIR CONDITIONER-MANUAL(DOP - DEALERSHIP INSTALL)
main90068-14044iGUN126..S..IV3;GUN126..H..MHV..IV3;GUN136,TGN121..6FC..ARL;GUN136,TGN121..LHD..THP;GUN126..(CAMP,INDP,MMRP,THP)..CBU;GGN125,GUN120,121,122,125,135,TGN120,126,136..T¥190202408
ID=10.2,OD=15.0,FRONT AIR CONDITIONER-AUTO(DOP - DEALERSHIP INSTALL)
ID=13.4,OD=18.27
ID=13.4,OD=18.2
88501KO-RING, COOLER EVAPORATOR NO.1(LIQUID)
ID=13.4,OD=18.2,FRONT AIR CONDITIONER-AUTO(DOP - DEALERSHIP INSTALL)
main90068-14043iTGN121..GEN;TGN121..5F..S;GUN122,125..MTM..L..GCC;GUN125,135..THP..6F..LA;GUN126..THP..6FC..H..DCRL..LA;TGN126..THP..5F..(L,S)..(GCC,LA)202408-202411
ID=13.4,OD=18.2
main90068-14043iTGN121..GEN;TGN121..5F..S;GUN122,125..MTM..L..GCC;GUN125,135..THP..6F..LA;GUN126..THP..6FC..H..DCRL..LA;TGN126..THP..5F..(L,S)..(GCC,LA)202408
ID=13.4,OD=18.2,HEATER CONTROL PANEL-AUTO AIR CONDITIONER(DOP)&FRONT AIR CONDITIONER-AUTO(DOP - DEALERSHIP INSTALL)
main90068-14043iGUN126..S..IV3;GUN126..H..MHV..IV3;GUN136,TGN121..6FC..ARL;GUN136,TGN121..LHD..THP;GUN126..(CAMP,INDP,MMRP,THP)..CBU;GGN125,GUN120,121,122,125,135,TGN120,126,136..T202408
ID=13.4,OD=18.2,FRONT AIR CONDITIONER-MANUAL(DOP - DEALERSHIP INSTALL)
ID=10.8,OD=15.47
ID=10.8,OD=15.6
88515VALVE, COOLER EXPANSION
FRONT AIR CONDITIONER-AUTO(DOP - DEALERSHIP INSTALL)
main88515-0K580iGUN136..6F..H;GUN126..6F..TH;GUN125..SAP..(H,S);GUN125..LHD..SAP..L;GUN126..S..DCRL..IV3;GUN125..AGTP,GHAP,KENP,MAP,THP;GUN126,TGN121..LHD..(HTWC,MHV)..(GCC,GEN,SA)¥6,300202408
TOYOTA STOP & START SYSTEM-WITHOUT
main88515-0K580iGUN136..6F..H;GUN126..6F..TH;GUN125..SAP..(H,S);GUN125..LHD..SAP..L;GUN126..S..DCRL..IV3;GUN125..AGTP,GHAP,KENP,MAP,THP;GUN126,TGN121..LHD..(HTWC,MHV)..(GCC,GEN,SA)¥6,300202408
HEATER CONTROL PANEL-AUTO AIR CONDITIONER(DOP)&FRONT AIR CONDITIONER-AUTO(DOP - DEALERSHIP INSTALL)
main88515-0K580iGUN136..6F..H;GUN126..6F..TH;GUN125..SAP..(H,S);GUN125..LHD..SAP..L;GUN126..S..DCRL..IV3;GUN125..AGTP,GHAP,KENP,MAP,THP;GUN126,TGN121..LHD..(HTWC,MHV)..(GCC,GEN,SA)¥6,300202408
FRONT AIR CONDITIONER-MANUAL(DOP - DEALERSHIP INSTALL)
TOYOTA STOP & START SYSTEM-WITH&FRONT AIR CONDITIONER-AUTO
TOYOTA STOP & START SYSTEM-WITH
88515FBOLT(FOR COOLER EXPANSION VALVE)
FRONT AIR CONDITIONER-MANUAL(DOP - DEALERSHIP INSTALL)
main90068-04062iGUN126..S..IV3;GUN126..H..MHV..IV3;GUN136,TGN121..6FC..ARL;GUN136,TGN121..LHD..THP;GUN126..(CAMP,INDP,MMRP,THP)..CBU;GGN125,GUN120,121,122,125,135,TGN120,126,136..T¥60202408
FRONT AIR CONDITIONER-MANUAL(DOP - DEALERSHIP INSTALL)
main90068-04062iGUN126..S..IV3;GUN126..H..MHV..IV3;GUN136,TGN121..6FC..ARL;GUN136,TGN121..LHD..THP;GUN126..(CAMP,INDP,MMRP,THP)..CBU;GGN125,GUN120,121,122,125,135,TGN120,126,136..T¥60202408
FRONT AIR CONDITIONER-AUTO(DOP - DEALERSHIP INSTALL)
HEATER CONTROL PANEL-AUTO AIR CONDITIONER(DOP)&FRONT AIR CONDITIONER-AUTO(DOP - DEALERSHIP INSTALL)
main90099-04542iGUN125..MA;GUN126..6FC..KEN;GUN126..H..DCRL..(GHA,MA,SA);GGN125,GUN125,136..H..(DCRL,HTWC)..SA¥120202409
88539JHOSE, DRAIN COOLER
FRONT AIR CONDITIONER-MANUAL(DOP - DEALERSHIP INSTALL)
FRONT AIR CONDITIONER-AUTO(DOP - DEALERSHIP INSTALL)
ECUADOR SPEC&FRONT AIR CONDITIONER-MANUAL(DOP - DEALERSHIP INSTALL)
FRONT AIR CONDITIONER-MANUAL(DOP - DEALERSHIP INSTALL)
CENTRAL AND SOUTH AMERICA SPEC&FRONT AIR CONDITIONER-MANUAL(DOP - DEALERSHIP INSTALL)
88548BCASE, AIR FILTER
FRONT AIR CONDITIONER-MANUAL(DOP - DEALERSHIP INSTALL)
FRONT AIR CONDITIONER-MANUAL(DOP - DEALERSHIP INSTALL)
main88899-06330iGUN126..S..IV3;GUN126..H..MHV..IV3;GUN136,TGN121..6FC..ARL;GUN136,TGN121..LHD..THP;GUN126..(CAMP,MMRP,THP)..CBU;GGN125,GUN120,121,122,125,135,TGN120,126,136..THP202408
HEATER CONTROL PANEL-AUTO AIR CONDITIONER(DOP)&FRONT AIR CONDITIONER-AUTO(DOP - DEALERSHIP INSTALL)
main88899-06330iGUN126..S..IV3;GUN126..H..MHV..IV3;GUN136,TGN121..6FC..ARL;GUN136,TGN121..LHD..THP;GUN126..(CAMP,MMRP,THP)..CBU;GGN125,GUN120,121,122,125,135,TGN120,126,136..THP202408
FRONT AIR CONDITIONER-AUTO(DOP - DEALERSHIP INSTALL)
88625THERMISTOR, COOLER, NO.1
FRONT AIR CONDITIONER-AUTO(DOP - DEALERSHIP INSTALL)
main88620-0K010iGUN136..6F..H;GUN126..6F..TH;GUN125..SAP..(H,S);GUN125..LHD..SAP..L;GUN126..S..DCRL..IV3;GUN125..AGTP,GHAP,KENP,MAP,THP;GUN126,TGN121..LHD..(HTWC,MHV)..(GCC,GEN,SA)¥870202408
TOYOTA STOP & START SYSTEM-WITHOUT
HEATER CONTROL PANEL-AUTO AIR CONDITIONER(DOP)&FRONT AIR CONDITIONER-AUTO(DOP - DEALERSHIP INSTALL)
FRONT AIR CONDITIONER-MANUAL(DOP - DEALERSHIP INSTALL)
TOYOTA STOP & START SYSTEM-WITH
TOYOTA STOP & START SYSTEM-WITH&FRONT AIR CONDITIONER-AUTO
88650NAMPLIFIER ASSY, AIR CONDITIONER
FRONT AIR CONDITIONER-MANUAL(DOP - DEALERSHIP INSTALL)
main88650-0K400iGUN125..SAP..S;TGN121..6FC..ARL;GUN125..LHD..SAP..L;GUN126..THP..(L,S)..LA;GUN126..RHD..S..(GEN,SA);GUN126,135..LHD..6F..S..(GEN,PH);GUN126..(KENP,THP)..6F..H..(KEN202408
FRONT AIR CONDITIONER-MANUAL
main88650-0K400iGUN125..SAP..S;TGN121..6FC..ARL;GUN125..LHD..SAP..L;GUN126..THP..(L,S)..LA;GUN126..RHD..S..(GEN,SA);GUN126,135..LHD..6F..S..(GEN,PH);GUN126..(KENP,THP)..6F..H..(KEN202408
FRONT AIR CONDITIONER-MANUAL(DOP - PLANT INSTALL)
FRONT AIR CONDITIONER-MANUAL(DOP - PLANT INSTALL)
FRONT AIR CONDITIONER-MANUAL(DOP - DEALERSHIP INSTALL)
main88650-0K730iGUN135..(L,S)..TH;GUN135..6F..S..PH;TGN126..THP..S..LA;GUN126..THP..6F..H..LA;GUN125,126..RHD..S..(GEN,TH)202408
FRONT AIR CONDITIONER-AUTO
TOYOTA STOP & START SYSTEM-WITH&FRONT AIR CONDITIONER-MANUAL
ASIA COLD COUNTRY SPEC
ASIA COLD COUNTRY SPEC&FRONT AIR CONDITIONER-MANUAL
main88650-0K880iGUN126..6F..H..BZAG;GUN126,TGN126..AGTP..(5F,6FC)..H;GGN125,GUN136,TGN136..AGTP..(H,S)202411
FRONT AIR CONDITIONER-AUTO
88894GCONNECTOR, DRAIN HOSE
FRONT AIR CONDITIONER-AUTO(DOP - DEALERSHIP INSTALL)
main88894-0K260iTGN121..GEN;TGN121..5F..S;GUN122,125..MTM..L..GCC;GUN125,135..THP..6F..LA;GUN126..THP..6FC..H..DCRL..LA;TGN126..THP..5F..(L,S)..(GCC,LA)202408
FRONT AIR CONDITIONER-MANUAL(DOP - DEALERSHIP INSTALL)
ECUADOR SPEC&FRONT AIR CONDITIONER-MANUAL(DOP - DEALERSHIP INSTALL)
FRONT AIR CONDITIONER-MANUAL(DOP - DEALERSHIP INSTALL)
CENTRAL AND SOUTH AMERICA SPEC&FRONT AIR CONDITIONER-MANUAL(DOP - DEALERSHIP INSTALL)
8719387101
9006800041
main90068-00041
90105T0241
9011906951
90119T0404
main90119-T0404
90159T0005
90159T0014
main90159-T0014
90178T0053
main90178-T0053
90178T0065
main90178-T0065
9017906323
90185T0001
main90185-T0001
9167380616
41 parts on this diagram · 8 diagrams in section