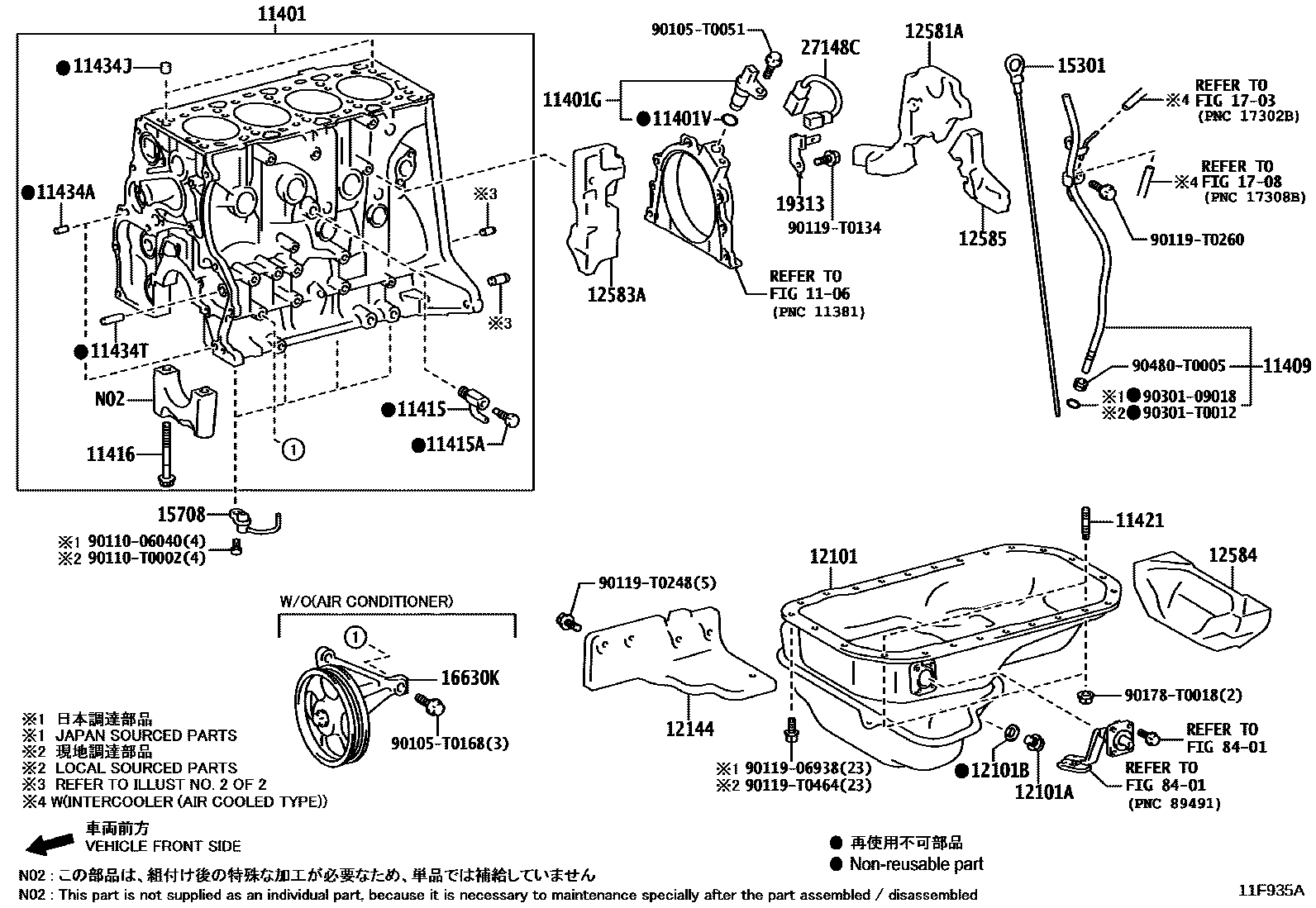
11401BLOCK SUB-ASSY, CYLINDER
main11401-09841i2GDFTV..GUN125,135..THP¥176,000202108-202207 main11401-09841i2GDFTV..GUN125,135..SAP¥176,000202108-202301 11401GSENSOR, CRANK POSITION
main90919-05073i1GDFTV,2GDFTV..GUN12#,135..SAP¥4,130202108-202301 main90919-05073i1GDFTV,2GDFTV..GUN12#,135..THP¥4,130202108-202207 11401VO-RING, CRANK POSITION SENSOR
main90301-14016i1GDFTV,2GDFTV..GUN12#,135..THP¥0202108-202207 main90301-14016i1GDFTV,2GDFTV..GUN12#,135..SAP¥0202108-202301 11409GUIDE SUB-ASSY, OIL LEVEL GAGE
main11409-0E011i1GDFTV,2GDFTV..GUN12#,135..THP¥1,470202108-202207 THA SOURCED PARTS
main11409-0E011i1GDFTV,2GDFTV..GUN12#,135..SAP¥1,470202108-202301 THA SOURCED PARTS
RUSSIA&CUSTOM UNION SPEC,IND SOURCED PARTS
11415COCK SUB-ASSY, WATER DRAIN(FOR CYLINDER BLOCK)
main90910-09128i1GDFTV,2GDFTV..GUN12#,135..THP¥210202108-202207 main90910-09128i1GDFTV,2GDFTV..GUN12#,135..SAP¥210202108-202301 11415APLUG, WATER DRAIN COCK(FOR CYLINDER BLOCK)
main90910-09087i1GDFTV,2GDFTV..GUN12#,135..THP¥230202108-202207 (J)
main90910-09087i1GDFTV,2GDFTV..GUN12#,135..SAP¥230202108-202301 (J)
main90910-T9001i1GDFTV,2GDFTV..GUN12#,135..THP202108-202207 (L)
main90910-T9001i1GDFTV,2GDFTV..GUN12#,135..SAP202108-202301 (L)
11416BOLT(FOR CRANKSHAFT BEARING CAP SET)
main90910-T2009i1GDFTV,2GDFTV..GUN12#,135..THP202108-202207 *582
main90910-T2009i1GDFTV,2GDFTV..GUN12#,135..THP202108-202207 RUSSIA&CUSTOM UNION SPEC,(L)
main90910-T2009i1GDFTV,2GDFTV..GUN12#,135..SAP202108-202301 *582
11421BOLT, STUD(FOR OIL PAN)
main90126-06028i1GDFTV,2GDFTV..GUN12#,135..THP¥60202108-202207 main90126-06028i1GDFTV,2GDFTV..GUN12#,135..SAP¥60202108-202301 11434APIN, STRAIGHT(FOR TIMING GEAR COVER SET)
main90250-T0007i1GDFTV,2GDFTV..GUN12#,135..THP202108-202207 L=18,OD=8,(L)
main90250-T0007i1GDFTV,2GDFTV..GUN12#,135..SAP202108-202301 L=18,OD=8,(L)
11434JPIN, RING (FOR CYLINDER HEAD SET)
main90253-T0002i1GDFTV,2GDFTV..GUN12#,135..THP202108-202207 (L)
main90253-T0002i1GDFTV,2GDFTV..GUN12#,135..SAP202108-202301 (L)
11434TPIN, RING(FOR TIMING BELT IDLER BRACKET SET)
main90250-10030i1GDFTV,2GDFTV..GUN12#,135..THP¥160202108-202207 (J)
main90250-10030i1GDFTV,2GDFTV..GUN12#,135..SAP¥160202108-202301 (J)
main90250-T0019i1GDFTV,2GDFTV..GUN12#,135..THP202108-202207 (L)
main90250-T0019i1GDFTV,2GDFTV..GUN12#,135..SAP202108-202301 (L)
12101PAN SUB-ASSY, OIL
main12101-0E010i1GDFTV,2GDFTV..GUN12#,135..THP202108-202207 THA SOURCED PARTS
main12101-0E010i1GDFTV,2GDFTV..GUN12#,135..SAP202108-202301 THA SOURCED PARTS
RUSSIA&CUSTOM UNION SPEC,IND SOURCED PARTS
12101APLUG(FOR OIL PAN DRAIN)
main90341-T0004i1GDFTV,2GDFTV..GUN12#,135..THP202108-202207 (L)
main90341-T0004i1GDFTV,2GDFTV..GUN12#,135..SAP202108-202301 (L)
12101BGASKET(FOR OIL PAN DRAIN PLUG)
main90080-43030i1GDFTV,2GDFTV..GUN12#,135..SAP202108-202301 (L)
main90080-43030i1GDFTV,2GDFTV..GUN12#,135..THP202108-202207 (L)
12144SILENCER, OIL PAN COVER
main12144-0E010i1GDFTV,2GDFTV..GUN12#,135..THP202108-202207 THA SOURCED PARTS
main12144-0E010i1GDFTV,2GDFTV..GUN12#,135..SAP202108-202301 THA SOURCED PARTS
RUSSIA&CUSTOM UNION SPEC,IND SOURCED PARTS
12581AINSULATOR, CYLINDER BLOCK, NO.1
main12581-0E010i1GDFTV,2GDFTV..GUN12#,135..THP202108-202207 THA SOURCED PARTS
main12581-0E010i1GDFTV,2GDFTV..GUN12#,135..SAP202108-202301 THA SOURCED PARTS
RUSSIA&CUSTOM UNION SPEC,IND SOURCED PARTS
12583AINSULATOR, CYLINDER BLOCK, NO.3
main12583-0E010i1GDFTV,2GDFTV..GUN12#,135..THP202108-202207 THA SOURCED PARTS
main12583-0E010i1GDFTV,2GDFTV..GUN12#,135..SAP202108-202301 THA SOURCED PARTS
RUSSIA&CUSTOM UNION SPEC,IND SOURCED PARTS
12584INSULATOR, CYLINDER BROCK, NO.4
main12584-08010i1GDFTV,2GDFTV..GUN12#,135..SAP202205-202301 ZAF SOURCED PARTS
main12584-0E011i1GDFTV,2GDFTV..GUN12#,135..THP¥4,160202108-202207 THA SOURCED PARTS
main12584-0E011i1GDFTV,2GDFTV..GUN12#,135..SAP¥4,160202108-202301 THA SOURCED PARTS
12585INSULATOR, CYLINDER BROCK, NO.5
main12585-0E010i1GDFTV,2GDFTV..GUN12#,135..THP202108-202207 THA SOURCED PARTS
main12585-0E010i1GDFTV,2GDFTV..GUN12#,135..SAP202108-202301 THA SOURCED PARTS
RUSSIA&CUSTOM UNION SPEC,IND SOURCED PARTS
15301GAGE SUB-ASSY, OIL LEVEL
main15301-0E011i1GDFTV,2GDFTV..GUN12#,135..THP202108-202207 THA SOURCED PARTS
main15301-0E011i1GDFTV,2GDFTV..GUN12#,135..SAP202108-202301 THA SOURCED PARTS
RUSSIA&CUSTOM UNION SPEC,IND SOURCED PARTS
15708NOZZLE SUB-ASSY, OIL, NO.1
main15708-0E010i1GDFTV,2GDFTV..GUN12#,135..THP202108-202207 (L)
main15708-0E010i1GDFTV,2GDFTV..GUN12#,135..SAP202108-202301 (L)
19313BRACKET, CRANK POSITION SENSOR HARNESS
main19313-0E010i1GDFTV,2GDFTV..GUN12#,135..SAP202108-202301 THA SOURCED PARTS
main19313-0E010i1GDFTV,2GDFTV..GUN12#,135..THP202108-202207 THA SOURCED PARTS
RUSSIA&CUSTOM UNION SPEC,IND SOURCED PARTS
27148CWIRE, CONNECTING
main27148-0E010i1GDFTV,2GDFTV..GUN12#,135..THP202108-202207 THA SOURCED PARTS
main27148-0E010i1GDFTV,2GDFTV..GUN12#,135..SAP202108-202301 THA SOURCED PARTS
RUSSIA&CUSTOM UNION SPEC,IND SOURCED PARTS