Toyota HIGHLANDER (CHINA) — BRAKE PEDAL & BRACKET

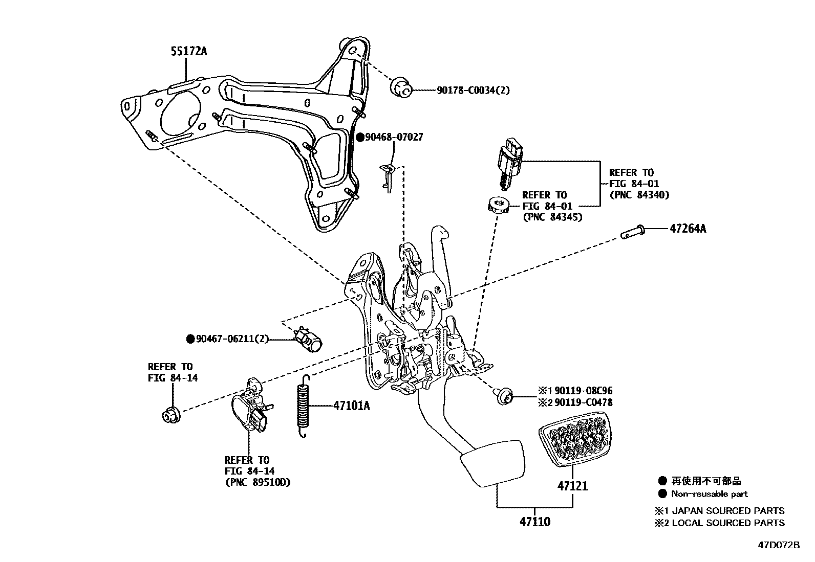
47101ASPRING(FOR BRAKE PEDAL RETURN)
47110SUPPORT ASSY, BRAKE PEDAL
47121PAD, BRAKE PEDAL
47264APIN(FOR PUSH ROD)
55172ABASE, BRAKE PEDAL SUPPORT
8401
8414
9011908C96
90119C0478
main90119-C0478
90178C0034
main90178-C0034
9046706211
9046807027
12 parts on this diagram · 2 diagrams in section