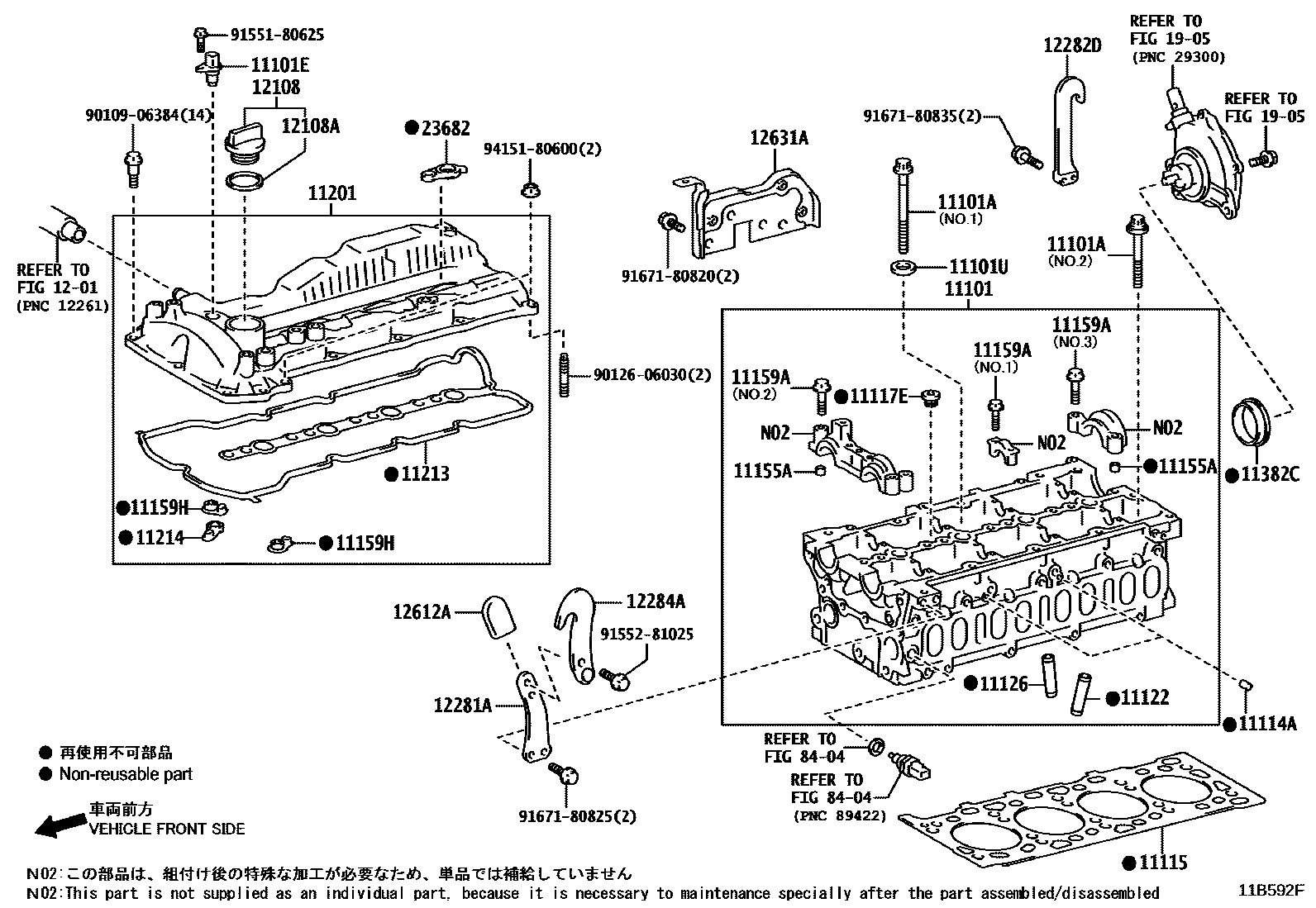
Toyota HIACE — CYLINDER HEAD

11101HEAD SUB-ASSY, CYLINDER
EXHAUST EMISSION CONTROL-GASOLINE EURO2
PAKISTAN SPEC,(L)
NIGERIA SPEC,(L)
(L)
SUDAN SPEC,(L)
EXHAUST EMISSION CONTROL-GASOLINE EURO3,(L)
main11101-0L051i2KDFTV..KDH222..5F..GL;2KDFTV..KDH220..03S..SA;2KDFTV..KDH222..STD..GCC201312-202312
(L)
SINGAPORE SPEC
(J)
(J)
EXHAUST EMISSION CONTROL-GASOLINE EURO3,(J)
*525
main11101-75172i2TRFE..TRH203;2TRFE..TRH201,221..GEN;2TRFE..TRH223..STD..(GEN,SA)¥117,000202210-202401
*525
sub11101-0C032
main11101-75172i2TRFE..TRH203;2TRFE..TRH201,221..GEN;2TRFE..TRH223..STD..(GEN,SA)¥117,000202210-202401
EXHAUST EMISSION CONTROL-GASOLINE EURO2,*525
sub11101-0C032
sub11101-75181
sub11101-75182
main11101-75200i2TRFE..TRH213..RHD..5F;2TRFE..TRH221..SP..(03S,06S);2TRFE..TRH201,213..LHD..SG..5F..STD;2TRFE..TRH201,203,223..(03S,14S,15S,16S)..5F..(GCC,GEN,SA)¥169,000201312-201401
sub11101-75201
LPG CONVERSION PACKAGE,*272
PAKISTAN SPEC,*272
main11101-75240i2TRFE..TRH221..SG;2TRFE..TRH203,213,223..4FC..(GCC,TH);2TRFE..TRH201,213,22#..(02S,06S,10S,12S,13S,14S)..(ARL,GEN,RUS)¥169,000201312-201401
*272
MEXICO SPEC,*272
MOROCCO SPEC,*272
*272
MEXICO SPEC,*272
LPG CONVERSION PACKAGE,*272
NIGERIA SPEC,*272
LPG CONVERSION PACKAGE,*526
11101ABOLT(FOR CYLINDER HEAD SET)
NO.1:REFER ILLUST.
NO.2:REFER ILLUST.
main90910-02145i2KDFTV..KDH200..LHD..5D;1KDFTV..KDH201..02S,05S,06S;1KDFTV..KDH201..4D..03S..5F;1KDFTV..KDH223..5F..(ARL,GEN,KEN,RUS);1KDFTV,2KDFTV..KDH221,222..(02S,03S,16S)..(ARL¥410201312-202301
NO.2:REFER ILLUST.
main90910-02146i2KDFTV..KDH200..LHD..5D;1KDFTV..KDH201..02S,05S,06S;1KDFTV..KDH201..4D..03S..5F;1KDFTV..KDH223..5F..(ARL,GEN,KEN,RUS);1KDFTV,2KDFTV..KDH221,222..(02S,03S,16S)..(ARL¥490201312-202301
NO.1:REFER ILLUST.
NO.2
NO.1
CBU PACKAGE,NO.2:REFER ILLUST.
NO.2:REFER ILLUST.
FIJI SPEC,NO.2:REFER ILLUST.
main90910-T2006i1KDFTV..KDH223..VN;1KDFTV..KDH223..4FC..TH;1KDFTV,2KDFTV..KDH200,202,203..MA,TH201401-202312
NO.1:REFER ILLUST.
11101ESENSOR, CAM POSITION
11101USPACER(FOR CYLINDER HEAD SET BOLT)
FIJI SPEC
CBU PACKAGE
main90560-T0005i1KDFTV..KDH223..VN;1KDFTV..KDH223..4FC..TH;1KDFTV,2KDFTV..KDH200,202,203..MA,TH201401-202312
11114APIN, STRAIGHT
L=8,OD=5
11115GASKET, CYLINDER HEAD
(L)
MARK A,REFER REPAIR MANUAL
MARK B,REFER REPAIR MANUAL
MARK C,REFER REPAIR MANUAL
MARK D,REFER REPAIR MANUAL
MARK E,REFER REPAIR MANUAL
FIJI SPEC,MARK A,REFER REPAIR MANUAL
MARK A,REFER REPAIR MANUAL
CBU PACKAGE,MARK A,REFER REPAIR MANUAL
MARK B,REFER REPAIR MANUAL
FIJI SPEC,MARK B,REFER REPAIR MANUAL
CBU PACKAGE,MARK B,REFER REPAIR MANUAL
FIJI SPEC,MARK C,REFER REPAIR MANUAL
CBU PACKAGE,MARK C,REFER REPAIR MANUAL
MARK C,REFER REPAIR MANUAL
FIJI SPEC,MARK D,REFER REPAIR MANUAL
CBU PACKAGE,MARK D,REFER REPAIR MANUAL
MARK D,REFER REPAIR MANUAL
FIJI SPEC,MARK E,REFER REPAIR MANUAL
MARK E,REFER REPAIR MANUAL
CBU PACKAGE,MARK E,REFER REPAIR MANUAL
MARK A,REFER REPAIR MANUAL
MARK B,REFER REPAIR MANUAL
MARK C,REFER REPAIR MANUAL
MARK D,REFER REPAIR MANUAL
MARK E,REFER REPAIR MANUAL
main11115-30032-A0i1KDFTV..KDH221;1KDFTV..KDH223..GL..GEN;1KDFTV..KDH201..4D..03S..5F;1KDFTV..KDH201..02S,05S,06S;1KDFTV..KDH223..5F..(ARL,GEN,KEN,RUS);1KDFTV..KDH201,203,213..LHD..(0201312-202301
MARK A,REFER REPAIR MANUAL
MARK B,REFER REPAIR MANUAL
MARK C,REFER REPAIR MANUAL
MARK D,REFER REPAIR MANUAL
MARK E,REFER REPAIR MANUAL
main11115-30041-A0i2KDFTV..KDH212,220..LHD;2KDFTV..KDH200..LHD..5D;2KDFTV..KDH222..16S..(GEN,SA);2KDFTV..KDH202,220..06S,12S,15S201312-202301
MARKA,REFER REPAIR MANUAL
main11115-30041-B0i2KDFTV..KDH222..5F..GL;2KDFTV..KDH220..03S..SA;2KDFTV..KDH222..STD..GCC201312-202301
MARKB,REFER REPAIR MANUAL
MARKC,REFER REPAIR MANUAL
main11115-30041-D0i2KDFTV..KDH212,220..LHD;2KDFTV..KDH200..LHD..5D;2KDFTV..KDH222..16S..(GEN,SA);2KDFTV..KDH202,220..06S,12S,15S201312-202301
MARKD,REFER REPAIR MANUAL
main11115-30041-E0i2KDFTV..KDH200..LHD..4D;2KDFTV..KDH200,212..RHD..(03S,10S)..(GEN,SA)201312-202301
MARKE,REFER REPAIR MANUAL
(J)
11117EPLUG, W/HEAD STRAIGHT SCREW, NO.1
(J)
FIJI SPEC
CBU PACKAGE
(L)
FIJI SPEC,(L)
CBU PACKAGE,(L)
11122BUSH, INTAKE VALVE GUIDE
O/S 0.05
STD
main11122-75020i2TRFE..TRH223..RHD..GEN;2TRFE..TRH223..STD..GCC;2TRFE..TRH221..03S..(GEN,SA);2TRFE..TRH223..5F..GL..(GEN,SA)¥550201312-201902
STD,LPG CONVERSION PACKAGE
main11123-30020i1KDFTV..KDH223..TH;2KDFTV..KDH200..LHD..4D;2KDFTV..KDH200..RHD..GEN¥550201312-202312
STD
main11123-75020i2TRFE..TRH201..LHD;2TRFE..TRH221..GCC;2TRFE..TRH223..STD..SA;2TRFE..TRH213,223..LHD..STD..GEN;1TRFE,2TRFE..TRH200,203..(03S,15S)..(5F,6FC)¥550201312-202507
O/S 0.05
O/S 0.05,LPG CONVERSION PACKAGE
11126BUSH, EXHAUST VALVE GUIDE
O/S 0.05
STD
STD,LPG CONVERSION PACKAGE
main11123-30020i2KDFTV..KDH200..LHD..4D;2KDFTV..KDH200,212..RHD..(03S,10S)..(GEN,SA)¥550201312-202312
STD
O/S 0.05
main11123-75020i2TRFE..TRH223..RHD..GEN;2TRFE..TRH223..STD..GCC;2TRFE..TRH221..03S..(GEN,SA);2TRFE..TRH223..5F..GL..(GEN,SA)¥550201312-201902
O/S 0.05,LPG CONVERSION PACKAGE
11155APIN, RING W/HEAD
(J)
FIJI SPEC
(L)
FIJI SPEC,(L)
CBU PACKAGE,(L)
CBU PACKAGE
11159ABOLT(FOR HEAD TO CAMSHAFT BEARING CAP)
NO.1
(J)
(L)
NO.3
11159HGASKET, CAMSHAFT BEARING CAP OIL HOLE
NO.1
main1115A-75010i1TRFE..TRH200..03S..6FC;2TRFE..TRH201,22#..(02S,05S,06S,12S,14S)..(ARL,GEN,RUS)¥340201501-202507
NO.2
NO.3
11201COVER SUB-ASSY, CYLINDER HEAD
sub11201-0C012
main11210-30083i2KDFTV..KDH222..5F..GL;2KDFTV..KDH220..03S..SA;2KDFTV..KDH222..STD..GCC¥11,300201702-202312
PHILIPPINE SPEC
PERU SPEC
main11210-30140i1KDFTV..KDH201..SG;1KDFTV..KDH201..ARL;1KDFTV..KDH221,223..(02S,03S,14S)..STD¥11,300201312-202301
11213GASKET, CYLINDER HEAD COVER
sub11213-0C011
main11213-30021i2KDFTV..KDH200..LHD..5D;1KDFTV..KDH223..4FC..TH;1KDFTV..KDH223..GEN,KEN,VN;2KDFTV..KDH222..16S..(GEN,SA);1KDFTV,2KDFTV..KDH203,220..RHD..(06S,12S);1KDFTV,2KDFTV..KD¥900201312-202312
main11213-75041i2TRFE..TRH223..RHD..GEN;2TRFE..TRH223..STD..GCC;2TRFE..TRH221..03S..(GEN,SA);2TRFE..TRH223..5F..GL..(GEN,SA)¥1,010201312-202506
main11213-75050i1TRFE..TRH200..03S..6FC;2TRFE..TRH201,22#..(02S,05S,06S,12S,14S)..(ARL,GEN,RUS)¥1,010201501-202507
11214GASKET, CYLINDER HEAD COVER, NO.2
main11214-75012i2TRFE..TRH223..RHD..GEN;2TRFE..TRH223..STD..GCC;2TRFE..TRH221..03S..(GEN,SA);2TRFE..TRH223..5F..GL..(GEN,SA)¥700201312-202506
11382CRETAINER, CAMSHAFT OIL SEAL
1201
12108CAP SUB-ASSY, OIL FILLER
(L)
(J)
12108AGASKET(FOR OIL FILLER CAP)
(L)
(J)
main90430-37004i2KDFTV..KDH200..LHD..4D;2KDFTV..KDH200,212..RHD..(03S,10S)..(GEN,SA)¥130201312-202312
12281AHANGER, ENGINE, NO.1
12282DHANGER, ENGINE, NO.2
12284AHANGER, ENGINE, NO.1 UPPER
12612ACOVER, ENGINE, NO.2
12631ABRACKET, ENGINE COVER
1905
23682GASKET, NOZZLE HOLDER
8404
9010906384
9012606030
9155180625
9155281025
9167180820
9167180825
9167180835
9415180600
35 parts on this diagram · 10 diagrams in section