Toyota HIACE — CYLINDER BLOCK

1106
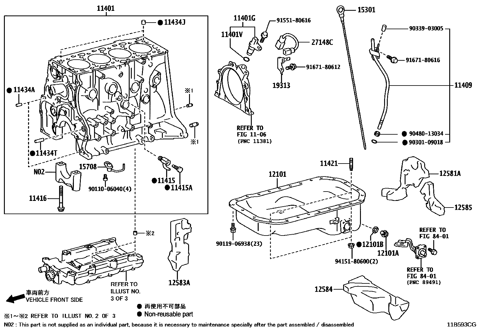
11401BLOCK SUB-ASSY, CYLINDER
sub11401-39796
sub11401-09592
sub11401-09592
sub11401-80834
main11401-39796i2KDFTV..KDH222..5F..GL;2KDFTV..KDH220..03S..SA;2KDFTV..KDH222..STD..GCC201312-202301
main11401-75122i2TRFE..TRH201;2TRFE..TRH221..GCC;2TRFE..TRH203..15S..5F;2TRFE..TRH223..4FC..GL;2TRFE..TRH213..LHD..GEN;2TRFE..TRH223..STD..(ARL,SA);2TRFE..TRH223..LHD..STD..GEN;2TR¥203,000201406-202005
*526
main11401-75122i2TRFE..TRH223..RHD..GEN;2TRFE..TRH223..STD..GCC;2TRFE..TRH221..03S..(GEN,SA);2TRFE..TRH223..5F..GL..(GEN,SA)¥203,000201406-201902
LPG CONVERSION PACKAGE,*526
LPG CONVERSION PACKAGE
main11401-80783i1KDFTV..KDH201..SG;1KDFTV..KDH201..TH;1KDFTV..KDH201..02S;1KDFTV..KDH213,221,223..02S,03S,11S,12S,14S¥302,000201312-201411
SINGAPORE SPEC
SINGAPORE SPEC
11401GSENSOR, CRANK POSITION
11401VO-RING, CRANK POSITION SENSOR
11409GUIDE SUB-ASSY, OIL LEVEL GAGE
11415COCK SUB-ASSY, WATER DRAIN(FOR CYLINDER BLOCK)
main90910-09118i2TRFE..TRH223..RHD..GEN;2TRFE..TRH223..STD..GCC;2TRFE..TRH221..03S..(GEN,SA);2TRFE..TRH223..5F..GL..(GEN,SA)¥500201312-202506
(L)
11415APLUG, WATER DRAIN COCK(FOR CYLINDER BLOCK)
(L)
11416BOLT(FOR CRANKSHAFT BEARING CAP SET)
(J)
main90910-02113i2KDFTV..KDH212..13S..STD;2KDFTV..KDH200,202,212,220,222..(03S,06S,10S,12S,14S,15S,16S)..(GCC,GEN,SA)¥980201312-202301
(J)
(L)
(L)
CBU PACKAGE
FIJI SPEC
11421BOLT, STUD(FOR OIL PAN)
11434APIN, STRAIGHT(FOR TIMING GEAR COVER SET)
L=18,OD=8
L=18,OD=8,CBU PACKAGE
main90250-T0007i1KDFTV..KDH223..VN;1KDFTV..KDH223..4FC..TH;1KDFTV,2KDFTV..KDH200,202,203..MA,TH201401-202312
L=18,OD=8
L=18,OD=8,FIJI SPEC
L=8,OD=11
11434JPIN, RING (FOR CYLINDER HEAD SET)
FIJI SPEC
CBU PACKAGE
main90253-T0002i1KDFTV..KDH223..VN;1KDFTV..KDH223..4FC..TH;1KDFTV,2KDFTV..KDH200,202,203..MA,TH201401-202312
11434TPIN, RING(FOR TIMING BELT IDLER BRACKET SET)
12101PAN SUB-ASSY, OIL
main12101-75140i2TRFE..TRH201,22#..5F;2TRFE..TRH223..LHD..4FC;2TRFE..TRH203,213..SMRF,SRF¥30,800201312-201503
TYPE A
TYPE B
12101APLUG(FOR OIL PAN DRAIN)
FIJI SPEC
CBU PACKAGE
12101BGASKET(FOR OIL PAN DRAIN PLUG)
CBU PACKAGE
FIJI SPEC
main90080-43030i1KDFTV..KDH223..VN;1KDFTV..KDH223..4FC..TH;1KDFTV,2KDFTV..KDH200,202,203..MA,TH201401-202312
12581AINSULATOR, CYLINDER BLOCK, NO.1
12583AINSULATOR, CYLINDER BLOCK, NO.3
12584INSULATOR, CYLINDER BROCK, NO.4
12585INSULATOR, CYLINDER BROCK, NO.5
15301GAGE SUB-ASSY, OIL LEVEL
main15301-30090i1KDFTV..KDH203..15S;1KDFTV..KDH223..4FC..TH;1KDFTV..KDH223..GEN,KEN,VN;1KDFTV..KDH201..4D..5F..(GEN,MA,TH);1KDFTV..KDH203,213..COM..(11S,12S,13S)..GL201312-201906
15708NOZZLE SUB-ASSY, OIL, NO.1
MADE IN INDONESIA
FIJI SPEC
CBU PACKAGE
main15708-0L011i1KDFTV..KDH223..VN;1KDFTV..KDH223..4FC..TH;1KDFTV,2KDFTV..KDH200,202,203..MA,TH201401-202312
main15708-30011i2KDFTV..KDH222..5F..GL;2KDFTV..KDH220..03S..SA;2KDFTV..KDH222..STD..GCC¥1,000201312-202301
MADE IN JAPAN
19313BRACKET, CRANK POSITION SENSOR HARNESS
27148CWIRE, CONNECTING
8401
9011006040
9011906938
9030109018
9033903005
9048013034
9155180616
9167180612
9167180616
9415180600
33 parts on this diagram · 15 diagrams in section