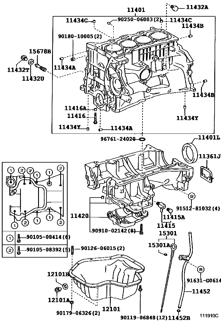
Toyota HARRIER — CYLINDER BLOCK

11361JCOVER, FLYWHEEL HOUSING UNDER
11401BLOCK SUB-ASSY, CYLINDER
11401LSEAL, ENGINE REAR OIL
11415COCK SUB-ASSY, WATER DRAIN(FOR CYLINDER BLOCK)
11415APLUG, WATER DRAIN COCK(FOR CYLINDER BLOCK)
11416BOLT(FOR CRANKSHAFT BEARING CAP SET)
11416APIN, RING(FOR CRANKSHAFT BEARING CAP SET)
11420CRANKCASE ASSY, STIFFENING
11432APLUG, W/HEAD TAPER SCREW, NO.1
11432TPLUG, W/HEAD STRAIGHT SCREW, NO.3(FOR CYLINDER BLOCK)
11432UGASKET, STRAIGHT SCREW PLUG NO.1(FOR CYLINDER BLOCK)
11434APIN, STRAIGHT(FOR TIMING GEAR COVER SET)
�������P�T�C�O�a���W
11434BPIN, STRAIGHT(FOR CLUTCH HOUSING SET)
�������Q�Q�C�O�a���P�O
�������Q�Q�C�O�a���P�O
11434CPIN, STRAIGHT (FOR CYLINDER HEAD SET)
�������P�Q�C�O�a���S�D�O
�������P�Q�C�O�a���P�S
11434YPIN, STRAIGHT(FOR OIL PAN)
11452GUIDE, OIL LEVEL GAGE
11452BRING, O(FOR OIL LEVEL GAGE GUIDE)
12101PAN SUB-ASSY, OIL
12101APLUG(FOR OIL PAN DRAIN)
12101BGASKET(FOR OIL PAN DRAIN PLUG)
15301GAGE SUB-ASSY, OIL LEVEL
15301ARING, O(FOR OIL LEVEL GAGE)
15678BFILTER, OIL CONTROL VALVE
9010508392
9010508414
9011906848
9012606015
9017906326
9018010005
9025006003
9091002142
9151281032
91631G0614
9676124020
34 parts on this diagram · 3 diagrams in section