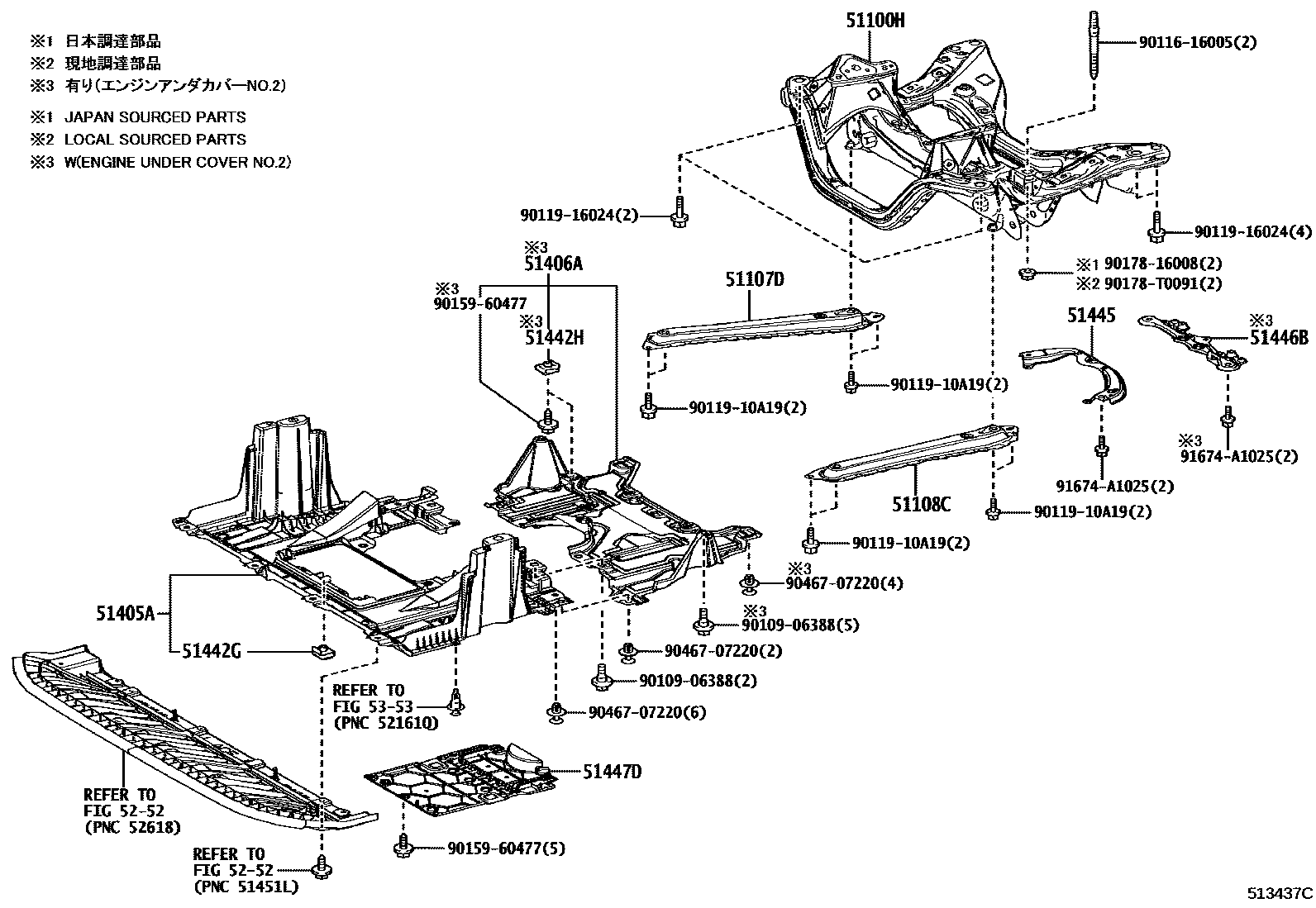
Toyota GRNVA/HIACE/MJSTY — SUSPENSION CROSSMEMBER & UNDER COVER

51100HFRAME ASSY, FRONT
main51100-26010iGDH300..5D..ARL;GDH300,322..4D..6FC..ARL;GDH301,303,320,321..6FC..(ARL,NZ)¥76,600201902-202506
main51100-26010iGDH320..6F;GDH322..GCC,NZ;GDH301..GSOB..6FC;GDH322..GSOB..6F..D;GDH322..RHD..GSOB..N;GDH300..LHD..SP..GEN;GDH300..5D..(GCC,GEN);GDH322..LHD..GSOB..6FC;GDH300..RHD..¥76,600201902
51107DREINFORCEMENT SUB-ASSY, SIDE RAIL, REAR RH
main51107-26010iGDH321..RHD;GDH301..GSOB..6FC;GDH322..LHD..GSOB;GDH322..ARL,GCC,NZ;GDH322..RHD..GSOB..N;GDH301..LHD..GSOB..6F;GDH322..RHD..GSOB..6F;GDH322..LHD..SG..(P,Q)..GEN;GDH3¥4,290201902-202502
51108CREINFORCEMENT SUB-ASSY, SIDE RAIL, REAR LH
main51108-26010iGDH321..RHD;GDH301..GSOB..6FC;GDH322..LHD..GSOB;GDH322..ARL,GCC,NZ;GDH322..RHD..GSOB..N;GDH301..LHD..GSOB..6F;GDH322..RHD..GSOB..6F;GDH322..LHD..SG..(P,Q)..GEN;GDH3¥4,290201902-202502
51405ACOVER SUB-ASSY, ENGINE UNDER, NO.1
main51405-26190iGDH300..5D..ARL;GDH300,322..4D..6FC..ARL;GDH301,303,320,321..6FC..(ARL,NZ)201902-202506
main51405-26190iGRH321;GDH322..GCC,NZ;GRH320..6F..ARL;GDH320,GRH300..6F;GDH322..LHD..GSOB;GDH322..RHD..GSOB..N;GDH300..4D..PSOB..GEN;GDH300..5D..(GCC,GEN);GDH301..LHD..GSOB..6F..D;201902
51406ACOVER SUB-ASSY, ENGINE UNDER, NO.2
main51406-26240iGDH300..5D;GDH306,321..RHD;GDH322..LHD..GSOB;GDH322..ARL,GCC,NZ;GDH301,GRH301..SG..N;GDH301..GSOB..6FC..N;GDH322..RHD..GSOB..N;GDH322..LHD..SG..(P,Q)..GEN;GDH300,30¥6,100201902
REAR SEAT-3-ROW(FOR 10 PERSONS), W(*RRS)
51442GCLIP, ENGINE UNDER COVER, NO.1
main90467-05176iGDH300..5D;GDH306,321..RHD;GDH301..GSOB..6FC;GDH322..LHD..GSOB;GDH322..ARL,GCC,NZ;GDH322..RHD..GSOB..N;GDH301..LHD..GSOB..6F..D;GDH300..4D..SP..(ARL,TH);GDH322..LHD¥100202004
51442HCLIP, ENGINE UNDER COVER, NO.2
REAR SEAT-3-ROW(FOR 10 PERSONS), W(*RRS)
main90467-05176iGDH300..5D;GDH306,321..RHD;GDH322..LHD..GSOB;GDH322..ARL,GCC,NZ;GDH301,GRH301..SG..N;GDH301..GSOB..6FC..N;GDH322..RHD..GSOB..N;GDH322..LHD..SG..(P,Q)..GEN;GDH300,30¥100202004
REAR SEAT-3-ROW(FOR 10 PERSONS), W(*RRS)
51445BRACKET, ENGINE UNDER COVER
main51445-26090iGDH300..5D;GDH321..RHD;GDH301..GSOB..6FC;GDH322..ARL,GCC,NZ;GDH322..RHD..GSOB..N;GDH300..4D..SP..(ARL,TH);GDH301..LHD..GSOB..6F..D;GDH320,328,GRH300,301,32#;GDH322.¥1,320201902
51446BBRACKET, ENGINE UNDER COVER, NO.2
main51446-26110iGDH300..5D;GDH321..RHD;GDH322..ARL,GCC,NZ;GDH301..GSOB..6FC..N;GDH301,GRH301..SG..N;GDH322..RHD..GSOB..N;GDH320,328,GRH300,32#;GDH322..LHD..SG..(P,Q)..GEN;GDH300,32¥1,320201902
REAR SEAT-3-ROW(FOR 10 PERSONS), W(*RRS)
51447DCOVER, ENGINE UNDER, NO.4 CENTER
main51447-26070iGDH300..5D;GRH300..6F;GDH306,321..RHD;GRH320..GCC,GEN;GRH320..6F..ARL;GDH300..4D..PSOB;GDH322..LHD..GSOB;GDH322..ARL,GCC,NZ;GDH322..RHD..GSOB..N;GDH300..4D..SP..(AR201902
5252
5353
9010906388
9011616005
9011910A19
9011916024
9015960477
9017816008
90178T0091
main90178-T0091
9046707220
91674A1025
21 parts on this diagram · 12 diagrams in section