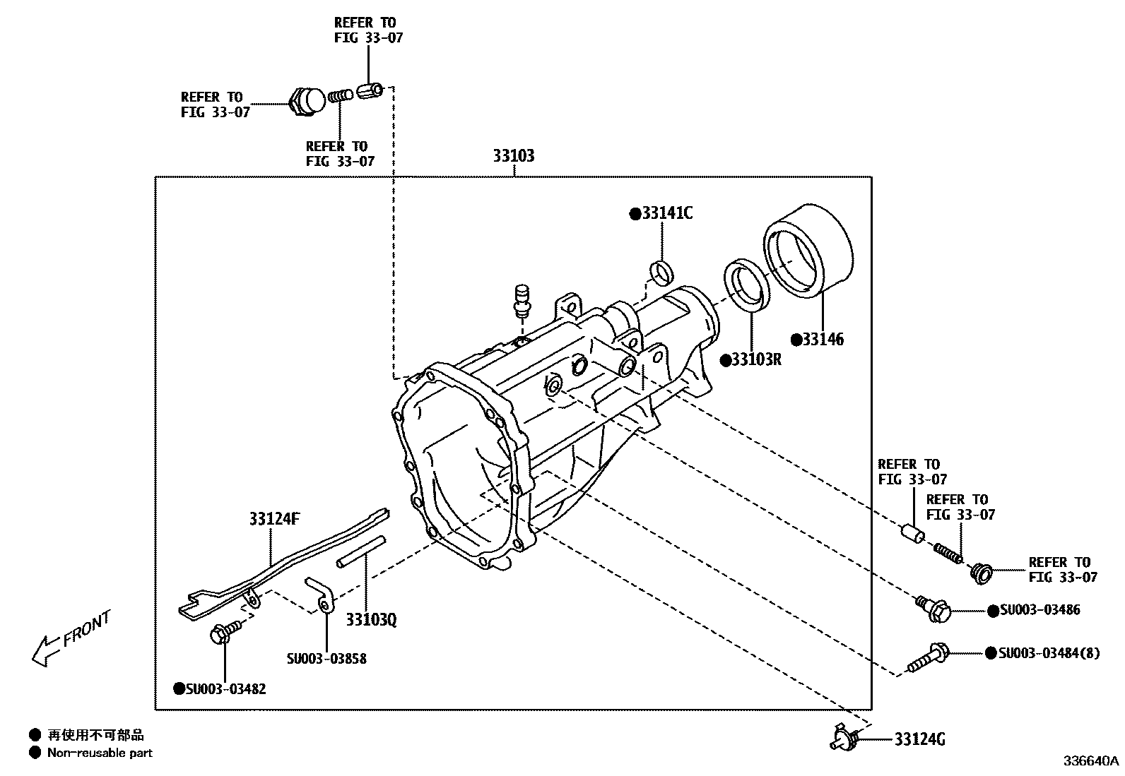
Toyota GR 86 — EXTENSION HOUSING (MTM)

3307
33103HOUSING SUB-ASSY, EXTENSION(MTM)
33103QPIN, RING(FOR EXTENSION HOUSING)
33103RSEAL, OIL(FOR MANUAL TRANSMISSION EXTENSION HOUSING)
33124FPIPE, OIL RECEIVER, NO.1(FOR EXTENSION HOUSING)
33124GPIPE, OIL RECEIVER, NO.2(FOR EXTENSION HOUSING)
33141CSEAL, OIL(FOR EXTENSION HOUSING REAR)
33146DEFLECTOR, EXTENSION HOUSING DUST(MTM)
SU00303482
SU00303484
SU00303486
SU00303858
12 parts on this diagram · 1 diagram in section