E
EPC Data
Pricing
API Docs
Sign In
Home
›
Toyota
›
GR 86
›
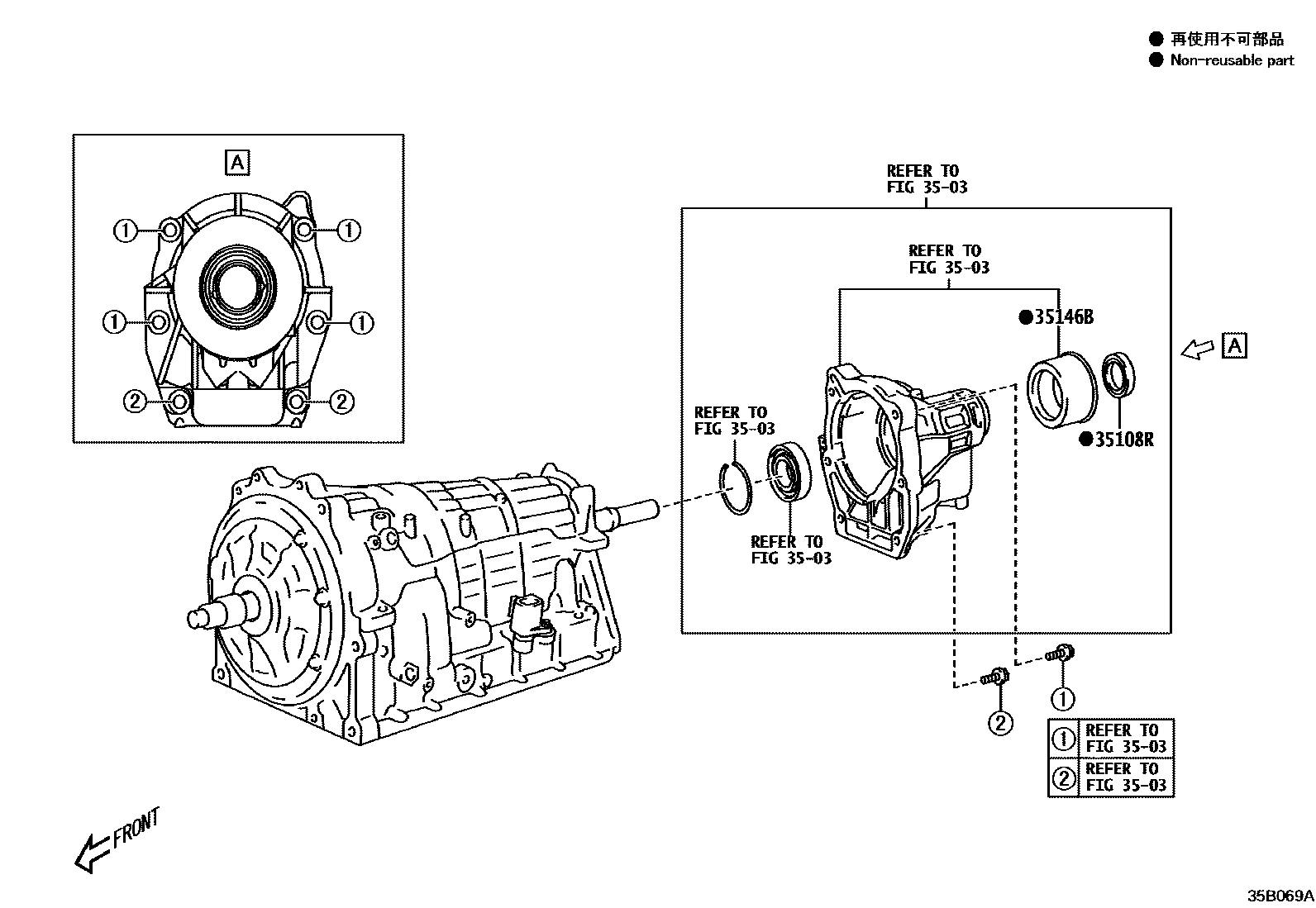
EXTENSION HOUSING (ATM)
Toyota GR 86 — EXTENSION HOUSING (ATM)
3503
35108R
SEAL, OIL (FOR AUTOMATIC TRANSMISSION EXTENSION HOUSING)
main
SU00303630
i
ZN8..6FC
202203-202310
35146B
GASKET, ACCUMULATOR BACK PRESSURE
main
SU00303652
i
ZN8..6FC
202203-202310
3 parts on this diagram · 1 diagram in section
Toyota GR 86 EXTENSION HOUSING (ATM) — Parts Diagram | EPC Data