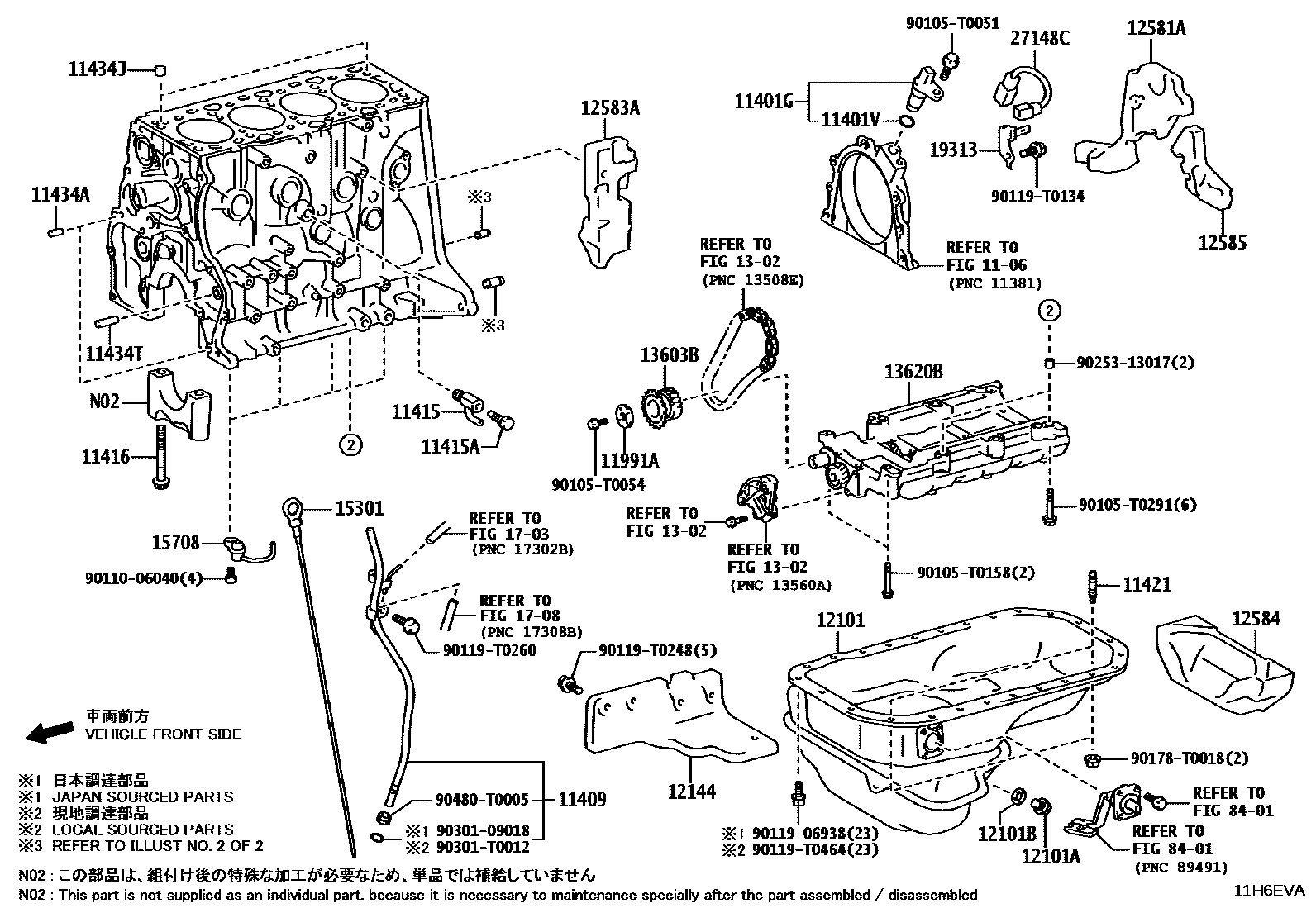
Toyota FORTUNER (SUV) — CYLINDER BLOCK

1106
11401BLOCK SUB-ASSY, CYLINDER
11401GSENSOR, CRANK POSITION
11401VO-RING, CRANK POSITION SENSOR
11409GUIDE SUB-ASSY, OIL LEVEL GAGE
IND SOURCED PARTS
11415COCK SUB-ASSY, WATER DRAIN(FOR CYLINDER BLOCK)
11415APLUG, WATER DRAIN COCK(FOR CYLINDER BLOCK)
(J)
(L)
11416BOLT(FOR CRANKSHAFT BEARING CAP SET)
(J)
EXHAUST EMISSION CONTROL-EURO 4 WITH(ON BOARD DIAGNOSIS),(J)
(L)
EXHAUST EMISSION CONTROL-EURO 4 WITH(ON BOARD DIAGNOSIS)
(L)
11421BOLT, STUD(FOR OIL PAN)
11434APIN, STRAIGHT(FOR TIMING GEAR COVER SET)
L=18,OD=8,(L)
11434JPIN, RING (FOR CYLINDER HEAD SET)
(L)
THA SOURCED PARTS
EXHAUST EMISSION CONTROL-EURO 4 WITH(ON BOARD DIAGNOSIS)
IDN SOURCED PARTS
EXHAUST EMISSION CONTROL-EURO 4 WITH(ON BOARD DIAGNOSIS),IDN SOURCED PARTS
11434TPIN, RING(FOR TIMING BELT IDLER BRACKET SET)
(J)
(L)
11991APLATE, BALANCESHAFT THRUST, NO.1
(L)
(J)
12101PAN SUB-ASSY, OIL
IDN SOURCED PARTS
THA SOURCED PARTS
IND SOURCED PARTS
12101APLUG(FOR OIL PAN DRAIN)
(L)
12101BGASKET(FOR OIL PAN DRAIN PLUG)
(L)
(J)
(L)
12144SILENCER, OIL PAN COVER
AZERBAIJAN SPEC&EXHAUST EMISSION CONTROL-EURO 4 WITH(ON BOARD DIAGNOSIS)
THA SOURCED PARTS
12581AINSULATOR, CYLINDER BLOCK, NO.1
THA SOURCED PARTS
IND SOURCED PARTS
12583AINSULATOR, CYLINDER BLOCK, NO.3
THA SOURCED PARTS
IND SOURCED PARTS
12584INSULATOR, CYLINDER BROCK, NO.4
12585INSULATOR, CYLINDER BROCK, NO.5
THA SOURCED PARTS
IND SOURCED PARTS
1302
13603BGEAR SUB-ASSY, BALANCESHAFT
(L)
(J)
13620BBALANCER ASSY, ENGINE
15301GAGE SUB-ASSY, OIL LEVEL
THA SOURCED PARTS
IDN SOURCED PARTS
THA SOURCED PARTS,(L)
(J),JAPAN SOURCED PARTS
15708NOZZLE SUB-ASSY, OIL, NO.1
(L)
IDN SOURCED PARTS
(J)
1703
1708
19313BRACKET, CRANK POSITION SENSOR HARNESS
THA SOURCED PARTS
IND SOURCED PARTS
27148CWIRE, CONNECTING
THA SOURCED PARTS
IND SOURCED PARTS
8401
90105T0051
main90105-T0051
90105T0054
main90105-T0054
90105T0158
main90105-T0158
90105T0291
main90105-T0291
9011006040
9011906938
90119T0134
90119T0248
main90119-T0248
90119T0260
main90119-T0260
90119T0464
main90119-T0464
90178T0018
9025313017
9030109018
90301T0012
main90301-T0012
90480T0005
46 parts on this diagram · 3 diagrams in section