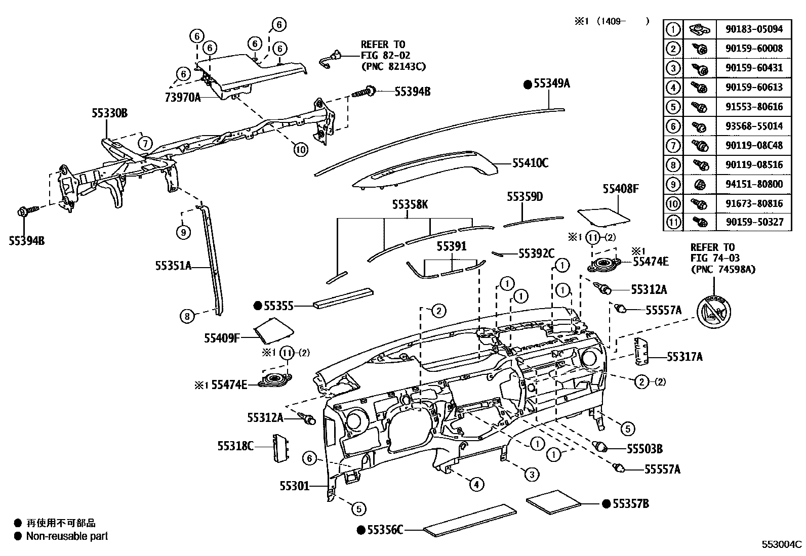
Toyota ETIOS — INSTRUMENT PANEL & GLOVE COMPARTMENT

55301PANEL SUB-ASSY, INSTRUMENT
BLACK,TRIM2#
BLACK,TRIM1#,2#
55312ACLIP, INSTRUMENT PANEL
55317APANEL, INSTRUMENT SIDE, RH
BLACK,TRIM1#,2#
BLACK,TRIM2#
55318CPANEL, INSTRUMENT SIDE, LH
BLACK,TRIM1#,2#
BLACK,TRIM2#
55330BREINFORCEMENT ASSY, INSTRUMENT PANEL
55349ACUSHION, INSTRUMENT PANEL
55351ABRACE, INSTRUMENT PANEL TO FLOOR
55355CUSHION, INSTRUMENT PANEL, NO.1
55356CCUSHION, INSTRUMENT PANEL, NO.2
55357BCUSHION, INSTRUMENT PANEL, NO.3
55358KCUSHION, INSTRUMENT PANEL, NO.4
55359DCUSHION, INSTRUMENT PANEL, NO.5
main55359-0D120iNGK12,15..5F;NGK11..4FC,5F;NGK12..6F..XS..AGT;NGK15..(4FC,6F)..AGT;NGK12..(4FC,6F)..(CROSS,X,XLS)201209-202103
55391CUSHION, INSTRUMENT PANEL, LOWER NO.1
55392CCUSHION, INSTRUMENT PANEL, LOWER NO.2
55394BBOLT, INSTRUMENT PANEL
55408FPANEL SUB-ASSY, INSTRUMENT PANEL SPEAKER, NO.1
BLACK,TRIM1#,2#
main55472-0D050-C0iNGK12..6F..XS..AGT;NGK15..(4FC,6F)..AGT;NGK12..5F..CROSS..AGT;NGK12..5F..(CROSS,XS)..BZ;NGK12..(4FC,6F)..(CROSS,X,XLS)201309-202103
BLACK,TRIM2#
BLACK,TRIM2#
BLACK,TRIM1#,2#
55409FPANEL SUB-ASSY, INSTRUMENT PANEL SPEAKER, NO.2
BLACK,TRIM1#,2#
BLACK,TRIM2#
BLACK,TRIM1#,2#
BLACK,TRIM2#
55410CPANEL ASSY, INSTRUMENT CLUSTER FINISH
BLACK,TRIM1#,2#
BLACK,TRIM2#
55474EPANEL SUB-ASSY, INSTRUMENT PANEL SPEAKER, NO.3
55503BCUSHION(FOR GLOVE COMPARTMENT)
55557ACUSHION, GLOVE COMPARTMENT DOOR CHECK
main55557-53030iNGK12,15..5F;NGK11..4FC,5F;NGK12..6F..XS..AGT;NGK15..(4FC,6F)..AGT;NGK12..(4FC,6F)..(CROSS,X,XLS)¥140201209-202103
73970AAIRBAG ASSY, INSTRUMENT PANEL PASSENGER
main73970-0D080-C0iNGK11,15..4FC,6F;NGK12..CROSS..AGT;NGK12..6F..XS..AGT;NGK12..(CROSS,XS)..BZ;NGK12..(4FC,6F)..(X,XLS)201309-201702
BLACK,TRIM2#
sub73970-0D081
BLACK,TRIM2#
7403
8202
9011908516
9011908C48
9015950327
9015960008
9015960431
9015960613
9018305094
9155380616
9167380816
9356855014
9415180800
35 parts on this diagram · 7 diagrams in section