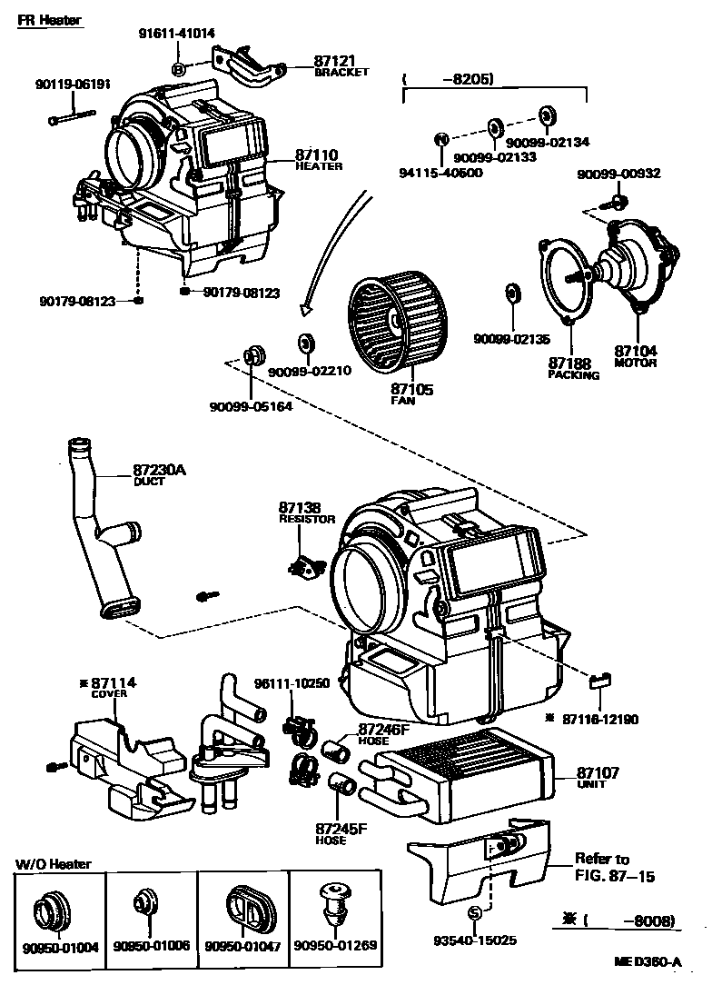
Toyota DYNA — HEATING & AIR CONDITIONING - HEATER UNIT & BLOWER

87104MOTOR SUB-ASSY, HEATER BLOWER
24V
87105FAN SUB-ASSY, HEATER BLOWER
87110HEATER ASSY
24V
24V,W/SIDE DEFROSTER
24V
24V W/HEATER PUMP
24V
87114COVER, HEATER
87121BRACKET, HEATER, FRONT RH
87138RESISTOR, HEATER BLOWER
24V
8715
87188PACKING, HEATER BLOWER MOTOR
87230ADUCT ASSY, HEATER AIR
87245FHOSE, HEATER WATER, INLET F
87246FHOSE, HEATER WATER, OUTLET F
8711612190SPRING, HEATER CASE FASTENING
main87116-12190
9009900932
main90099-00932
9009902133
main90099-02133
9009902134
main90099-02134
9009902135
main90099-02135
9009902210
9009905164
9011906191
9017908123
9095001004
9095001006
9095001047
9095001269
9161141014
9354015025
9411540500
9611110250
29 parts on this diagram · 3 diagrams in section