Toyota DYNA — HEATING & AIR CONDITIONING - COOLER UNIT

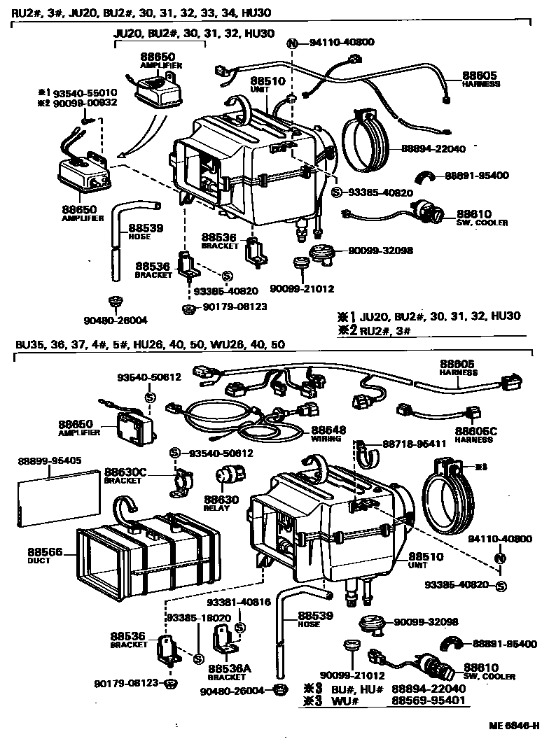
88510UNIT ASSY, COOLER
88536BRACKET, COOLING UNIT, NO.1
88536ABRACKET, COOLING UNIT, NO.2
88539HOSE, COOLER UNIT DRAIN, NO.1
88566DUCT, COOLER AIR, NO.1
88605HARNESS SUB-ASSY, COOLER WIRING, NO.1
88605CHARNESS SUB-ASSY, COOLER WIRING, NO.2
88610SWITCH ASSY, COOLER CONTROL
88630RELAY ASSY, COOLER
88630CBRACKET, COOLER RELAY
88648WIRING, COOLER, NO.1
88650AMPLIFIER ASSY, COOLER STABILIZER
24V
8856995401CLAMP (FOR COOLER RELAY)
main88569-95401
8871895411PIPE, COOLER REFRIGERANT SUCTION, NO.2
main88718-95411
8889195400PACKING (FOR COOLER)
main88891-95400
8889422040
main88894-22040
8889995405COVER, EVAPORATOR
main88899-95405
9009900932
main90099-00932
9009921012
main90099-21012
9009932098
main90099-32098
9017908123
9048026004
9338140816
main93381-40816
9338518020
main93385-18020
9338540820
main93385-40820
9354050612
main93540-50612
9354055010
9411040800
28 parts on this diagram · 2 diagrams in section