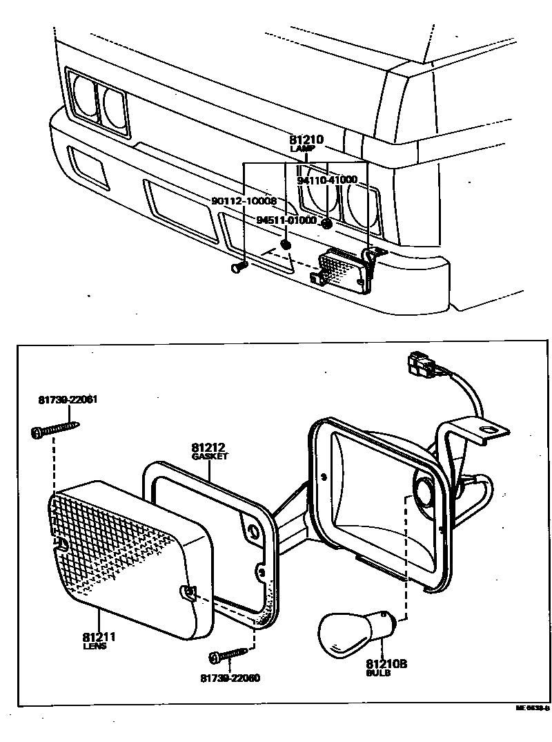
Toyota DYNA — FOG LAMP

81210LAMP ASSY, FOG
24V,RH
24V,LH
81210BBULB, FOG LAMP
24V 35W
81211LENS, FOG LAMP
RH
LH
81212GASKET, FOG LAMP LENS
8173922060
8173922061
main81739-22061
9011210008
9411041000
9451101000
9 parts on this diagram · 1 diagram in section