E
EPC Data

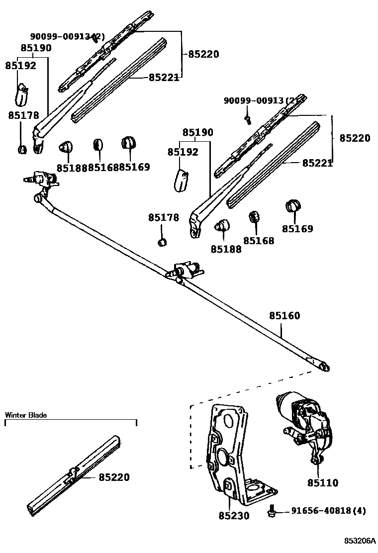
Toyota DYNA/TOYOACEWINDSHIELD WIPER

Parts diagram
85110MOTOR ASSY, WINDSHIELD WIPER
main85110-95441i¥27,100199311-199505
main85110-95442i¥24,100198808-199505
main85110-95445i¥30,300199311-199505
*COS
main85110-95446i¥30,300198808-199505
*COS
main85110-95448i¥33,100198808-199505
85160LINK ASSY, WINDSHIELD WIPER
main85160-95409i¥10,800198808-199505
main85160-95411i¥12,400198808-199505
85168NUT, WINDSHIELD WIPER LINK PIVOT
main85168-95700i¥680198808-199505
85169WASHER, WINDSHIELD WIPER LINK PIVOT, NO.1
main85179-95400i¥720198808-199505
85178NUT (FOR FRONT WIPER ARM SETTING)
main90179-08123i¥160198808-199312
main90179-08209i¥120199312-199505
85188CAP, WINDSHIELD WIPER PIVOT, NO.1
main85135-95700i¥320198808-199505
85190ARM ASSY, WINDSHIELD WIPER
main85190-95417i¥4,020198808-199505
main85190-95419i¥4,220198808-199505
main85210-95402i¥4,220198808-199505
main85210-95405i¥4,020198808-199505
CTR
main85210-95406i¥3,790198808-199505
85192COVER, WINDSHIELD WIPER ARM
main85195-95J00i¥630198808-199505
85220BLADE ASSY, WINDSHIELD WIPER
main85212-37010i¥2,280198911-199505
sub85220-12651¥2,280
main85220-12560i¥2,510198808-199002
sub85220-12561¥2,280
main85220-12561i¥2,280199002-199505
sub85222-10220¥2,280
main85220-12570i¥2,510198808-199002
sub85212-37010¥2,280
main85220-14170i¥2,530198808-199003
sub85291-14010¥2,660
main85220-14170i¥2,530198808-199003
sub85291-14010¥2,660
main85220-22380i¥2,100198808-198911
CTR
sub85222-60050¥2,090
main85220-22470i¥2,100198808-198911
sub85220-22481¥2,100
main85220-90K00i¥2,060198808-199003
sub85291-90K00¥2,190
main85222-37010i¥2,090199002-199505
LH & CTR
sub85222-60050¥2,090
main85222-37010i¥2,090198911-199002
CTR
sub85222-60050¥2,090
main85222-37020i¥2,090198911-199002
sub85222-37010¥2,090
main85291-14010i¥2,660199003-199505
sub85291-28H00¥2,660
main85291-14010i¥2,660199003-199505
sub85291-28H00¥2,660
main85291-90K00i¥2,190199003-199505
85221BLADE, WINDSHIELD WIPER
main85221-12230i¥680198808-199505
sub85214-12H90¥680
main85221-89103i¥580199109-199505
CTR & LH
sub85214-12H90¥680
main85221-89103i¥580198808-199109
CTR OR LH
sub85214-12H90¥680
85230BRACKET ASSY, WINDSHIELD WIPER
main85269-95400i¥7,900198808-199505
9009900913
main90099-00913¥170
9165640818
main91656-40818¥140

13 parts on this diagram · 2 diagrams in section

Toyota DYNA/TOYOACE WINDSHIELD WIPER — Parts Diagram | EPC Data