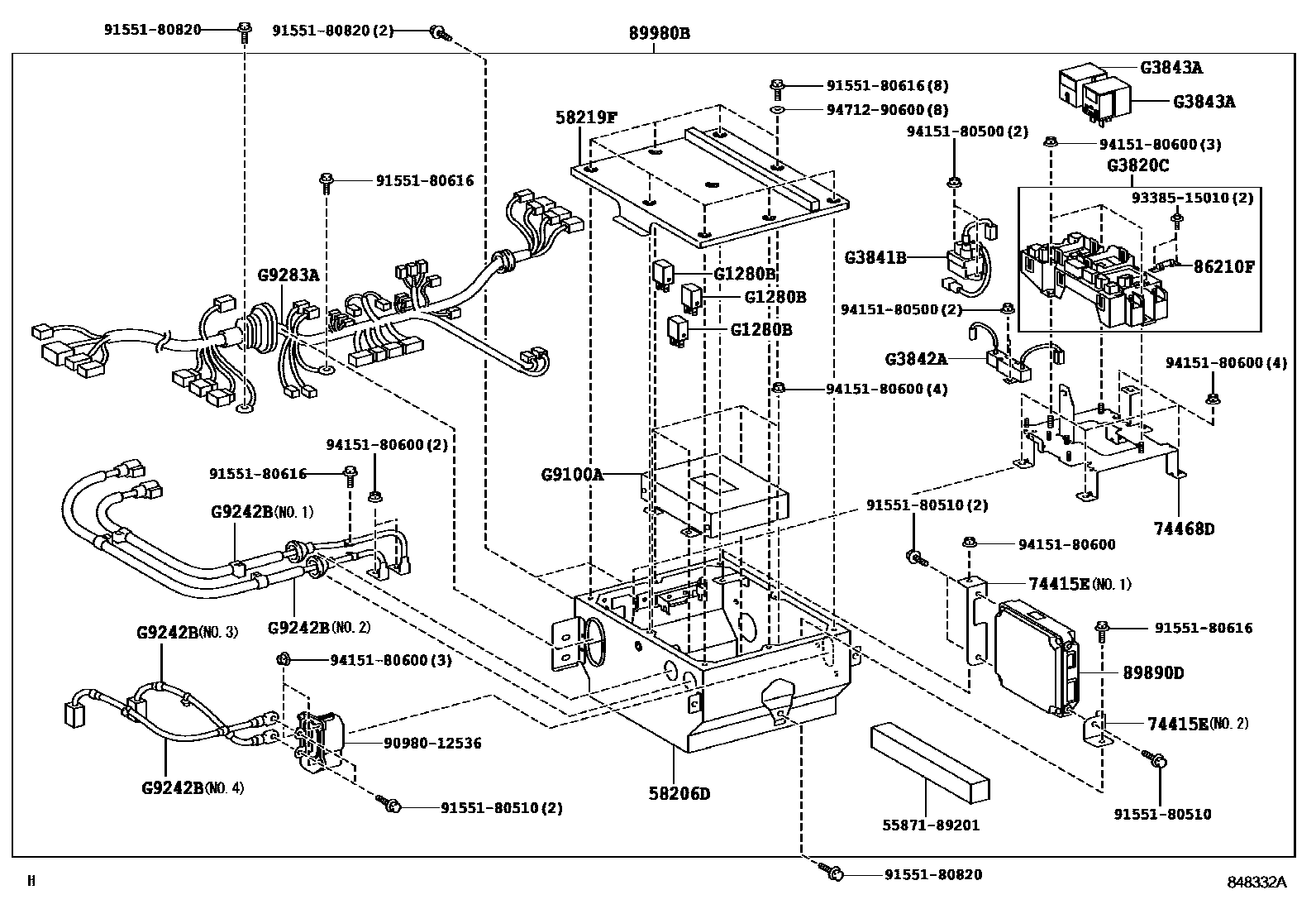
Toyota DYNA/TOYOACE HV — HEV CONTROL COMPUTER

58206DBOX SUB-ASSY, BATTERY
58219FCOVER, BATTERY BOX
74468DBRACKET, RELAY BLOCK
86210FFUSE, HIGH VOLTAGE
89890DCOMPUTER ASSY, BATTERY
89980BCOMPUTER ASSY, HYBRID VEHICLE CONTROL
G1280BRELAY, ELECTRIC VEHICLE CONTROL COMPUTER
G3820CBOX ASSY, ELECTRIC VEHICLE JUNCTION
G3841BRELAY, SYSTEM MAIN, NO.1
G3842ARESISTOR, SYSTEM MAIN
G3843ARELAY, SYSTEM MAIN, NO.2
G9100ACONTROLLER ASSY, EV UNIT
G9242BCABLE, MAIN BATTERY
G9283AWIRE, HYBRID BATTERY
5587189201PANEL, COWL VENTILATOR AIR DUCT
9098012536
9155180510
9155180616
9155180820
9338515010
9415180500
9415180600
9471290600
24 parts on this diagram · 1 diagram in section