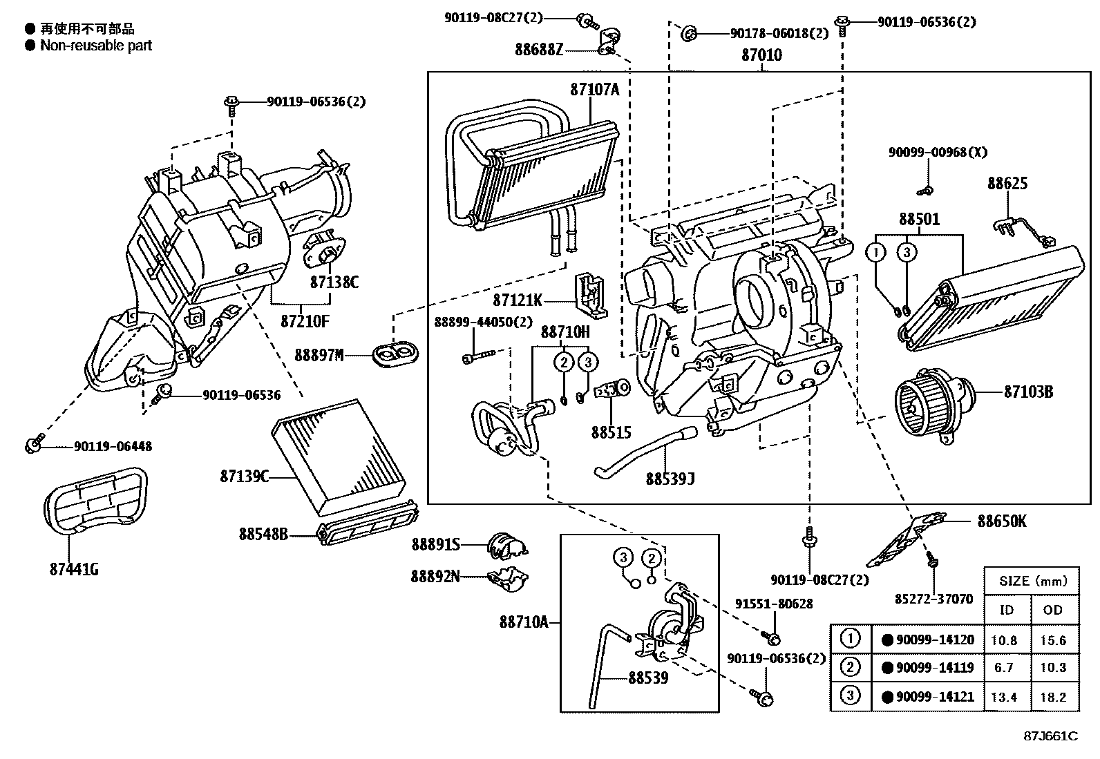
Toyota DYNA HV — HEATING & AIR CONDITIONING - COOLER UNIT

87010UNIT ASSY, AIR CONDITIONER
87103BMOTOR SUB-ASSY, BLOWER W/FAN
87107AUNIT SUB-ASSY, HEATER RADIATOR
87121KBRACKET, HEATER
87138CRESISTOR, BLOWER
87139CFILTER, CLEAN AIR
87210FCASE ASSY, AIR DAMPER
87441GFILTER, HEATER AIR
88501EVAPORATOR SUB-ASSY, COOLER, NO.1
88515VALVE, COOLER EXPANSION
88539HOSE, COOLER UNIT DRAIN, NO.1
88539JHOSE, DRAIN COOLER
88548BCASE, AIR FILTER
88625THERMISTOR, COOLER, NO.1
88650KBRACKET, RELAY
88688ZBRACKET
88710ATUBE ASSY, AIR CONDITIONER
88710HTUBE & ACCESSORY ASSY, AIR CONDITIONER
88891SCOVER, COOLER, NO.1
88892NCOVER, COOLER, NO.2
88897MGROMMET (FOR HEATER PIPE)
8527237070CABLE SUB-ASSY, HEADLAMP CLEANER, RH
8889944050COVER, EVAPORATOR
main88899-44050
9009900968
main90099-00968
9009914119
main90099-14119
9009914120
9009914121
main90099-14121
9011906448
9011906536
9011908C27
9017806018
9155180628
32 parts on this diagram · 1 diagram in section