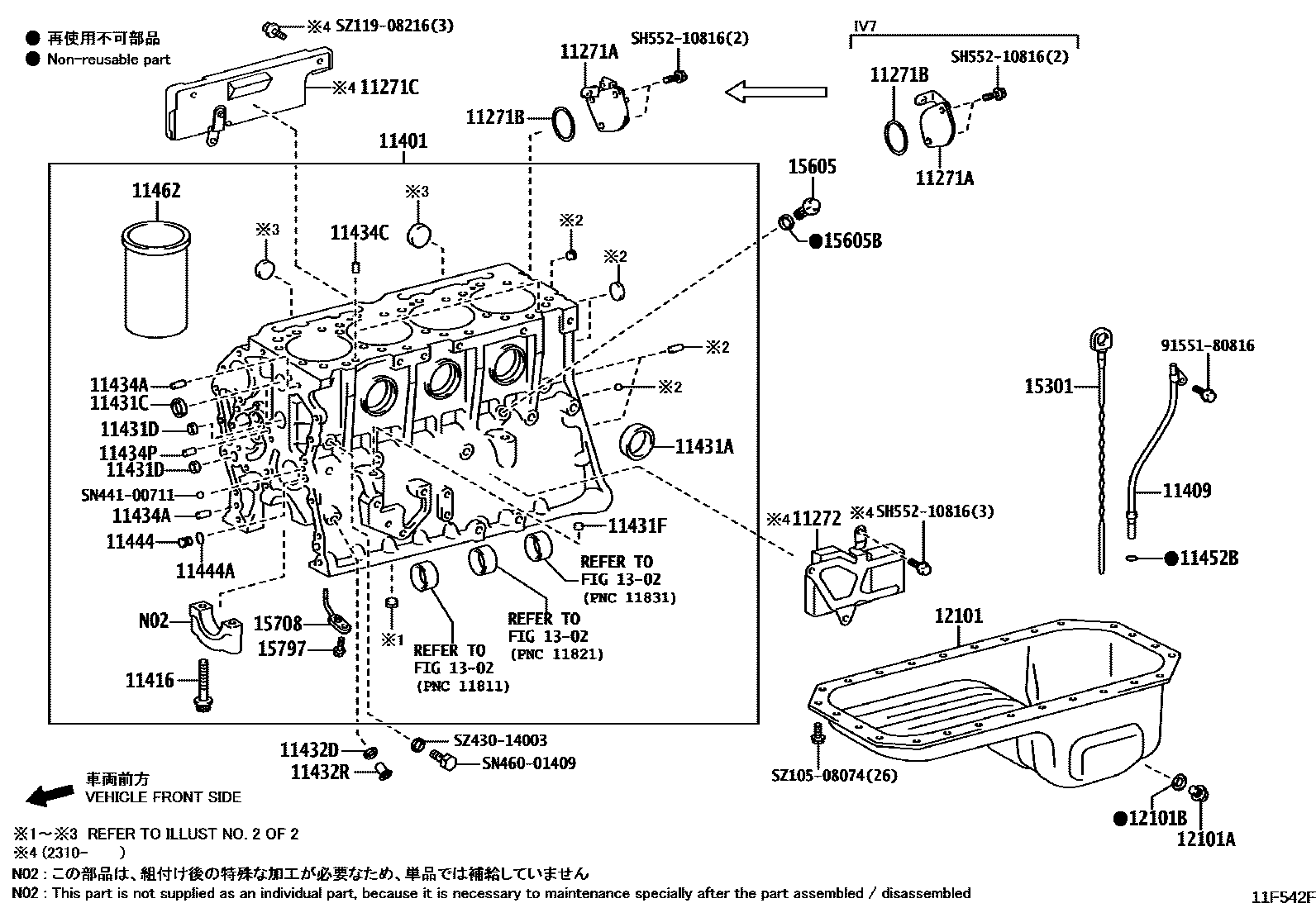
Toyota DYNA HV — CYLINDER BLOCK

11271ACOVER, CYLINDER BLOCK, REAR
11271BRING, O(FOR CYLINDER BLOCK REAR PLATE)
11271CCOVER, CYLIVDER BLOCK SIDE
11272COVER, CYLINDER BLOCK SIDE, NO.2
11401BLOCK SUB-ASSY, CYLINDER
11409GUIDE SUB-ASSY, OIL LEVEL GAGE
11416BOLT(FOR CRANKSHAFT BEARING CAP SET)
11431APLUG, TIGHT, NO.1(FOR CYLINDER BLOCK)
11431CPLUG, TIGHT, NO.3(FOR CYLINDER BLOCK)
11431DPLUG, TIGHT, NO.4(FOR CYLINDER BLOCK)
11431FPLUG, TIGHT, NO.6(FOR CYLINDER BLOCK)
11432DGASKET, W/HEAD TAPER SCREW PLUG
11432RPLUG, W/HEAD STRAIGHT SCREW, NO.1(FOR CYLINDER BLOCK)
11434APIN, STRAIGHT(FOR TIMING GEAR COVER SET)
11434CPIN, STRAIGHT (FOR CYLINDER HEAD SET)
11434PPIN, STRAIGHT(FOR OIL PUMP SET)
11444PLUG, HOLE
11444ARING, O
11452BRING, O(FOR OIL LEVEL GAGE GUIDE)
11462LINER, CYLINDER
12101PAN SUB-ASSY, OIL
12101APLUG(FOR OIL PAN DRAIN)
12101BGASKET(FOR OIL PAN DRAIN PLUG)
1302
15301GAGE SUB-ASSY, OIL LEVEL
15605VALVE SUB-ASSY, OIL CHECK
15605BGASKET(FOR OIL CHECK VALVE)
15708NOZZLE SUB-ASSY, OIL, NO.1
15797BOLT, OIL NOZZLE UNION
9155180816
SH55210816
SN44100711
SN46001409
SZ10508074
SZ11908216
SZ43014003WASHER, SOFT, NO.1
36 parts on this diagram · 2 diagrams in section