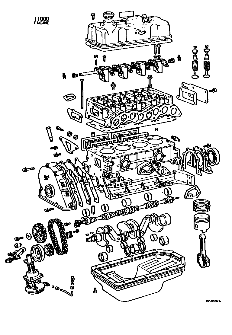
Toyota CROWN — PARTIAL ENGINE ASSEMBLY

11000ENGINE ASSY, PARTIAL
sub19000-44093
IRAQ TAXI SPEC.
sub19000-44133
L/POWER STEERING
sub19000-45013
L/POWER STEERING
W/POWER STEERING
sub19000-45025
sub19000-45072
FOR HONG KONG
1 parts on this diagram · 4 diagrams in section