Toyota CROWN — HEATING & AIR CONDITIONING - COMPRESSOR

1603
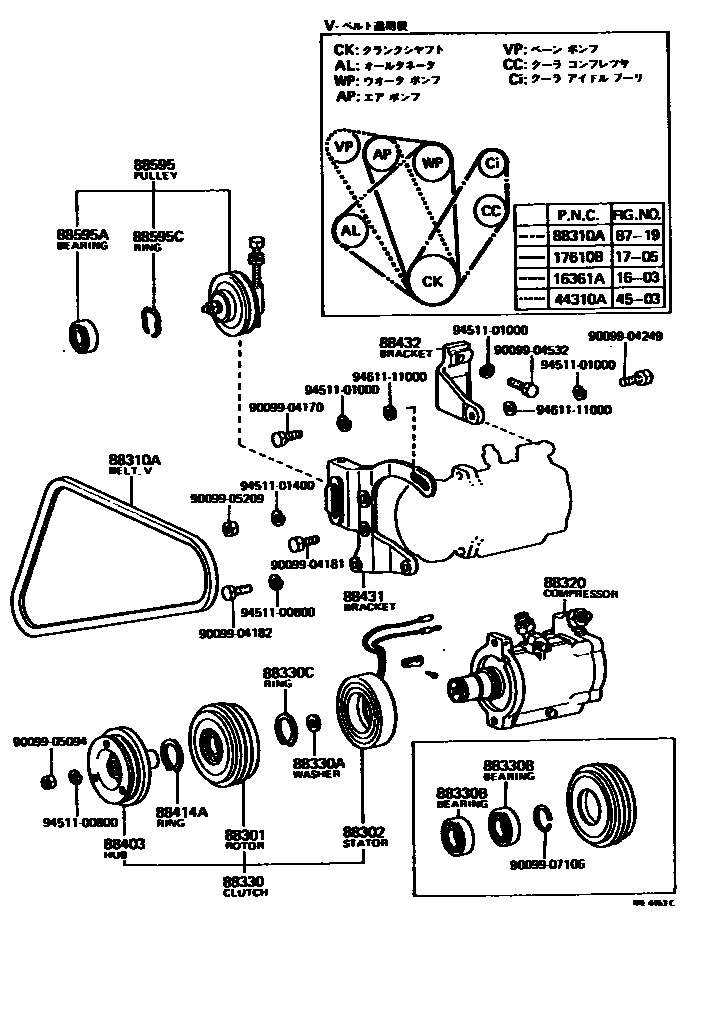
16361ABELT, V(FOR FAN & ALTERNATOR)
DOUBLE V BELTS
MIDDLE EAST SPEC. L=930
L=940
1705
17610BBELT, V(FOR AIR PUMP)
4503
8719
88301ROTOR SUB-ASSY, MAGNET CLUTCH
W/BOOST VENTILATOR
W/BOOST VENTILATOR
88302STATOR SUB-ASSY, MAGNET CLUTCH
W/BOOST VENTILATOR
W/BOOST VENTILATOR
W/BOOST VENTILATOR
88310ABELT, V (COOLER COMPRESSOR TO CRANKSHAFT PULLEY), NO.1
L=960
L=960,W/HEATER
W/HEATER
sub99322-00955
sub99322-00975
sub99322-00975
88320COMPRESSOR ASSY, COOLER
W/BOOST VENTILATOR
W/HEATER
88330CLUTCH ASSY, MAGNET
W/BOOST VENTILATOR
W/BOOST VENTILATOR
W/HEATER
88330AWASHER (FOR MAGNET CLUTCH)
T=0.5
T=0.8
T=1.0
T=1.5
T=2.0
T=2.5
T=0.1
T=0.2
88330CRING, SNAP (FOR MAGNET CLUTCH)
88431BRACKET, COMPRESSOR MOUNTING, NO.1
W/BOOST VENTILATOR
W/HEATER
88432BRACKET, COMPRESSOR MOUNTING, NO.2
W/BOOST VENTILATOR
W/BOOST VENTILATOR
W/HEATER
W/HEATER
88595ABEARING (FOR COOLER IDLE PULLEY)
W/BOOST VENTILATOR
88595CRING, SNAP (FOR COOLER IDLE PULLEY)
W/BOOST VENTILATOR
9009904170
main90099-04170
9009904181
main90099-04181
9009904182
main90099-04182
9009904249
main90099-04249
9009904532
main90099-04532
9009905094
main90099-05094
9009905209
main90099-05209
9009907106
main90099-07106
9451100800
9451101000
9451101400
9461111000
34 parts on this diagram · 7 diagrams in section