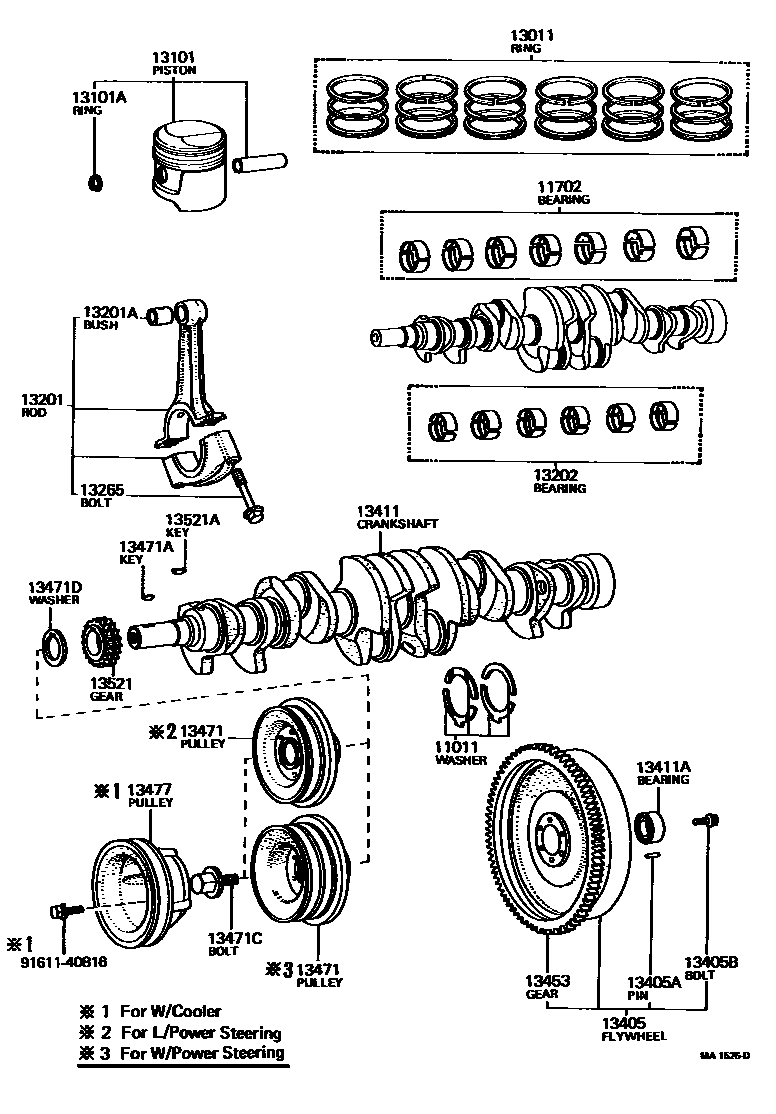
Toyota CROWN — CRANKSHAFT & PISTON

11011WASHER SET, CRANKSHAFT THRUST
11702BEARING SET, CRANKSHAFT
STD
STD,STD
U/S 0.05
U/S 0.05,U/S 0.05
U/S 0.25
U/S 0.25,U/S 0.25
U/S 0.50
U/S 0.50,U/S 0.50
13011RING SET, PISTON
STD,STD
O/S 0.50,O/S 0.50
O/S 0.75,O/S 0.75
O/S 1.00,O/S 1.00
13101PISTON SUB-ASSY, W/PIN
STD
STD,STD
O/S 0.50
O/S 0.50,O/S 0.50
O/S 0.75
O/S 0.75,O/S 0.75
O/S 1.00
O/S 1.00,O/S 1.00
13101ARING, HOLE SNAP(FOR PISTON PIN)
13201ROD SUB-ASSY, CONNECTING
13201ABUSH(FOR CONNECTING ROD SMALL END)
13202BEARING SET, CONNECTING ROD
STD,STD
U/S 0.05,U/S 0.05
U/S 0.25,U/S 0.25
U/S 0.50,U/S 0.50
13265BOLT, CONNECTING ROD
13405FLYWHEEL SUB-ASSY
N=115
N=115
N=115
13405APIN, STRAIGHT(FOR FLYWHEEL)
L=23,OD=8,L=23,OD=8
13405BBOLT, FLYWHEEL SETTING
10-1.25PX26-18
13411CRANKSHAFT
13411ABEARING(FOR INPUT SHAFT FRONT)
13453GEAR, FLYWHEEL RING
N=115
13471PULLEY, CRANKSHAFT
L/POWER STEERING
W/POWER STEERING
13471AKEY, CRANKSHAFT(FOR CRANKSHAFT PULLEY SET)
13471CBOLT(FOR CRANKSHAFT PULLEY SET)
12-1.25PX24-18
14-1.5PX26-21
14-1.5PX26-21
16-1.5PX26-21
13471DWASHER, PLATE
13477PULLEY, CRANKSHAFT, NO.2
13521GEAR OR SPROCKET, CRANKSHAFT TIMING
N=18
N=20
13521AKEY(FOR CRANKSHAFT TIMING GEAR)
9161140816
23 parts on this diagram · 5 diagrams in section