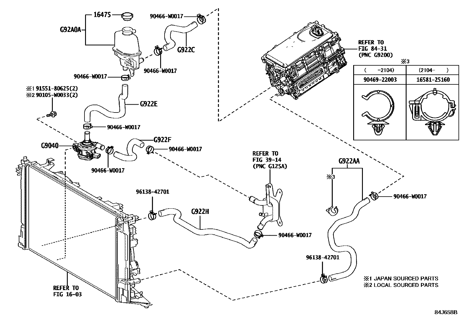
Toyota COROLLA (TUP) — INVERTER COOLING

1603
16475CAP, RESERVE TANK
3914
8431
G922FHOSE, HYBRID WATER PUMP OUTLET, NO.1
1658125160CLAMP, HOSE(FOR WATER HOSE)
90105W0033
90466W0017
main90466-W0017
9046922003
9155180625
9613842701
17 parts on this diagram · 2 diagrams in section