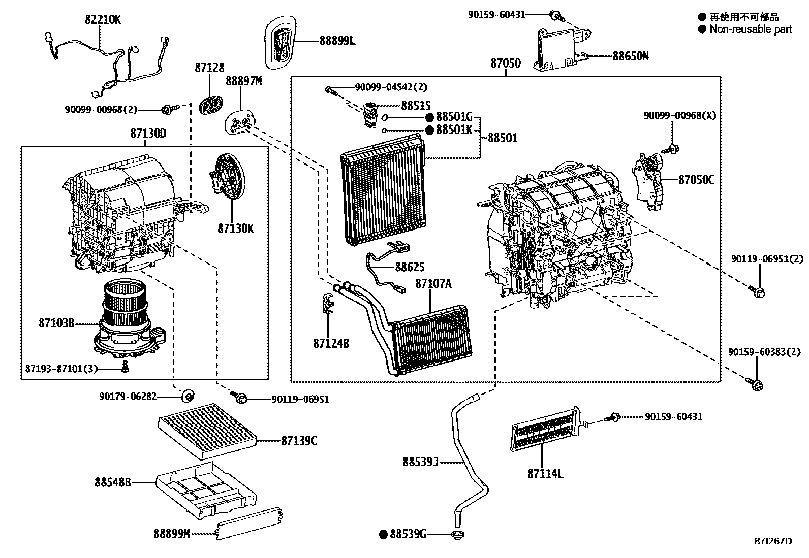
Toyota COROLLA/TOURING — HEATING & AIR CONDITIONING - COOLER UNIT

82210KHARNESS ASSY, AIR CONDITIONER
87050RADIATOR ASSY, AIR CONDITIONER
87050CDAMPER SERVO SUB-ASSY, AIR CONDITIONER RADIATOR, NO.1
87107AUNIT SUB-ASSY, HEATER RADIATOR
87114LCOVER, HEATER, NO.2
87124BCLAMP, HEATER
87128GROMMET, HEATER
87130KDAMPER SERVO SUB-ASSY, BLOWER, NO.1
87139CFILTER, CLEAN AIR
DEODORANT FILTER
88501GO-RING, COOLER EVAPORATOR NO.1(SUCTION)
ID=13.4,OD=18.2
88501KO-RING, COOLER EVAPORATOR NO.1(LIQUID)
ID=10.8,OD=15.6
88515VALVE, COOLER EXPANSION
88539GGROMMET (FOR COOLER UNIT DRAIN HOSE)
88539JHOSE, DRAIN COOLER
88548BCASE, AIR FILTER
88625THERMISTOR, COOLER, NO.1
88897MGROMMET (FOR HEATER PIPE)
88899LPARTS, COOLING UNIT
88899MPLATE, COVER(FOR AIR FILTER)
8719387101
9009900968
main90099-00968
9009904542
9011906951
9015960383
9015960431
9017906282
30 parts on this diagram · 1 diagram in section