Toyota COROLLA SED (NAP) — MANIFOLD

1104
1708
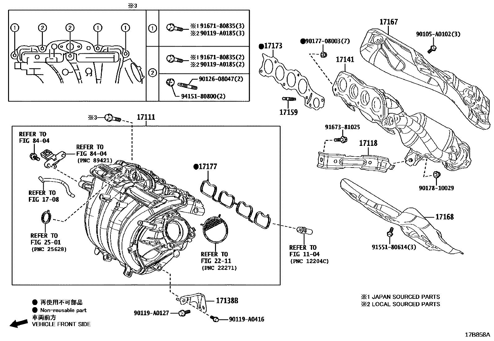
17111MANIFOLD, INTAKE
(L)
(J)
17118STAY, MANIFOLD
(J)
17138BSTAY, INTAKE MANIFOLD
(J)
17141MANIFOLD, EXHAUST
(L)
(J)
MARK = AT 24180
MARK = AT 24380
(J)
(L)
MARK = BA F2100
MARK = BA F2280
17159BOLT, STUD(FOR MANIFOLD TO CYLINDER HEAD)
(J),NO.1
(J),NO.2
(L),NO.1
(L),NO.2
17167INSULATOR, EXHAUST MANIFOLD HEAT, NO.1
(L)
(J)
(J)
(L)
17168INSULATOR, EXHAUST MANIFOLD HEAT, NO.2
(L)
(J)
(J)
(L)
17173GASKET, EXHAUST MANIFOLD TO HEAD
(L)
(J)
17177GASKET, INTAKE MANIFOLD TO HEAD, NO.1
(L)
(J)
2211
2501
8404
90105A0102
90119A0127
main90119-A0127
90119A0185
main90119-A0185
90119A0416
main90119-A0416
9012608047
9017708003
9017810029
9155180614
9167180835
9167381025
9415180800
25 parts on this diagram · 2 diagrams in section