Toyota COROLLA AXIO/FIELDER — HEATING & AIR CONDITIONING - COOLER UNIT

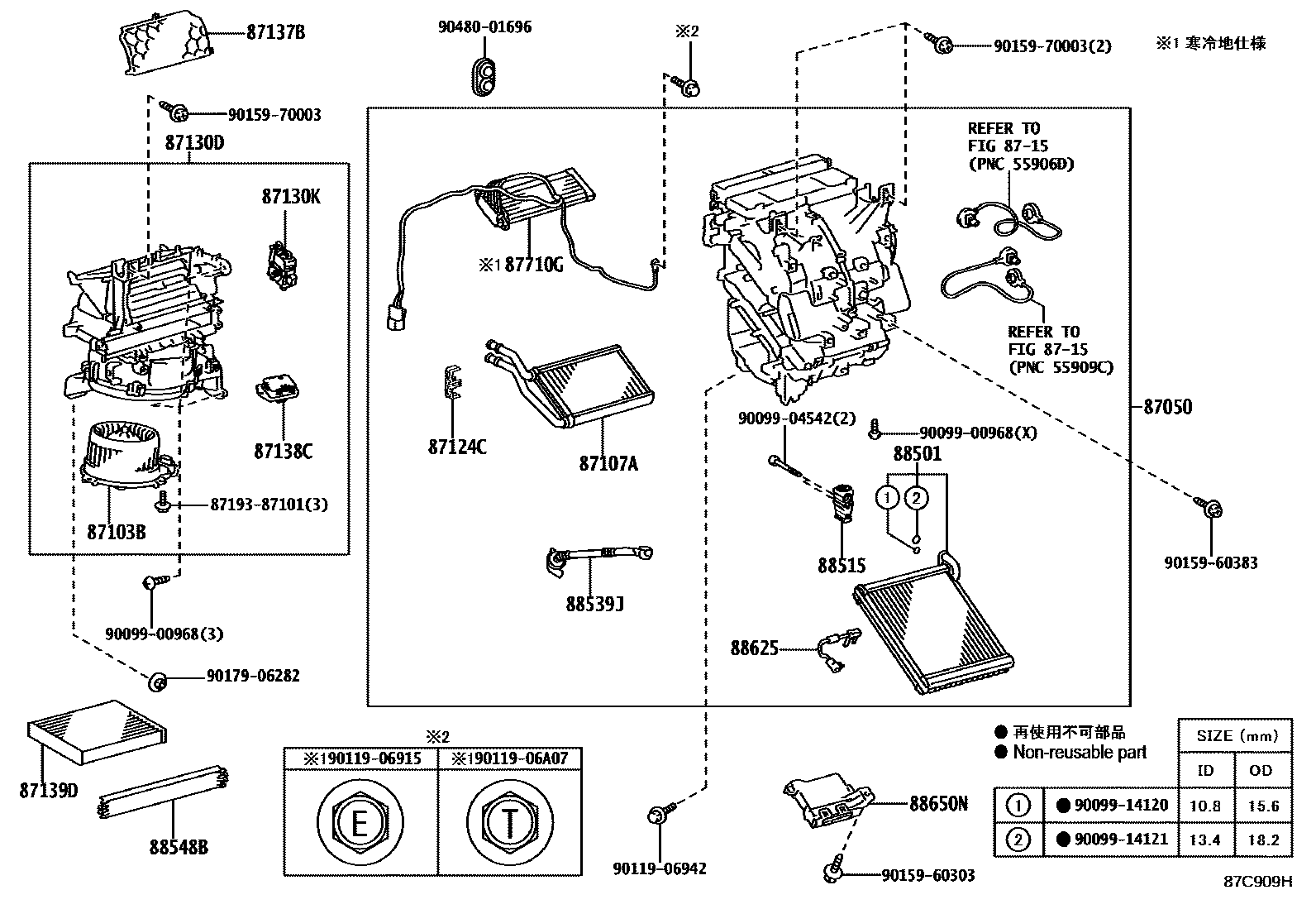
87050RADIATOR ASSY, AIR CONDITIONER
87103BMOTOR SUB-ASSY, BLOWER W/FAN
87107AUNIT SUB-ASSY, HEATER RADIATOR
87124CCLAMP, HEATER
87130DBLOWER ASSY
87130KDAMPER SERVO SUB-ASSY, BLOWER, NO.1
87137BCOVER, HEATER BLOWER
87138CRESISTOR, BLOWER
87139DELEMENT, AIR REFINER
8715
87710GQUICK HEATER ASSY
88501EVAPORATOR SUB-ASSY, COOLER, NO.1
88515VALVE, COOLER EXPANSION
88539JHOSE, DRAIN COOLER
88548BCASE, AIR FILTER
88625THERMISTOR, COOLER, NO.1
8719387101
9009900968
main90099-00968
9009904542
9009914120
9009914121
main90099-14121
9011906915
9011906942
9011906A07
9015960303
9015960383
9015970003
9017906282
9048001696
main90480-01696
30 parts on this diagram · 2 diagrams in section