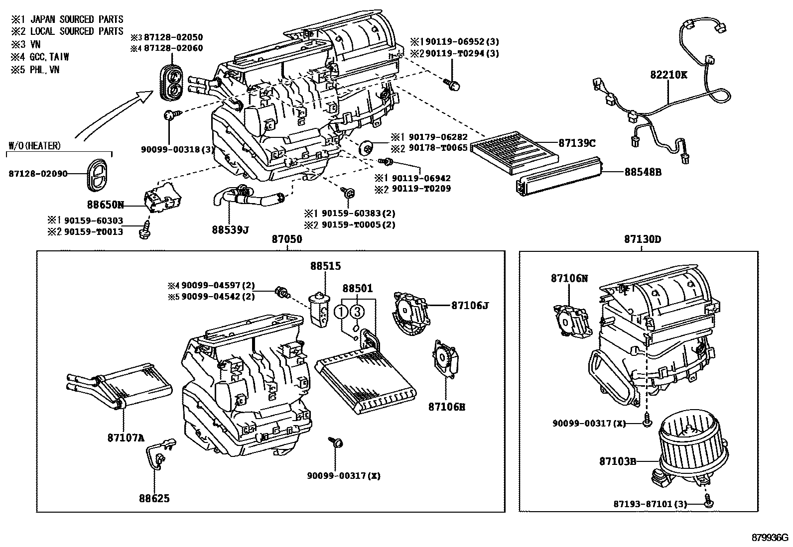
Toyota COROLLA/ALTIS — HEATING & AIR CONDITIONING - COOLER UNIT

82210KHARNESS ASSY, AIR CONDITIONER
SINGAPORE SPEC
SINGAPORE SPEC
87050RADIATOR ASSY, AIR CONDITIONER
SINGAPORE SPEC
SINGAPORE SPEC
AIR CONDITIONER-AUTO SINGLE MODE
87103BMOTOR SUB-ASSY, BLOWER W/FAN
sub87103-02261
main87103-02261iZRE142..HTWCF;ZRE142..18G..(IDN,MA);ZRE142,143..RHD..(18E,20G,20V)..HTWC201011-201311
SINGAPORE SPEC
sub87103-02271
sub87103-02271
sub87103-02271
sub87103-02271
sub87103-02341
sub87103-02351
sub87103-02351
sub87103-02351
sub87103-02411
sub87103-02411
sub87103-02421
sub87103-02421
sub87103-02421
sub87103-02421
sub87103-02431
sub87103-02431
sub87103-02431
sub87103-02441
sub87103-02451
87106HSERVO SUB-ASSY, DAMPER(FOR AIRMIX)
sub87106-02550
sub87106-02550
AIR CONDITIONER-AUTO SINGLE MODE
sub87106-02550
AIR CONDITIONER-AUTO SINGLE MODE
87106JSERVO SUB-ASSY, DAMPER(FOR MODE)
sub87106-02560
sub87106-02560
AIR CONDITIONER-AUTO SINGLE MODE
sub87106-02560
AIR CONDITIONER-AUTO SINGLE MODE
main87106-0K070iZRE142..HTWCF;ZRE141,142..(16G,16V,18G)..(IDN,MA,PHL);ZRE142,143..CVFC..(18E,20G,20V)..(IDN,MA,PHL,TH,VN)..HTWC201008
main87106-0K070iZZE141..(16G,16V)..PHL;ZRE143,ZZE142..(18E,18G,20G,20V)..(IDN,MA,PHL,TH)200801-201008
SINGAPORE SPEC
87106NSERVO SUB-ASSY, DAMPER(FOR RECIRCULATION)
GRADE MARK : 1.8J,1.8G OR 1.8E(THAILAND)
sub87106-02570
sub87106-02570
sub87106-02570
sub87106-02570
AIR CONDITIONER-AUTO SINGLE MODE
sub87106-02580
sub87106-02580
sub87106-02580
sub87106-02590
AIR CONDITIONER-AUTO SINGLE MODE
SINGAPORE SPEC
main87106-0K040iZRE142..HTWCF;ZRE142..18G..(IDN,MA);ZRE142,143..RHD..(18E,20G,20V)..HTWC201008-201311
SINGAPORE SPEC
87107AUNIT SUB-ASSY, HEATER RADIATOR
87130DBLOWER ASSY
SINGAPORE SPEC
main87130-02530iZRE142..HTWCF;ZRE142..18G..(IDN,MA);ZRE142,143..RHD..(18E,20G,20V)..HTWC201008-201311
SINGAPORE SPEC
GRADE MARK : 1.8J,1.8G OR 1.8E(THAILAND)
87139CFILTER, CLEAN AIR
STANDARD
STANDARD
STANDARD
STANDARD
main87139-06080iZZE141..16E..(MA,PHL);ZRE143,ZZE14#..(16G,16J,16V,18E,18G,18J,20G,20V,LIMO)..(IDN,MA,PHL,TH)¥2,000200801-201008
main87139-06080iZRE142..HTWCF;ZRE142..18G..(IDN,MA,VN);ZRE141,143..(6F,CVFC)..(16J,20G,20V)..(IDN,MA,PHL,TH,VN);CE140,NZE140,ZRE141,142,ZZE141..(16E,16G,16V,18E,18J,20D,20DSA,D,GLI¥2,000201008
STANDARD
main87139-50100iZRE142..HTWCF;ZZE141..(16G,LIMO)..TH;ZRE142..IDN,IND,MA,TAIW,VN;ZRE141,142..(16E,16G,16V,18E,D,N)..(MA,PHL,PKN,TH)..HTWC;CE140,NDE140,NZE140,ZRE141,143..(5F,6F,CVFC¥4,000201007
*DPF
88501EVAPORATOR SUB-ASSY, COOLER, NO.1
main88501-0K090iZZE141..16E..(MA,PHL);ZRE143,ZZE14#..(16G,16J,16V,18E,18G,18J,20G,20V,LIMO)..(IDN,MA,PHL,TH)200801-201008
sub88501-0K161
sub88501-0K161
sub88501-0K191
sub88501-0K191
sub88501-0K191
sub88501-02320
88515VALVE, COOLER EXPANSION
sub88515-02440
sub88515-0D070
sub88515-02440
sub88515-02400
sub88515-02590
sub88515-02590
sub88515-0D170
sub88515-0D170
sub88515-02570
sub88515-02570
sub88515-02580
sub88515-02580
main88515-02460iZRE142..HTWCF;ZRE142..18G..(IDN,MA,VN);ZRE141,142..(16E,16G,16V,18E,18J)..(IDN,MA,PHL,TH)..HTWC;ZRE141,143..(6F,CVFC)..(16J,20G,20V)..(IDN,MA,PHL,TH,VN)201008
sub88515-0D170
sub88515-02700
main88515-0K100iZZE141..16E..(MA,PHL);ZZE14#..(16G,16J,16V,18E,18G,18J,LIMO)..(IDN,MA,PHL,TH,VN)200801-200904
88539JHOSE, DRAIN COOLER
main88539-02170iZZE141..MA;ZRE143,ZZE14#..(16G,16J,18E,18G,18J,20G,20V,LIMO)..(IDN,MA,TH)200801-201008
main88539-02170iZRE142..HTWCF;ZRE141..6F..TH;ZRE142..18G..(IDN,MA);ZRE14#,ZZE141..(16E,16G,18E,18J,20G,20V,LIMO)..(IDN,MA,TH)..HTWC201008-201311
88548BCASE, AIR FILTER
main88548-0K010iZZE141..MA;ZRE143,ZZE14#..(16G,16J,18E,18G,18J,20G,20V,LIMO)..(IDN,MA,TH)200801-201008
main88548-0K010iZRE142..HTWCF;ZRE141..6F..TH;ZRE142..18G..(IDN,MA);ZRE14#,ZZE141..(16E,16G,18E,18J,20G,20V,LIMO)..(IDN,MA,TH)..HTWC201008-201311
88625THERMISTOR, COOLER, NO.1
main88620-02110iZRE142..HTWCF;ZRE142..IDN,IND,MA,VN;ZRE14#..(6F,CVFC)..(16J,18E,20G,20V)..(IDN,MA,PHL,TH,VN)..HTWC;CE140,NDE140,NZE140,ZRE141,ZZE141..(16E,16G,16V,20D,20DSA,D,E,G,G201008
sub88620-0D150
sub88620-0D150
main88620-02110iZZE141..16E..(MA,PHL);ZRE143,ZZE14#..(16G,16J,16V,18E,18G,18J,20G,20V,LIMO)..(IDN,MA,PHL,TH)200810-201008
sub88620-0D150
sub88620-0D150
sub88620-0D150
sub88620-0D150
sub88620-0D150
sub88620-0D150
88650NAMPLIFIER ASSY, AIR CONDITIONER
GRADE MARK : 1.8J,1.8G OR 1.8E(THAILAND)
sub88650-02710
sub88650-02701
SINGAPORE SPEC
SINGAPORE SPEC
AIR CONDITIONER-WITHOUT
8712802050GROMMET, HEATER
main87128-02050
8712802060GROMMET, HEATER
main87128-02060
8712802090GROMMET, HEATER
main87128-02090
8719387101
9009900317
9009900318
main90099-00318
9009904542
9009904597
main90099-04597
9011906942
9011906952
90119T0209
main90119-T0209
90119T0294
9015960303
9015960383
90159T0005
90159T0013
main90159-T0013
90178T0065
main90178-T0065
9017906282
33 parts on this diagram · 8 diagrams in section