Toyota COROLLA/ALTIS — CYLINDER BLOCK

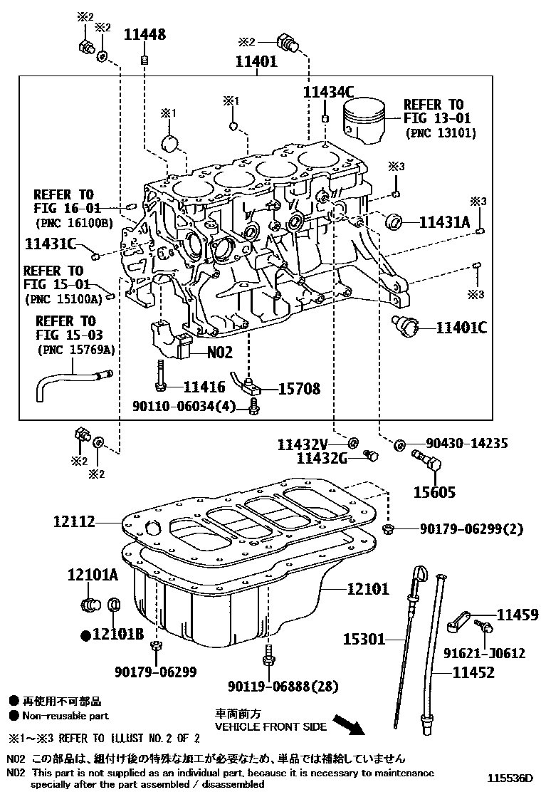
11401BLOCK SUB-ASSY, CYLINDER
sub11410-29156
sub16268-22091
main11410-29156i3ZZFE..ZZE141..16E..(MA,PHL);3ZZFE..ZZE141..(16G,16J,16V,LIMO,XLI)..(GCC,PHL,TH)200808-201311
sub11410-39235
11401CFLANGE(FOR WATER BY-PASS)
11416BOLT(FOR CRANKSHAFT BEARING CAP SET)
main90910-02163i2ZRFE..ZRE142..HTWCF;2ZRFE..ZRE142..18E..TH..HTWC;1ZRFE..ZRE141..16E,16G,16V,D,N,XLI;2ZRFE..ZRE142..GCC,IDN,IND,MA,TAIW,VN;1ZRFE,3ZRFE..ZRE141,143..(6F,CVFC)..(16J,¥190200811-201211
11431APLUG, TIGHT, NO.1(FOR CYLINDER BLOCK)
11431CPLUG, TIGHT, NO.3(FOR CYLINDER BLOCK)
11432GPLUG, W/HEAD STRAIGHT SCREW, NO.5
11432VGASKET, STRAIGHT SCREW PLUG NO.2(FOR CYLINDER BLOCK)
11434CPIN, STRAIGHT (FOR CYLINDER HEAD SET)
main90250-04097i2ZRFE..ZRE142..HTWCF;2ZRFE..ZRE142..18E..TH..HTWC;1ZRFE..ZRE141..16E,16G,16V,D,N,XLI;2ZRFE..ZRE142..GCC,IDN,IND,MA,TAIW,VN;1ZRFE,3ZRFE..ZRE141,143..(6F,CVFC)..(16J,¥50200811-201211
L=12,OD=4.0
L=18,OD=8
L=20,OD=14
11448ORIFICE, CYLINDER BLOCK OIL
11452GUIDE, OIL LEVEL GAGE
(L)
(J)
(J)
(L)
11459SUPPORT, OIL LEVEL GAGE GUIDE
12101PAN SUB-ASSY, OIL
(L)
(J)
12101APLUG(FOR OIL PAN DRAIN)
12101BGASKET(FOR OIL PAN DRAIN PLUG)
(L)
(J)
12112PAN, OIL NO.2
1301
1501
1503
15301GAGE SUB-ASSY, OIL LEVEL
(L)
(J)
*264
*119
15605VALVE SUB-ASSY, OIL CHECK
15708NOZZLE SUB-ASSY, OIL, NO.1
1601
9011006034
9011906888
9017906299
9043014235
91621J0612
27 parts on this diagram · 9 diagrams in section