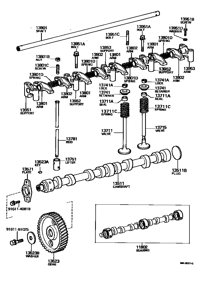
Toyota COASTER — CAMSHAFT & VALVE

11802BEARING SET, CAMSHAFT
STD,CHINA SPEC
STD
U/S 0.125,CHINA SPEC
U/S 0.25,CHINA SPEC
13511CAMSHAFT
CHINA SPEC
13511BPLUG, EXPANSION(FOR CAMSHAFT)
OD=51
L=9,S=9
13523GEAR OR SPROCKET, CAMSHAFT TIMING
N=36
N=36
N=44
13523AKEY, WOODRUFF(FOR TIMING GEAR)
13523BWASHER, PLATE(FOR TIMING GEAR)
OD=40,ID=10.5
13571PLATE, CAMSHAFT THRUST
13711VALVE, INTAKE
13711ASEAL OR RING, O(FOR VALVE STEM OIL)
13711CSPRING, COMPRESSION(FOR OUTER)
WD=4.7,CW=6.0
WD=4.7,CW=6.0
13715VALVE, EXHAUST
13741RETAINER, VALVE SPRING
13741ALOCK, VALVE SPRING RETAINER
13751LIFTER, VALVE
STD
O/S 0.05
13781ROD, VALVE PUSH
13801ARM SUB-ASSY, VALVE ROCKER, NO.1
13801BNUT, HEXAGON(FOR VALVE ADJUSTING)
13801CSCREW, VALVE ADJUSTING
13801DSPRING, COMPRESSION(FOR ROCKER ARM)
WD=1.6,CW=9
WD=1.6,CW=7.5
13802ARM SUB-ASSY, VALVE ROCKER, NO.2
13901SHAFT SUB-ASSY, VALVE ROCKER, NO.1
13951SUPPORT, VALVE ROCKER, NO.1
13951ABOLT(FOR ROCKER SUPPORT SET)
*8-1.25PX50-30
*8-1.25PX55-30
*8-1.25PX60-30
*8-1.25PX65-30
13951BSCREW OR BOLT(FOR VALVE ROCKER SHAFT LOCK)
13951CBOLT, STUD(FOR ROCKER SUPPORT)
L=81,S=9&26
L=58,S=9&32
L=84,S=9&29
L=76,S=12&18
13951DWASHER, SEAL(FOR HEAD COVER SET)
13952SUPPORT, VALVE ROCKER, NO.2
13953SUPPORT, VALVE ROCKER, NO.3
9161140818
9161161025
30 parts on this diagram · 4 diagrams in section